PRELIMINARY ECONOMIC ASSESSMENT OF
THE LOST CREEK PROPERTY,
SWEETWATER COUNTY, WYOMING
PREPARED BY UR-ENERGY INC.

REPORT for NI 43-101
Authors:
John K. Cooper, SME Registered Member
Catherine L. Bull, Wyoming PE
Effective Date: April 30, 2012
This NI 43-101 Preliminary Economic Assessment titled “PRELIMINARY ECONOMIC ASSESSMENT OF THE LOST CREEK PROPERTY, SWEETWATER COUNTY, WYOMING” dated April 30, 2012 has been prepared and signed by the following authors:
/s/ Mr. John K. Cooper,
SME Registered Member 4145436
Dated at Casper, Wyoming
April 30, 2012
/s/ Mrs. Catherine L. Bull
Wyoming PE 12081
Dated at Casper, Wyoming
April 30, 2012
Table of Contents
| Section | Title | Page |
| 1.0 | Summary | 1 |
| 2.0 | Introduction | 5 |
| 3.0 | Reliance on Other Experts | 6 |
| 4.0 | Property Description and Location | 6 |
| 4.1 | Location and Size | 6 |
| 4.2 | Mining Claims, Mineral Leases and Surface Agreements | 8 |
| 4.3 | Title to Property | 9 |
| 4.4 | Property Boundaries | 9 |
| 4.5 | Mineralized Areas, Surficial Disturbance and Existing Mine Workings | 9 |
| 4.6 | Royalties, Taxes and Fees | 10 |
| 5.0 | Accessibility, Climate, Local Resources, Infrastructure, Physiography | 11 |
| 5.1 | Topography, Elevation and Vegetation | 11 |
| 5.2 | Access | 11 |
| 5.3 | Proximity to Population Centers | 11 |
| 5.4 | Climate and Operating Season | 11 |
| 5.5 | Local Resources and Property Infrastructure | 12 |
| 5.6 | Water Supply | 13 |
| 5.7 | Background Radiological Characteristics | 13 |
| 5.8 | Other Environmental Investigations | 14 |
| 6.0 | History | 14 |
| 6.1 | Ownership History of the Lost Creek Property | 14 |
| 6.2 | Exploration History | 17 |
| 6.3 | Previous Mineral Resource Estimates and Their Reliability | 21 |
| 6.4 | Production History | 22 |
| 7.0 | Geological Setting and Mineralization | 22 |
| 7.1 | Regional, Local and Property Geology | 22 |
| 7.2 | Hydrogeology | 27 |
| 7.3 | Mineralization of the Lost Creek Project | 29 |
| 7.4 | Mineralization of Adjoining Projects | 31 |
| 7.5 | Disequilibrium | 32 |
| 8.0 | Deposit Type | 33 |
| 9.0 | Exploration | 34 |
| 9.1 | URE Exploration Drilling – Lost Creek Project | 35 |
| 9.2 | URE Exploration Drilling – Adjoining Projects | 35 |
| 10.0 | Drilling | 36 |
| 11.0 | Sample Preparation, Analysis and Security | 39 |
| 12.0 | Data Verification | 42 |
| 13.0 | Mineral Processing and Metallurgical Testing | 43 |
| 14.0 | Mineral Resource Estimates | 46 |
| 14.1 | Resource Classification | 46 |
| 14.2 | Cutoff Selection | 46 |
| 14.3 | Assumptions | 47 |
| 14.4 | Methodology | 47 |
| 14.5 | Summary of Mineral Resources | 49 |
| 15.0 | Mineral Reserve Estimates | 50 |
| 16.0 | Mining Methods | 50 |
| 16.1 | Ore Body Amenability | 50 |
| i |
| 16.2 | Mine Development | 54 |
| 16.3 | Piping | 55 |
| 16.4 | Header Houses | 55 |
| 16.5 | Wellfield Reagents, Electricity and Propane | 55 |
| 17.0 | Recovery Methods | 56 |
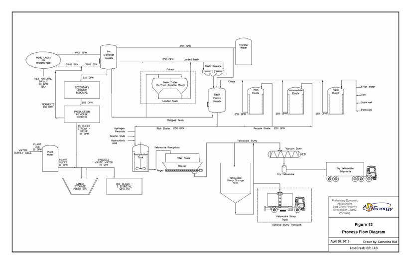
| 17.1 | Plant Processing | 56 |
| 17.2 | Plant Reagents, Electricity and Propane | 57 |
| 17.3 | Liquid Disposal | 57 |
| 17.4 | Solid Waste Disposal | 58 |
| 18.0 | Project Infrastructure | 58 |
| 18.1 | Roads | 58 |
| 18.2 | Laboratory Equipment | 59 |
| 18.3 | Electricity | 59 |
| 18.4 | Holding Ponds | 59 |
| 19.0 | Market Studies and Contracts | 59 |
| 20.0 | Environmental Studies, Permitting and Social or Comm. Impact | 60 |
| 21.0 | Capital and Operating Costs | 60 |
| 21.1 | Capital Cost Estimation (CAPEX) | 61 |
| 21.2 | Operating Cost Estimation (OPEX) | 63 |
| 22.0 | Economic Analysis | 65 |
| 22.1 | Capital and Operating Costs | 66 |
| 22.2 | Taxation | 66 |
| 23.0 | Adjacent Properties | 68 |
| 24.0 | Other Relevant Data and Information | 68 |
| 25.0 | Interpretation and Conclusions | 68 |
| 26.0 | Recommendations | 69 |
| 27.0 | References | 72 |
| 28.0 | Certificates | 74 |
| 29.0 | Illustrations | 77 |
List of Figures
| 1 | General Location Map |
| 2 | Site Access |
| 3a | Lost Creek Project - Claim Block, Surface and Mineral Ownership |
| 3b | LC East Project – Claim Block, Surface and Mineral Ownership |
| 3c | LC North Project - Claim Block, Surface and Mineral Ownership |
| 3d | LC South Project- Claim Block, Surface and Mineral Ownership |
| 3e | LC West Project- Claim Block, Surface and Mineral Ownership |
| 3f | EN Project - Claim Block, Surface and Mineral Ownership |
| 4 | Geologic Map of the Great Divide Basin |
| 5 | Schematic Geologic Cross Section – Lost Creek Project |
| 6 | Stratigraphic Chart of Project Specific Geology – Lost Creek Property |
| 7 | Conceptual Uranium Roll Front |
| 8 | Type Log for the Lost Creek Property |
| 9 | Resource Map for the Lost Creek Property |
| 10a | Stratigraphic Cross Section A-A’ – Lost Creek Project |
| 10b | Stratigraphic Cross Section B-B’ – LC East Project |
| 11 | Resource Areas – Lost Creek Property |
| 12 | Process Flow Diagram |
| 13 | NPV Sensitivity to Price, OPEX and CAPEX |
| ii |
| List of Tables | Page | |
| 1 | Lost Creek Property Resource Summary | 2 |
| 2 | Drill Hole Summary | 23 |
| 3 | Previous Resource Estimates | 24 |
| 4 | Leach Test Results, 2005 | 43 |
| 5 | Core Sample Metal Values | 44 |
| 6 | Bottle Roll Leach Test Results, 2007 | 45 |
| 7 | KM Horizon Leach Test Results, 2010 | 45 |
| 8 | Lost Creek Property Resources | 51 |
| 9 | Resource Area Development Summary | 54 |
| 10 | Development and CAPEX Cost Summary | 62 |
| 11 | Annual Operating Costs (OPEX) Summary | 64 |
| 12 | Net Present Value Versus Discount Rate and IRR | 65 |
| 13 | Cash Flow Statement | 67 |
Abbreviations
| AEA | The Asset Exchange Agreement with Uranium One Americas, Inc., effective February 27, 2012; and lands acquired through it |
| bgs | Below Ground Surface |
| 214Bi | Bismuth isotope with 214 neutrons |
| BLM | U.S. Bureau of Land Management |
| CIM | Canadian Institute of Mining, Metallurgy and Petroleum |
| CAPEX | Capital Expenditure |
| CPS | Counts Per Second |
| DDW | Deep Disposal Well |
| DEF | Disequilibrium Factor |
| DN | Drilling Notice |
| DOE | U.S. Department of Energy |
| eU3O8 | equivalent U3O8 as measured by a calibrated gamma instrument |
| EMC | Energy Metals Corporation |
| EMT | East Mineral Trend. located within the LC East Project |
| °F | Degrees Fahrenheit |
| ft. | Feet |
| GDB | Great Divide Basin |
| GIS | Geographic Information System |
| gpm | Gallons Per Minute |
| GT | Grade x Thickness (%ft) product of a mineral intercept. (Expressed without units) |
| HPU | High Plains Uranium, Inc. |
| i.e. | That Is (for clarification) |
| IX | Ion Exchange |
| ISL | In Situ Leach |
| ISR | In Situ Recovery |
| IRR | Internal Rate of Return |
| K | Thousand |
| kWh | Kilowatt-hours |
| lbs. | Pounds |
| MMT | Main Mineral Trend. located within Lost Creek Project |
| MM | Million |
| NI 43-101 | Canadian National Instrument 43-101 (Standards of Disclosure for Mineral Properties) |
| iii |
| NPV | Net Present Value |
| NRC | U.S. Nuclear Regulatory Commission |
| OPEX | Operating Expenditure |
| PA | Preliminary Assessment (under former NI 43-101 definitions) |
| PEA | Preliminary Economic Assessment |
| P.M. | Prime Meridian |
| PNC | Power Nuclear Corporation |
| PFN | Prompt Fission Neutron, logging technology |
| psi | Pounds Per Square Inch |
| R | Range |
| T | Township |
| TD | Total Depth drilled |
| TF | Tonnage Factor |
| SME | Society for Mining, Metallurgy and Exploration |
| SP | Spontaneous Potential |
| SR | State Route |
| U.S. | United States |
| U | Uranium in its natural isotopic ratios |
| 235U | Uranium isotope with 235 neutrons |
| UIC | Underground Injection Control (pursuant to U.S. Environmental Protection Agency regulations) |
| URE | Ur-Energy Inc. |
| U1 | Uranium One Americas Inc. |
| U3O8 | A standard chemical formula commonly used to express the natural form of uranium mineralization. U represents uranium and O represents oxygen. |
| WDEQ | Wyoming Department of Environmental Quality |
| WY | Wyoming |
| iv |
| 1.0 | Summary |
Ur-Energy Inc. (URE) generated this Preliminary Economic Assessment (PEA) in accordance with Canadian National Instrument 43-101 Standards of Disclosure for Mineral Projects (NI 43-101) to disclose an updated mineral resource estimate for the Lost Creek Property prompted by recent acquisition of adjacent mineral properties. The Preliminary Economic Assessment for the Lost Creek Property has been revised to evaluate the impact of the additional identified resources. This report therefore serves to replace the most recent PEA for the Lost Creek Property dated February 29, 2012.
Effective February 27, 2012, URE entered into an Asset Exchange Agreement (AEA) with Uranium One Americas, Inc. to acquire two State of Wyoming Mineral Leases and 175 federal mineral claims in the immediate vicinity of the Lost Creek Property. The total acquired land package (herein referred to as “the AEA”) consists of approximately 5,250 acres. The main portion of this acreage is within a large block of claims which are contiguous to the east with the Lost Creek Project. The remainder of the AEA consists of disconnected blocks of claims and state mineral leases generally to the west of the Lost Creek Project. Additionally, as of April 30, 2012, URE has staked 256 mineral lode claims (herein collectively referred to as the “New Claims”) in several areas deemed geologically prospective covering approximately 4,662 acres of BLM land within the Lost Creek Property.
The Lost Creek Property consists of several Projects, including the lands recently acquired with the AEA and the New Claims. The majority of the AEA and portions of the New Claims have been assigned to two newly designated Projects named LC East and LC West. Small parcels of the new acquisitions have also been assigned to the EN, the LC North and the LC South Projects where appropriate to redefine Project boundaries. For clarity, the Lost Creek Property now includes six contiguous Project areas named: Lost Creek, LC East, LC North, LC South, LC West, and EN (Figures 1 and 2). Note also that the previous Toby Project is no longer a stand-alone project, but has been incorporated into the LC South Project.
The Lost Creek Property is located in the northeast corner of Sweetwater County, approximately 90 miles southwest of Casper, Wyoming. With the recent addition of the AEA and the New Claims its land position has increased to a total of 43,503 acres of federal mineral claims and State of Wyoming Leases (Figures 3a – 3f). The Property was extensively drilled in the late 1960s to mid-1980s by several companies, mainly Texasgulf Inc. and Conoco. New drill data obtained with the AEA, together with URE’s historic drill data within the AEA and the New Claims, have increased the total drilling inventory for the Lost Creek Property to 3,924 holes with a total footage of 2,338,444 ft.
The Lost Creek Property is situated in the northeastern part of the Great Divide Basin (GDB) which is underlain by up to 25,000 ft. of Paleozoic to Quaternary sedimentary units (Figures 4, 5 and 6). Rock outcrops in the GDB are dominated by the Battle Spring Formation of Eocene age which also hosts the uranium mineralization considered in this report. The dominant lithology in the Battle Spring Formation is coarse arkosic sandstone, interbedded with intermittent mudstone, claystone and siltstone. Deposition occurred as alluvial-fluvial fan deposits within a south-southwest flowing paleodrainage. The uranium mineralization occurs as roll front type deposits (Figure 7) formed where uranium precipitated from solution when it contacted reduced rock. The majority of uranium mineralization throughout the Lost Creek Property occurs within the HJ and KM Horizons of the Battle Spring Formation, with some occurrences in the overlying FG and underlying Deep Horizons (Figures 6 and 8).
| 1 |
URE possesses drill data from approximately 1,132 drill holes located within the newly acquired lands. Based on this data, URE has completed a detailed geologic review and herein presents a new Preliminary Economic Assessment for the Lost Creek Property.
The new acquisitions and subsequent geological evaluation have increased the resources for the Lost Creek Property by 2,582,900 pounds eU3O8 in the Measured and Indicated categories plus 852,700 pounds U3O8 in the Inferred category; 45% and 42% increases respectively when compared to the most recent Preliminary Economic Assessment dated February 29, 2012. Virtually all of the added resources are the result of the AEA acquisition and lie mainly within the new LC East Project; the exception being resources acquired through New Claims which account for 37,400 pounds eU3O8 located in the LC West Project.
Resource estimation is based on geologic cutoffs requiring a minimum grade of 0.020% eU3O8 and a grade thickness (GT) equal to or greater than 0.30. The current resources at the Lost Creek Property are reported in Table 1 (Figure 9). The majority of the resources are hosted by the HJ and KM Horizons within two separate mineral trends 1) the Main Mineral Trend (MMT) at the Lost Creek Project, as defined in Section 4.5 and 2) a newly reported East Mineral Trend (EMT) which lies within the LC East Project acquired through the AEA (Figures 9, 10a and 10b).
Mr. Cooper is of the opinion that the classification of the resources as stated meets the CIM definitions as adopted by the CIM Council on November 27, 2010 as required (CIM Council, 2010). The mineral resource estimates in this report, based on historic and recent drilling, were completed by Mr. Cooper or completed under his supervision and reviewed and accepted.
Table 1: Lost Creek Property Resource Summary, April 30, 2012
| PROJECT | MEASURED | INDICATED | INFERRED | ||||||
AVG GRADE % eU3O8 |
SHORT TONS (X 1000) |
POUNDS (X 1000) |
AVG GRADE % eU3O8 |
SHORT TONS (X 1000) |
POUNDS (X 1000) |
AVG GRADE % eU3O8 |
SHORT TONS (X 1000) |
POUNDS (X 1000) | |
| LOST CREEK | 0.055 | 2,692.1 | 2,942.9 | 0.058 | 2,413.8 | 2,822.4 | 0.054 | 937.5 | 1,015.7 |
| LC EAST | 0.054 | 1,158.3 | 1,255.9 | 0.043 | 1,551.3 | 1,327.0 | 0.045 | 910.8 | 815.3 |
| LC NORTH | ----- | ----- | ----- | ----- | ----- | ----- | 0.048 | 413.8 | 398.2 |
| LC SOUTH | ----- | ----- | ----- | ----- | ----- | ----- | 0.042 | 710.0 | 602.6 |
| LC WEST | ----- | ----- | ----- | ----- | ----- | ----- | 0.109 | 17.2 | 37.4 |
| EN | ----- | ----- | ----- | ----- | ----- | ----- | ----- | ----- | ----- |
| GRAND TOTAL | 0.055 | 3,850.4 | 4,198.8 | 0.053 | 3,965.1 | 4,149.4 | 0.049 | 2,989.2 | 2,869.1 |
| MEASURED+INDICATED = | 7,815.5 | 8,348.2 | |||||||
Notes:
| 1. | Sum of Measured and Indicated tons and pounds may not add to the reported total due to rounding. |
| 2. | Mineral resources that are not mineral reserves do not have demonstrated economic viability. |
| 3. | Based on grade cutoff of 0.02 percent eU3O8 and a grade x thickness cutoff of 0.30 GT. |
| 4. | Typical ISR industry practice is to apply a GT cutoff in the range of 0.30 which has generally been determined to be an economical cutoff value. This 0.30 GT cutoff was used in this evaluation without direct relation to an associated price. |
| 5. | Measured, Indicated, and Inferred Mineral Resources as defined in Section 1.2 of NI 43-101 the CIM Definition Standards (CIM Council, 2010). |
| 2 |
Although resources occur mainly in the HJ and KM Horizons, mineralization above and below those horizons has also been identified in both the MMT and EMT. The FG Horizon and to a lesser extent the DE Horizon (Figure 6 for a stratigraphic column) contain numerous occurrences of significant mineralization. In the MMT, these horizons have not been specifically targeted by drilling. Rather, knowledge of these occurrences was derived from drilling which targeted deeper horizons. The FG Horizon was, however, the specific target of some of the drilling within LC East (historically) and LC South (both historically and by the Company). Mineralization within the FG is included within the current resource estimate. However, mineralization within the DE remains insufficient to warrant inclusion in this resource estimate. Furthermore, most of the DE Horizon lies above the water table and thus is not amenable to in situ recovery.
Mineralization within the EMT is similar in most respects to that occurring in the MMT. It is found in the same stratigraphic horizons within the Battle Spring Formation and likewise is separated by virtually the same aquitards (Figures 6, 8, 10 and 10b)). Mineralization has been identified from near surface to depths greater than 500 feet with potential for deeper mineralization. No leach testing has been conducted to date on mineralization within the EMT, however leach tests in the MMT have indicated that the mineralization is amenable to leaching with an oxidizing bicarbonate solution.
URE is currently advancing the Lost Creek Project through the permitting process. To date, the U.S. Nuclear Regulatory Commission (NRC) and the Wyoming Department of Environmental Quality (WDEQ) have granted approval for the Project. The U.S. Bureau of Land Management (BLM) is continuing its review with an anticipated completion date in the summer 2012. URE plans to begin construction at the Lost Creek Project during the summer of 2012 followed by production in the spring of 2013. The EMT resources are also anticipated to provide production feed to the Lost Creek facility following further delineation and successful permitting.
The new resources identified throughout the AEA have been added to the Lost Creek production plan and provide a positive impact on the economics of the property. Using the estimated CAPEX, OPEX and closure costs presented herein, a cash flow statement has been developed and is provided in Table 13. The statement assumes no escalation, no debt, no debt interest or capital repayment and no depreciation or income tax costs. The sale price for the produced uranium is assumed to vary based on a combination of the projections of RBC Dominion Securities, Uranium Market Outlook, First Quarter 2012 (RBC, 2012) and the actual commitments URE has in place. The revenue for the cash flow estimate was developed using the GT contour mineral resource estimate for the MMT and EMT, and further assumes that, based on an 80% recovery factor, approximately 7.38 million pounds of U3O8 will be recovered from the MMT and the EMT at the Lost Creek Property.
CAPEX costs were developed based on the current designs, quantities and unit costs obtained from various sources. Mrs. Bull predicts the level of accuracy of the CAPEX estimate for the plant is +/- 10% and the level of accuracy for the wellfield CAPEX is +/- 15%, due to the timing of purchases. The estimated costs for the major items identified in this study have been sourced in the United States.
OPEX cost estimates were developed by evaluating each process unit operation and associated operating services (power, water, air, waste disposal), infrastructure (offices, change rooms, shop), salary plus burden, and environmental control (heat, air conditioning, monitoring). The OPEX estimate is based on URE’s development plan, deliverables, process flow sheets, process design, materials balance and project manpower schedule. The annual OPEX and Closure cost summary is provided in Table 10. Mrs. Bull estimates the level of accuracy of the OPEX calculation is +/- 10%.
| 3 |
The Net Present Value (NPV) calculations make the simplifying assumption that cash flows occur in the middle of the periods. The NPV is calculated from the discounted cash flow model and is based on the CAPEX, OPEX and closure cost estimates, a variable future uranium price and the anticipated production schedule.
The Lost Creek Project has initial capital costs of $31.6 million including: plant cost of $20.5 million, initial Resource Area construction cost of $4.7 million, and deep disposal well (DDW) cost of $6.4 million. As described, URE has purchased, or has purchased and partially paid for some plant equipment prior to the date of the economic calculations (April 2012). Costs for that equipment (approximately $1.6 million) are included in the cash flow model in Year 1 under the heading “Plant Sunk Costs”.
Construction is expected to commence during the summer of 2012 upon the receipt of the last required permit. The Project is estimated to generate net earnings over its life, before income tax, of $283.0 million. Payback is estimated during the third quarter of Year 3. The Project has a calculated IRR of 87% and a NPV of $181.0 million applying an eight percent discount rate. The estimated cost of uranium produced is $36.52 per pound including all costs, with an estimated operation cost of $16.12 per pound.
In conclusion, acquisition of the AEA and the New Claims has yielded a total increase of 2,582,900 pounds of new resources in the Measured and Indicated categories, as well as 852,700 pounds in the Inferred category. These new resources can be summarized as:
| Measured: | 1,255,900 lbs., avg. grade of 0.054%, in 1,158,300 tons |
| Indicated: | 1,327,000 lbs., avg. grade of 0.043%, in 1,551,300 tons |
| Inferred: | 852,700 lbs., avg. grade of 0.048%, in 927,900 tons |
By Project, the new mineral resources can be sub-divided as:
| LC East Project: | |
| Measured and Indicated: | 2,582,900 lbs., avg. grade of 0.048% in 2,709,600 tons |
| Inferred: | 815,300 lbs., avg. grade of 0.045% in 910,800 tons |
| LC West Project | |
| Inferred: | 37,400 lbs., avg. grade of 0.109% in 17,200 tons |
With the addition of the resources stated above, the total mineral resource for the Lost Creek Property currently stands at 8,348,200 lbs. in the Measured and Indicated categories with an additional 2,869,100 lbs. as Inferred.
Recommendations for the Property can be divided into three general categories: production, delineation and exploration. Upon completion of the permitting process the primary goal should be to construct the facility and initiate production. Revenues generated from production should then be used to fund additional delineation and exploration drilling (detailed below).
Resources within the MMT and the EMT that currently fall within the Inferred Category should be delineated in order to bring them into the Measured or Indicated Categories. These delineation efforts should focus on the eastern and western edges of the MMT since these areas contain significant resources and would be the logical choice for recovery during the early years of mining. Likewise, the central and northern portions of the EMT require the greatest delineation effort.
| 4 |
In addition to delineation, resources within LC East should be investigated further by means of limited confirmation drilling to solidify confidence in the historic mineral intercept database. Coring should be conducted to provide samples for leach testing and host rock characterization. Systematic PFN logging should be done to fully investigate equilibrium conditions (Section 7.5). Finally, baseline studies, including the installation of baseline sampling wells, should be initiated in anticipation of permitting the EMT for production.
Exploration is recommended for several areas of the Property with a priority placed on the northeastern portion of the Lost Creek Project, the western portion of the LC North Project, and extension of resources identified within LC East. The first two areas appear to be extensions of the MMT and contain redox fronts in the KM, HJ and Deep Horizons that warrant further exploration. An additional 300 drill holes at an estimated cost of $2.7 million dollars is believed to be sufficient to bring mineralization in these areas into the Inferred category. Similarly, exploration in LC East will require approximately 300 drill holes at an approximate cost of $1.05 million.
Additional exploration at the LC South Project is also recommended with the goal of further defining mineralization within the FG, HJ, KM and Deep Horizons. A program consisting of an additional 400 holes at an approximate cost of $3.6 million dollars is recommended.
Finally, wide spaced framework drilling at the EN Project is recommended in order to locate regional alteration fronts. A total of 150 holes at an estimated cost of $1.5 million dollars are recommended. These exploration and drilling costs are explained further in Section 26.
All delineation and exploration drilling should be performed under the management of geologists with uranium-roll front experience. The recommended drill programs are preliminary and will be adjusted routinely as more holes are drilled, reflecting an up-to-date geologic interpretation.
Cautionary statement: this Preliminary Economic Assessment is preliminary in nature, and includes inferred mineral resources that are considered too speculative geologically to have the economic considerations applied to them that would enable them to be categorized as mineral reserves. The estimated mineral recovery used in this Preliminary Economic Assessment is based on site-specific laboratory recovery data as well as URE personnel and industry experience at similar facilities. There can be no assurance that recovery at this level will be achieved.
| 2.0 | Introduction |
This Preliminary Economic Assessment was prepared by and for Ur-Energy Inc. (URE or the Company) to disclose an updated mineral resource estimate for the Lost Creek Property prompted by recent acquisition of adjacent mineral properties. URE was incorporated on March 22, 2004 and is an exploration stage junior mining company engaged in the identification, acquisition, evaluation, exploration and development of uranium mineral properties in Canada and the United States. The Company’s U.S. land portfolio includes properties in the GDB, Shirley Basin and the Black Hills region of Wyoming, as well as properties in western Nebraska. The Company also holds exploration properties in the Northwest Territories and Nunavut, Canada.
| 5 |
URE generated this PEA pursuant to NI 43-101 in order to disclose the results of a geological resource evaluation of recently acquired property (the AEA and New Claims). This assessment was also performed to verify continued economic viability of the Lost Creek Property inclusive of the Resource Areas within the MMT and EMT. Company geologists have determined, based on analysis of historic drilling results, that the AEA has increased the known resource within the Lost Creek Property which is available for proposed production at the Lost Creek Project.
This Preliminary Economic Assessment was completed by and under the direction of John K. Cooper and Catherine L. Bull, both of whom are Qualified Persons as defined by NI 43-101. Mr. Cooper has visited the Lost Creek Property on numerous occasions as part of his regular duties with URE. His latest visit to the site was on December 19, 2011. Additionally, Mr. Cooper, over the last 4.5 years, has worked on a daily basis with data from the Property. Mrs. Bull visits the property as well during her normal course of work with her last visit occurring on August 24, 2011; no additional engineering work has been completed on site since that visit. Mrs. Bull has worked extensively with the design engineering and procurement of equipment for the Property over the last 3.5 years.
Units of measurement, unless otherwise indicated, are feet (ft.), miles, acres, pounds avoirdupois (lbs.), and short tons (2,000 lbs.). Uranium is expressed as pounds U3O8, the standard market unit. All reference to dollars ($) are in U.S. dollars. Grades reported for historical resources and the mineral resources reported and used herein are percent eU3O8 (equivalent U3O8 by calibrated geophysical logging unit). ISR refers to in situ recovery, sometimes also termed ISL or in situ leach. A complete list of abbreviations is provided on pages iii-iv.
| 3.0 | Reliance on Other Experts |
Formal mineral title reports have been prepared for URE, from time to time, by a mineral title counsel, Lathrop & Gage, LLP, Denver, Colorado. Lathrop & Gage, LLP was relied upon as an expert in the area of land title because of their extensive experience. The Qualified Persons overseeing the writing of this report have minimal experience in the matter of land and mineral title so it is necessary to rely on other experts. Other Company personnel routinely review land title records to ensure all documents and filings are in order. The Qualified Persons for this Preliminary Economic Assessment have relied upon aspects of the opinions set forth in the mineral title reports in Sections 1.0 and 4.0 herein.
| 4.0 | Property Description and Location |
| 4.1 | Location and Size |
The Lost Creek Property (the “Property”) is located in the northeastern corner of Sweetwater County in south-central Wyoming. As shown on Figures 1 and 2, the Lost Creek Property is in an unpopulated area located approximately 15 miles southwest of Bairoil, Wyoming, about 38 miles northwest of Rawlins, Wyoming and about 90 miles southwest of Casper, Wyoming. It is centered at approximately 42 degrees, 8.06 minutes North latitude and 107 degrees, 51.7 minutes West longitude. All references herein to Township and Range occur within the 6th Prime Meridian.
| 6 |
Effective on February 27, 2012, URE entered into an Asset Exchange Agreement (AEA) to acquire two State of Wyoming Mineral Leases and 175 federal mining claims in the immediate vicinity of the Lost Creek Property. The acquired land package of approximately 5,250 acres is mostly east and northeast of the Lost Creek Project. Most of this acquisition was incorporated into a new project area named the LC East Project. Other segments were also assigned to the new LC West and other pre-existing Projects.
Additionally, URE has staked 256 mineral lode claims (the “New Claims”) in several areas deemed geologically prospective covering approximately 4,662 acres of BLM land within the Lost Creek Property
The Property currently comprises six individual Projects named the Lost Creek, LC East, LC North, LC South, LC West, and EN Projects (Figures 1 and 2) with a total of 43,503 acres; all within the 6th P.M. The Lost Creek Project is considered the core project. It is the subject of the current permitting process and has production planned in the near future. The other five Projects, collectively referred to as the Adjoining Projects, are extension and exploration properties targeted as possible sources of additional feed to the Lost Creek Project production facilities. All Projects within the Property consist of federal unpatented lode mining claims and/or state mineral leases. URE does not hold any private (fee) mineral leases. The six projects within the Property are summarized below. Note that the former Toby Project is no longer a stand-alone project but has been incorporated into the LC South Project.
Lost Creek Project: is located in Sections 13, 24 and 25 of T25N, R93W, and Sections 16 through 20 and 30 and portions of 29 through 31 of T25N, R92W, (Figure 3a). It is approximately 4,194 acres in size.
Adjoining Company Projects:
LC East Project: is a newly designated Project consisting of a large block of claims gained from the AEA plus 142 of the New Claims (Figure 3b). It is contiguous and to the east and northeast of the Lost Creek Project, within Sections 1 through 3, 10 through 15, 20 through 24, 27 through 29 of T25N, R92W. The LC East Project encompasses approximately 4,780 acres.
LC North Project: is contiguous and to the north and west of the Lost Creek Project in Sections 4 through 9, 17, and 18 of T25N, R92W, Sections 1 through 3, 10 through 15, 22, 23, 26, and 27 of T25N, R93W and Sections 32 through 34 of T26N, R92W. Portions of the AEA consisting of a block of 17 ED claims have been incorporated into the LC North Project (Figure 3c). In addition, four claims which lie between the Lost Creek and LC East Projects have been reassigned from LC North to the LC East Project. The LC North Project currently encompasses approximately 9,100 acres.
LC South Project: is in part contiguous and to the south and east of the Lost Creek Project in Sections 22 through 35 of T25N, R92W, Sections 3 through 6, and 8 through 11, 14, and 15 of T24N, R92W, and Section 1 of T24N, R93W (Figure 3d). The LC South Project encompasses approximately 11,467 acres. Note that the former Toby Project has been recently incorporated into the LC South Project. In addition, eight New Claims have been added in the southwest portion of the Project.
LC West Project: is also a newly designated Project consisting of portions of the AEA plus 106 New Claims. The portions derived from the AEA consist of 36 claims and one state lease in two parcels (Figure 3e). Most of LC West is contiguous with the Lost Creek, LC North and LC South Projects within Sections 16, 21, 22, 25 through 28, 33 through 36 of T25N, R93W, and Sections 2 through 5 of T24N, R93W. One of the state mineral lease parcels lies as a disconnected outlier from the main body of the LC West Project. The LC West Project encompasses a total of approximately 3,840 acres.
| 7 |
EN Project: is contiguous and east of the LC South Project in Sections 16 through 22 and Sections 27 through 34 of T25N, R91W, Sections 5 through 7 of T24N, R91W, Sections 25, 35 and 36 of T25N, R92W, and Sections 1 through 3 and 10 through 12 of T24N, R92W (see Figure 3f). Included in this is a state mineral lease in Section 16, T26N, R92W which is a part of the AEA and subsequently assigned to the EN Project. The current EN Project encompasses approximately 10,122 acres, including 8,842 acres comprised of federal unpatented lode mining claims and 1,280 acres in two State of Wyoming Mineral Leases
Toby Project: is no longer maintained as a stand-alone project; these 25 claims have been incorporated into the LC South Project.
| 4.2 | Mining Claims, Mineral Leases and Surface Use Agreements |
The Property currently consists of 2,184 federal unpatented lode mining claims and four State of Wyoming leases for uranium and associated minerals. The land status of each project is illustrated in Figures 3a-f and described below:
Lost Creek Project: 201 federal unpatented lode mining claims and one State of Wyoming Mineral Lease (Figure 3a) (Unchanged from the February 29, 2012 PEA).
LC East Project: 268 federal unpatented lode mining claims (Figure 3b) (122 claims acquired through the AEA, 142 New Claims, and four claims reallocated from LC North).
LC North Project: 481 federal unpatented lode mining claims (Figure 3c). Note the net increase of 13 claims from the February 29, 2012 PEA (17 gained from the AEA minus four reallocated from the LC North Project to LC East).
LC South Project: 625 federal
unpatented lode mining claims (Figure 3d).
This represents net increase of 33 claims compared to the February 29, 2012 PEA: 8
New Claims and 25 incorporated from the former Toby Project).
LC West Project: 142 federal unpatented lode mining claims and one State of Wyoming Mineral Lease (in two parcels, Figure 3e). The State Lease and 36 claims were acquired through the AEA, the remaining 106 claims are New Claims.
EN Project: 467 federal unpatented lode mining claims and two State of Wyoming Mineral Leases. The state lease in Section 16 of T25N, R91W was acquired with the AEA (Figure 3f).
Toby Project: These 25 mining claims have been incorporated into the LC South Project.
The surface of all the mining claims is controlled by the BLM, with URE possessing the right to use as much of the surface as is necessary for exploration and mining of the claims, subject to compliance with all federal, state and local laws and regulations. Surface use on BLM lands is administered under federal regulations.
| 8 |
Likewise, access to state controlled land is largely inherent within the State of Wyoming Mineral Lease. Related to this lease, a nominal surface impact fee is required to be paid; the other state mineral leases currently do not have surface impact payment obligations. A Temporary Use Permit has been acquired to permit construction, maintenance and use of an improved road on the leased state section within the Lost Creek Project.
| 4.3 | Title to Property |
URE, through its wholly-owned subsidiaries Lost Creek ISR, LLC (Lost Creek Project) and NFU Wyoming, LLC (Adjoining Projects) controls the federal unpatented lode mining claims and State of Wyoming Mineral Leases which comprise the Property. Title to the mining claims is subject to rights of pedis possessio against all third-party claimants as long as the claims are maintained. The mining claims do not have an expiration date. Affidavits must be timely filed with the BLM and the Sweetwater County Recorder attesting to the payment of annual maintenance fees to the BLM as established by law from time to time. The state leases have a ten-year term, subject to renewal for successive ten-year terms. Certain of the lode mining claims acquired within LC East, and small portions of several claims at both Lost Creek and LC South, are located on lands on which are also pre-existing placer claims controlled by a third party. From time to time, formal mineral title reports are prepared for URE by a mineral title attorney (Section 3.0).
| 4.4 | Property Boundaries |
A professional legal survey of the permit area boundary of the Lost Creek Project was completed in advance of the submission of applications for permits and licenses on the Project. Legal surveys of individual mining claims are not required, and have not been completed. The area covered by the state leases is based on the legal subdivision descriptions as set forth by the U.S. Cadastral Survey and have not been verified by legal surveys.
| 4.5 | Mineralized Areas, Surface Disturbance and Existing Mine Workings |
Mineral resources currently targeted for mining in the Lost Creek Project occur in an east-west oriented trend approximately three miles long and 500 to 2,000 ft. wide, which is referred to as the Main Mineral Trend (MMT) (Figure 9). Mineralization occurs in sand horizons within the Eocene-age Battle Spring Formation. The primary mineral interval at the Lost Creek Project occurs within the HJ Horizon. Mineralization targeted for mining has also been identified within the underlying KM Horizon (Figures 6 and 8). The FG Horizon also contains considerable mineralization.
The EMT, a second mineral trend of significance, was identified by historic drilling in land within the AEA. Although geologically similar, it appears to be a separate and independent trend from the MMT. The EMT assumes a generalized northeast-southwest orientation extending for approximately six and one-half miles with a width of 500 to 1,500 ft. (Figure 9). As in the Lost Creek Project, the known mineralization occurs mainly in the HJ and KM Horizons. Significant occurrences have also been identified in the FG Horizon.
Geological evaluations of historic drill data have resulted in the recognition of numerous geochemical fronts and mineral occurrences within the Adjoining Projects. Historic exploration drilling by previous operators has been conducted within all the Projects. In addition, URE has conducted exploration drilling in the LC North, LC South, and EN Projects. These activities are discussed in Sections 6.0 (History), 9.0 (Exploration) and 10.0 (Drilling).
| 9 |
There are no pre-existing mineral processing facilities or related tailings ponds or waste deposits within the Property. Surface disturbance associated with drilling and permitting activities has been limited to small mud-pits, temporary access trails for each drill location, drill water tanks and a small staging area for equipment and supply storage. Other than minor surface disturbance related to recent drilling and the Deep Disposal Well (LC DW No. 1), there are no known environmental liabilities on the Property. The total bond held by the WDEQ to reclaim all Property disturbances for which URE is liable is $3.45 million.
The NRC has granted a Source and Byproduct Materials License to recover uranium from the HJ Horizon at the Lost Creek Project. Likewise, the WDEQ has also finalized its permitting process and issued a Permit to Mine to recover uranium from the HJ Horizon; including approval of the Mine Unit 1 Data Package. The BLM is scheduled to complete an EIS for the Lost Creek Project in the summer of 2012. Once the BLM has finalized the EIS and issued a Record of Decision, all major permits required to begin construction and operations will be in hand.
Exploration activities on the Adjoining Projects are carried out under Drill Notices issued by the WDEQ and Notices of Operations issued by the BLM. These permits are obtained and managed as necessary to continue exploration work.
The proposed Lost Creek Project plant and associated access road will be located as shown on Figure 2. URE has installed numerous monitoring and other wells in support of its permit and license applications and to further its mine planning. Various other infrastructure, including wells, water tanks, office trailers, a meteorological station, and other equipment has been placed on the Project by URE in support of its exploration, mine planning and permit/license activities.
| 4.6 | Royalties, Taxes and Fees |
URE will be required to pay various state and local taxes related to production and the ownership of property. These taxes will be in the form of severance, ad valorem, gross products, personal, and real property taxes. Royalties based on sales of uranium will be paid to the state under the state mineral lease at the Project and to royalty interest owners on 20 federal unpatented lode mining claims (the TONY claims) at the Project. The royalty on the TONY claims is a 1.67 percent yellowcake sales royalty. Additional various royalties exist on portions of the Adjoining Projects. The state mineral leases within the AEA carry the standard 5% royalty required by law. There are no royalty interests on any of the claims in the AEA. Additionally, maintenance fees will be paid to the BLM, and payments made to the state for the state leases.
There is no state income tax in Wyoming at this time but income from this Project will be included in URE’s federal income tax returns. The cost of corporate income tax is not included in this analysis. All other taxes, royalties (as exist in the MMT and EMT) and fees are included. These costs are discussed in more detail in Section 22.0.
| 10 |
| 5.0 | Accessibility, Climate, Local Resources, Infrastructure and Physiography |
| 5.1 | Topography, Elevation and Vegetation |
The Property is located near the northeastern part of the GDB and occurs at an elevation of approximately 7,000 ft. above mean sea level. The GDB is an oval-shaped structural depression encompassing some 3,500 square miles in south-central Wyoming. The basin is bounded on the north by the Wind River Range and Granite Mountains, on the east by the Rawlins Uplift, on the south by the Wamsutter Arch, and on the west by the Rock Springs Uplift.
Most of the Property consists of flat upland areas and gentle south facing slopes that are dissected by southerly-flowing ephemeral washes. There are no perennial streams on the Property. The vegetation on the Property is dominated by big sagebrush (Artemisia tridentata) which occurs throughout both upland and lowland environmental settings. Big sagebrush is well adapted to the cold winter temperatures and limited precipitation that characterize the Property. Other vegetation identified at the Property includes native cool season perennial grasses, perennial forbs, cushion plants, semi-shrubs, cacti, shrubs and lichens.
| 5.2 | Access |
Access to the Property relies almost exclusively on existing public roads and highways. The local and regional transportation network relevant to the Property consists of primary, secondary, local and unimproved roads (Figures 1 and 2). The road network near the Property consists of unmaintained two-track roads that are passable with four-wheel drive vehicles, Sweetwater County Rd. 23 north of the Property and BLM Sooner Road on the central portions of the Property. In addition to the designated routes, there are a number of four-wheel-drive routes that traverse the area for recreation and grazing access, as well as various other uses, including mineral exploration. On a wider basis, from population centers, the Property area is served by an Interstate Highway (Interstate 80), a US Highway (US 287), Wyoming State routes (SR 220 and 73 to Bairoil), local county roads, and BLM roads.
| 5.3 | Proximity to Population Centers |
The Property is located in a remote area. The nearest town, Bairoil, with a population of less than 100, is about 15 miles northeast of the Property. The Wyoming towns of Rawlins, Rock Springs and Casper are approximately 36, 82 and 89 miles from the Property, respectively. Figure 1 shows the locations of population centers with respect to the Property.
Sweetwater County, in which the Property is located, had a population of 43,806 in 2010. This represents a 16.5% increase in Sweetwater County’s population since the 2000 census (U.S. Census Bureau 2010 Report on Sweetwater County, WY). Sweetwater County has a population density of 4.2 people per square mile. Carbon County, which is south of the Property, had a population of 15,885 in 2010 which was primarily located in the town of Rawlins. This represents a 1.6% increase in Carbon County’s population since the 2000 census (U.S. Census Bureau 2010 Report on Carbon County, WY).
| 5.4 | Climate and Operating Season |
The Property is located in the intermountain semi-desert ecoregion (Curtis and Grimes, 2004), which has cold winters and short, hot summers (Bailey, 1995). The average annual temperatures range from 40 to 52 degrees Fahrenheit (°F). The average annual precipitation ranges from five to 14 inches (Bailey, 1995). The nearest relatively large bodies of water are the Pathfinder and Seminoe Reservoirs, which are unlikely to affect local climatic conditions because they are approximately 50 miles downwind of the Property. Winter weather may limit the time periods for certain portions of capital construction at the Lost Creek Project, but should not significantly affect the operation of an ISR facility. ISR operations at the Lost Creek Project will be conducted year-round. Winter conditions will continue to affect exploration and drilling on the Property.
| 11 |
The State of Wyoming has developed a Core Area Strategy to help protect the Greater Sage Grouse species within certain core areas of Wyoming. Exploration areas of the Property are all within the Greater South Pass core area and are thus subject to work activity restrictions from March 1 to July 15 of each year. The timing restriction precludes exploration drilling and other activities which may disturb the sage grouse. Drilling activity is not restricted outside this period.
The sage grouse timing restrictions relevant to ISR activities at the Lost Creek Project are somewhat different because the State of Wyoming has recognized that mining projects within core areas must be allowed to operate year-round. Therefore, once construction at the Lost Creek Project begins, there will be no timing restrictions on drilling, construction, or operational activities within pre-approved disturbed areas as shown in the Permit to Mine. These disturbed areas include the processing plant, holding ponds, roads, power lines, wellfields, and deep disposal wells. While start-up of construction activities is prohibited during the timing restriction, they may continue uninterrupted once initiated. Exploration drilling within the Property, but outside the pre-defined disturbed area of the Permit to Mine, will continue to be subject to timing restrictions.
The Core Area Strategy also places limitations on the amount of disturbance within an area. These restrictions are flexible enough that it is very unlikely they will ever limit exploration drilling. For the Property, there is a five percent cap on anthropogenic disturbance in the area. An analysis of the planned disturbance on the Lost Creek Project revealed that the disturbance total will be about 0.9%, far below the five percent limit. The Wyoming Game and Fish Department has reviewed both the Permit to Mine application and the Lost Creek Sage Grouse Protection Plan and subsequently issued a letter approving of the mine plan. The WDEQ subsequently issued the Permit to Mine on October 21, 2011.
| 5.5 | Local Resources and Property Infrastructure |
As described in Sections 4.2 and 4.3, URE has secured sufficient surface access rights for development of the Property.
The basic infrastructure (power, water, and transportation) necessary to support an ISR mining operation is located within reasonable proximity of the Property. Generally, the proximity of the Property to paved roads will be beneficial with respect to transportation of equipment, supplies, personnel and product to and from the Property. Existing overhead electrical service is aligned in a north-to-south direction along the western boundary of the Lost Creek Project. It is anticipated that power drops will be made to the Property and distributed to the plant, offices, wellfields, and other facilities. URE has confirmed with the power company (Rocky Mountain Power) that electrical service to the Property is sufficient to power the mine operations without any additional service upgrade.
Infrastructure near the Property is predominantly related to oil and gas development, past and present uranium exploration and beneficiation, and recreation. There have been several conventional uranium mills and mines and an ISR project in the vicinity of the Property. As shown on Figure 2, the closest mining facility to the Property is the Sweetwater Mill, a conventional uranium mill and adjacent mine that is not currently operational. The facility lies about three and one-half miles south of the southwestern-most boundary of URE’s Lost Creek Project with about two miles separating the respective permit boundaries.
| 12 |
Mine operations will also require disposal into Deep Disposal Wells (DDWs) of limited quantities of fluids that cannot be returned to the production aquifers. A total of five DDWs have been permitted for the Project while only three are expected to be needed. Two storage ponds, also permitted by state and federal regulators and located adjacent to the plant, will be used to temporarily store the water that will ultimately be disposed of in the DDWs. The first DDW is located in the extreme southwest corner of the Lost Creek Project. It has been installed and tested, and was used as the basis for permitting the other four wells. The locations of the other four planned DDWs are: (1) immediately south of the plant building, (2) SW quarter of Section 13 of T25N R93W, (3) SE quarter of Section 19 of T25N R92W, and (4) the SE quarter of Section 17 of T25N R92W.
Tailings storage areas, waste disposal areas, and heap leach pad(s) will not be a part of the infrastructure for the Project as ISR operations do not require these types of facilities.
Although the population nearest the Project site consists mainly of the small community of Bairoil and sparse rural ranches, the personnel required for construction and plant operation are available in the nearby towns of Rawlins, Wamsutter, Rock Springs, and Casper, Wyoming.
| 5.6 | Water Supply |
Water for activities within the Property is currently supplied by seven water wells drilled by URE. Five of these are located within the Lost Creek Project, one is in the LC North Project and one is in the EN Project. All but one of these wells produces water in excess of 25 gallons per minute. Water usage to date has been exclusively for drilling, casing wells, and abandonment of exploration and delineation holes. One of the five wells in the Lost Creek Project is adjacent to the proposed plant site and will be used as the source of potable water for that facility during production. Additional wells may be necessary.
Non-potable water for ISR operations will be obtained from the mining operation itself; i.e., the extracted ground water. With the exception of a ½ % to 1½ % bleed, the water will be continuously recycled through the system.
| 5.7 | Background Radiological Characteristics |
Background radiological characteristics for the Lost Creek Project were evaluated in 2006 and 2007 to establish radiological baseline conditions and document the pre-operational radiological environment. The evaluations were performed for surface soils, subsurface soils, sediment and flora. In addition, a baseline gamma survey was performed, and Radon-222 and direct gamma exposure rates were measured.
| 13 |
The results of the study are presented in detail in the “Ur-Energy, Lost Creek ISR Project, Wyoming DEQ Permit to Mine Application” (Ur-Energy, 2007a) and the “Ur-Energy, Lost Creek, NRC Source Material License Application, 2007” (Ur-Energy, 2007b). In general, the baseline study indicates that most site radiological properties are in normal ranges with a few exceptions. These exceptions include:
| · | Baseline gamma – There is an unexpected degree of variability in gamma exposure rates. Some areas with slightly elevated background radiation occurred near the Lost Creek Project boundaries. Commonly, there was no visible evidence of certain landscape features in these areas that might help explain such findings (e.g., exposed bedrock outcrops or unusual soil layers). Subsequent correlation sampling, re-scanning, and Health Physics Instrumentation Committee cross-calibration activities confirmed the original readings. The evidence indicates that some portions of the Lost Creek Project boundaries fall where natural terrestrial radioactivity is slightly elevated at the soil surface. |
| · | Soils - Statistical analysis demonstrated a significant linear relationship between the mean Radium-226 soil concentration and the mean gamma exposure rate across all of the sampling grids. |
| · | Baseline Radon-222 and direct gamma exposure rates – Radon-222 are higher than national ambient levels but typical for the vicinity. Direct gamma exposure rates are not excessive when compared to the region. |
| 5.8 | Other Environmental Investigations |
The license and mine permit applications were developed to define and evaluate the potential for impacts to other environmental resources and were submitted to and approved by the NRC and WDEQ. Evaluation subjects included: existing and anticipated land use, transportation, geology, soils and seismology, water resources, climate/meteorology, vegetation, wetlands, wildlife, air quality, noise, and historic and cultural resources. Additionally, socioeconomic characteristics in the vicinity of the Project were evaluated. In these evaluations, no impacts from Project development were identified that could not be mitigated (Ur-Energy, 2007a, 2007b). The NRC and WDEQ issued final approvals for the Lost Creek Project in 2011.
| 6.0 | History |
| 6.1 | Ownership History of the Lost Creek Property |
Uranium was discovered in the GDB in 1936. Exploration activity increased in the early 1950s after the Gas Hills District discoveries, and continued to increase in the 1960s, with the discovery of numerous additional occurrences of uranium. Wolf Land and Exploration (a private corporation which later went public as Inexco), Climax (Amax) and Conoco Minerals were the earliest operators in the Lost Creek area and made the initial discoveries of low-grade mineralization in the Battle Spring Formation in 1968. Kerr-McGee, Humble Oil, and Valley Development, Inc. were also active early in the area.
Lost Creek Project – Ownership History
Drilling within the current Lost Creek Project area during the period from 1966 to 1976 consisted of approximately 115 wide-spaced exploration holes by several companies including Conoco, Climax (Amax), and Inexco.
Texasgulf acquired the western half of what is now the Lost Creek Project in 1976 through a joint venture with Climax and made the initial identification of what is now referred to as the Main Mineralized Trend (MMT). In 1978 Texasgulf optioned into a 50% interest in the adjoining Conoco ground to the east and continued drilling, fully defining the MMT eastward to the current Project boundary. During this period Texasgulf drilled approximately 412 exploration holes within what is now the Lost Creek Project. This included 12 monitor wells and 16 core holes. During this period Minerals Exploration Company (a subsidiary of Union Oil Company of California) also drilled approximately 8 exploration holes in what is currently the western portion of the Lost Creek Project. Texasgulf dropped the project in 1983 due to declining market conditions. The ground was subsequently picked up by Cherokee Exploration, Inc.
In 1987, Power Nuclear Corporation (also known as PNC Exploration) acquired 100% interest in the project from Cherokee Exploration, Inc. PNC Exploration carried out an exploration program as well as geologic investigations and an evaluation of previous in situ leach testing by Texasgulf. PNC Exploration drilled a total of 36 holes within the current Project boundary, including one core hole.
| 14 |
In 2000, New Frontiers Uranium, LLC acquired the property and the database from PNC Exploration, but conducted no drilling or geologic studies. New Frontiers Uranium, LLC later transferred the Lost Creek property along with its other Wyoming properties to NFU Wyoming, LLC.
In June 2005, Ur-Energy USA Inc., a wholly-owned subsidiary of URE, purchased 100% ownership of NFU Wyoming, LLC. Within the first year of ownership, the Company initiated drilling, and preparations for mining permit applications. Toward that goal, it conducted engineering studies, core drilling for metallurgical studies, and delineation drilling to outline and define the uranium resources. In addition, comprehensive baseline studies were performed, including installation of additional monitor wells for hydrological testing and water-quality sampling and a meteorological station within the Project area.
In July 2007, NFU Wyoming, LLC transferred the Lost Creek Project to Lost Creek ISR, LLC, a wholly-owned subsidiary of Ur-Energy USA Inc. formed for the specific purpose of owning and developing the Project into an ISR mine. From 2007 to 2010, drilling activities on the Project have focused on delineation of previously identified resources in planned production wellfield areas, and installation of monitor and pump-test wells. Drilling in 2011 focused on exploration.
Adjoining Projects – Ownership History
The Adjoining Projects share a history of ownership similar to that of the Lost Creek Project because over the years they were operated by many of the same companies which maintained large property holdings in the vicinity. The Adjoining Projects, currently held by NFU Wyoming, LLC, have been acquired since 2006 through the location of federal unpatented lode mining claims, through purchase agreements made with individuals and companies, and through leases with the State of Wyoming. As discussed earlier, the latest additions have been through the AEA and with staking the New Claims. The Projects originated as individual stand-alone exploration projects, but expanded over time such that now, along with the Lost Creek Project, they collectively represent a contiguous block of land referred to as the Lost Creek Property. NFU Wyoming, LLC currently holds 39,309 acres within the Adjoining Projects in addition to the 4,194 acres of the Lost Creek Project held by Lost Creek ISR, LLC (Figures 1 and 2).
LC East:
LC East is a newly designated Project drawn in part from two large blocks of claims (RD and PN claims) obtained with the AEA, plus some New Claims recently staked by URE .
Similar to the other projects, the earliest historic ownership within what is now the LC East Project was by Wolf Land and Exploration starting in 1967. In 1969 Conoco entered into a joint venture with Wolf Land and Exploration, with Conoco acting as the operator. The next year Conoco took over the project and continued to explore the area as part of its Project A. In 1978 Texasgulf continued the activity as the operator of Project A in a joint venture with Conoco until 1983. PNC Exploration later acquired some of the ground in 1987 and held it until 2000.
| 15 |
With the resurgence of the uranium industry High Plains Uranium, Inc. (HPU) and Energy Metals Corp. (EMC) both staked claims within the current Project boundaries in 2004. The HPU controlled claims subsequently went to EMC in 2007 when that company acquired HPU. Later that year EMC was in turn taken over by Uranium One Americas, Inc. (U1). U1 maintained the claims until they were acquired by URE on February 27, 2012 via the AEA. The land obtained from U1 represents the majority of the new LC East Project.
During the winter of 2011-2012, an additional 142 of the New Claims were staked by URE and subsequently joined to the LC East Project to cover prospective areas near and adjacent to the lands acquired from U1. The LC East Project currently consists of 268 claims in 4,780 acres (see Figure 3b).
LC North:
Early historic ownership of claims within what is now the LC North Project began in 1967 and continued into the mid-1970s. Activity was dominated by Conoco, at times in a joint venture with Inexco. Climax also held property in the late 1960s but to a much lesser extent. In the mid to late 1970s Texasgulf continued as the primary operator until 1983 when they discontinued operations in the GDB.
Initial claim staking by URE in the LC North Project commenced in early 2007 when it was recognized that the mineral trends in the Lost Creek Project likely continue to the north. In late 2007, additional claims were staked west and northwest of the Lost Creek Project to cover ground where it appears probable that the MMT continues beyond the Lost Creek Project boundary. Most recently, 17 claims were added to the Project, having been obtained as part of the AEA. Also four claims located along the western edge of Section 15, T25N, R92W have been reallocated from LC North to the newly designated LC East Project.
LC South:
Wolf Land and Exploration was the earliest operator within what is now the LC South Project and was active from 1967 to 1968. Conoco then became the dominant operator through the mid-1970s, exploring the ground as part of their Project A. They were replaced by Texasgulf in 1978 when it took over operatorship of the Project A joint venture until 1983.
Acquisition by URE of the LC South Project
started in 2007. The Project’s land position was expanded to a total of 300 claims, by the end of
2008. In 2009, blocks of additional claims, adjacent and to the east, were acquired from private parties, and added to the
LC South Project. These acquisitions were followed by the staking of several claims to fill the gaps between the LC South,
EN, and Toby Projects. Eight of the New Claims were added to the Project in 2012 to complete the gap-filling activities.
In addition, as noted previously, the claims comprising the former Toby Project are now included in the LC South Project. Currently,
the LC South Project consists of 625 claims covering 11,467 acres (Figure 3d).
LC West:
This is also a newly designated Project which has been created from portions of the AEA and New Claims. The earliest known operator on this ground was Wolf Land and Exploration who drilled only a few holes in 1967. Conoco controlled most of the ground in the early 1970s within its Project A and was later succeeded by Texasgulf in the mid-1970s to early 1980s when they took control of the Project A joint venture. Acquisition via the AEA provided 36 DB claims plus one state lease (in two parcels, Figure 3e). The contribution of New Claims consisted of 106 LCW claims staked during the winter of 2011-2012. Total land holdings in the LC West Project are currently 142 claims in 2,800 acres plus 1,040 acres in one State Mineral lease.
| 16 |
EN:
The earliest operator in the EN area was Wolf Land and Exploration which held portions of the current EN ground in the late 1967s. Humble (Exxon) also controlled portions of the land through 1970. Conoco entered into a joint venture with Wolf in 1969 and eventually assumed full control through 1974 as part of their Project A. Other operators who held portions of the ground during the 1970s include Teton Exploration, Kerr-McGee, and Climax (Amax). The last historic operator was Texasgulf who held property in the late 1970s.
URE’s original land position of the EN Project began with the acquisition of 172 claims from a private party in 2006. This was augmented in 2007 with the staking of an additional 295 claims by NFU Wyoming, LLC following an evaluation of new and historic data in the vicinity. Additionally, in 2007 one state mineral lease (640 acres) was acquired. With the AEA, an additional state mineral lease (Section 16, T25N, R91W) was added to the Project to bring the current land position to a total of 467 claims covering 8,842 acres plus two state leases, covering 1,280 acres. Total acreage is 10,122 (Figure 3f).
Toby:
As mentioned above, the Toby Project has been integrated into the LC South Project. The Project originally consisted of 21 claims acquired from a private party in 2006. In 2008 an additional four claims were staked by URE to fill gaps between the Toby and LC South Projects. The total land holdings reallocated to LC South consist of 25 claims covering 472 acres (accounted for above). Minerals Exploration Company held this ground in the early 1980s and conducted extensive exploration.
| 6.2 | Exploration History |
This section presents a summary of the history and extent of exploration for uranium on the Lost Creek Property prior to acquisition by URE. No significant development work had been done within the Property by any operators previous to URE.
Exploration Summary of the Lost Creek Area:
Significant uranium exploration within the area, which currently comprises the Lost Creek Property, began in the mid-1960s. In the late 1960s several companies conducted early regional drilling operations, including Climax (Amax), Wolf Land and Exploration (Inexco), Humble Oil (Exxon) and Conoco Minerals. By the mid-1970s the land holdings in the area were concentrated largely between Texasgulf and Conoco Minerals.
Wolf Land and Exploration dominated the scene in the late 1960s and drilled hundreds of relatively wide-spaced exploration holes throughout the area that is now designated as the Lost Creek Property. They later reorganized as Inexco and entered into a joint venture with Conoco in 1969 to continue exploring the region. Conoco gained sole control of the properties in 1970 and continued to explore their large land position in the region which they operated as “Project A.” In doing so, they identified the eastern half of what is now referred to as the MMT in the Lost Creek Project and also what is herein denoted as the EMT in the LC East Project. Project A also included large portions of what are now the LC North, LC South and EN Projects.
| 17 |
Climax (Amax) held claims west of Conoco’s “Project A” but conducted only cursory exploration on them during the early 1970’s. Texasgulf entered into a joint venture with Climax in 1976 and initiated a major exploration program which resulted in the identification of the western half of the MMT. In 1978 Texasgulf joined with Conoco as operator in a joint venture to continue exploring the MMT and Project A. Texasgulf continued with extensive exploration efforts and by the early 1980s had fully identified the MMT and portions of the EMT. They subsequently dropped the property in 1983 due to the declining uranium market.
In 1981 Minerals Exploration Company drilled approximately 8 exploration holes in what is currently the western portion of the Lost Creek Project. PNC Exploration acquired the ground covering the MMT and portions of Project A in 1987. They carried-out limited in-fill exploration drilling and geological evaluations until 1996 before selling the property in 2000. No other exploration activities were conducted on the Property until acquisition by URE in 2005.
URE is in possession of virtually all of the known historic drilling data, maps and reports from Conoco, Texasgulf and PNC Exploration activities. This includes:
Geophysical logs (with
gamma),
Cutting sample and core descriptions for most holes,
Mineral intercept databases,
Location maps and drill location coordinates,
Geological interpretation maps,
Geological and resource estimation reports,
Metallurgical reports, and
Chemical analyses.
Exploration Summary of the Lost Creek Project:
| Pre-1976: | Numerous companies held the property, or portions of the property. |
Initial significant uranium mineralization was discovered by Climax Uranium (Amax) and Conoco in 1968.
115 wide-spaced holes drilled (combined)
| 1976: | Texasgulf optioned property from Valley Development Inc. 37 exploration holes drilled (west half of current Project area). |
| 1977: | Texasgulf identified the MMT in the west portion of the current Project area: 129 exploration holes drilled. |
| 1978: | Texasgulf obtained a 50% interest in the Conoco claims on trend to the east. Continued exploration drilling: 150 holes drilled. |
| 1979: | Texasgulf exercised its option with Valley Development: 17 exploration holes drilled. Leach testing was done, aimed at conventional mining. |
| 1980-1982: | Texasgulf continued to define the MMT: 79 exploration holes drilled, including 12 pump-test monitor wells. Leach tests were conducted by Wyoming Minerals Corporation on behalf of Texasgulf. (The results were later deemed of limited usefulness for ISR planning in a scoping evaluation by SKM Associates for Strathmore Resources [SKM, 1997]). |
| 1981: | Minerals Exploration Company drilled approximately 8 exploration holes in the western portions of the Lost Creek Project. |
| 18 |
| 1983-1986 | No exploration drilling activity. |
| 1987: | PNC Exploration acquired the properties. |
| 1987-1992 | PNC Exploration drilled 57 exploration holes in the area, including 36 within the current Project boundary and one core hole. |
| 1992-1999 | No exploration drilling activity. |
| 2000: | PNC Exploration sold the properties to New Frontiers Uranium, LLC. |
| 2000-2005 | No exploration drilling activity. |
| 2005 | URE acquired the property. |
At the time URE acquired the Project in 2005, a total of 559 exploration holes and 12 pump-test wells had been drilled (Table 2). The MMT was well identified and drilled-out to varying degrees of confidence. In general, drill spacing at that time was approximately:
| 20% | spacing 100 ft. or less |
| 50% | spacing roughly 200 ft. |
| 30% | spacing 400 ft. or greater |
These exploration drill results, in addition to 14 confirmation holes drilled by URE in 2005, comprised the database for the 2006 NI 43-101 resource estimate for the Project by Roscoe-Postle & Associates (RPA, 2006).
No development work was conducted on the Project by operators previous to URE. Minor exceptions to this are the 12 pump-test monitor wells installed by Texasgulf in 1982 and leach testing of core samples in 1979 and 1981.
The Lost Creek Project is currently in the late stages of permitting for ISR mining of the HJ Horizon in the MMT. Considerable pre-development drilling and testing activity has been conducted on the Project by URE in conjunction with the permitting process and in anticipation of production. This is discussed in more detail in Section 10.0.
Exploration Summary of the LC East Project:
The ground currently designated as the LC East Project has been extensively drilled in the past and can be considered to be in the mid to late exploration stage with local areas of early stage delineation. The earliest drilling was started in 1967 by Wolf Land and Exploration who was later joined in a joint venture by Conoco in 1969. Also, in 1967 Hecla Mining drilled 1 exploration hole on what is currently the LC East Project. Conoco took full control of the venture in 1970 and continued to drill the property through 1977 as part of its Project A. By that time approximately 916 exploration holes had been drilled, including 13 core holes. Abundant significant mineralization (exceeding URE’s definition of “ore-quality”: GT ≥ 0.30, grade ≥ 0.020% eU3O8) had been found and a well-defined mineral trend identified. Much of the drilling was on 200 foot spacing and in several localities went down to spacing of 100 ft. or less. Conoco carried resources on its books for this property; however it is difficult to isolate a precise value which can be allocated to the current LC East Project since their project boundaries did not coincide with URE currently defined project boundaries.
| 19 |
In 1978 Texasgulf joint ventured with Conoco as the operator on Project A. They continued defining the trend by drilling an additional 126 exploration holes through 1981, including three core holes of very shallow targets (less than 150 feet). Texasgulf discontinued their operations in the Great Divide Basin in 1983. Portions of the current LC East Project were later acquired by PNC Exploration in 1987. In 1990 they drilled 21 holes within the current LC East Project in conjunction with their activities on the MMT in the Lost Creek Project. No drilling activity has been conducted in LC East since then. PNC released the property in 2000. To date, a total of 1,063 historic exploration and delineation holes for a total of 473,682 ft. of drilling are located within the currently defined LC East Project. Drilled depths average 446 ft., ranging from 40 ft. to 2,257 ft.
Exploration Summary of the LC North Project:
The LC North Project is currently in the early to middle stage of exploration. The earliest exploration on record was several wide-spaced ‘wildcat’ drill holes in 1967 by Hecla Mining and Wolf Land and Exploration. This was followed in the late 1960s and early 1970s by more ‘wildcat’ drilling by Conoco, Inexco and Climax (Amax). Conoco also conducted some wide-spaced fence-line drilling in a few areas of interest, which included a few closer spaced holes drilled down to 150-200 foot spacing. In the late 1970s and early 1980s Texasgulf Minerals controlled the western portions of the current LC North Project and conducted some medium to wide-spaced drilling as part of their Lost Creek program. A minor amount of drilling was conducted on the Project in this time frame by Minerals Exploration Company and Wold Nuclear. No drilling activity occurred after 1982. A total of 177 historic exploration holes had been drilled within the Project prior to acquisition by NFU Wyoming, LLC (Table 2). Drilled depths ranged from 100 ft. to 1,200 ft., with an average of 600 ft. Several redox trends (defined in Section 8.0) were identified and mineral intercepts were encountered in numerous holes, including seven which exceed URE’s current definition of “ore-quality”.
Exploration Summary of the LC South Project (including formerToby Project):
The LC South Project is currently in the middle stage of exploration. Again, the earliest exploration on record was several wide-spaced ‘wildcat’ drill holes in 1967 as part of a regional joint venture operated by Wolf Land and Exploration. Conoco joined the joint venture in 1969 and carried on as the operator. It eventually took control of the venture, and between 1970 and 1975 drilled a few hundred holes within the current LC South Project. Minerals Exploration Company also drilled a few holes in 1969 within portions of land they controlled. In 1980 and 1981, Texasgulf extended its Conoco joint venture drilling activities into the current LC South Project area with approximately 150 drill holes. After 1981, no activity occurred within the Project area until acquisition by NFU Wyoming LLC.
A total of 486 historic exploration holes were drilled within the current LC South Project prior to acquisition by NFU Wyoming, LLC (Table 2). Historic drilling encountered numerous mineral trends which were investigated mainly by fence-line drilling. Spacing between fence-lines varied from 400 ft. to 1,000 ft. Within fence-lines, drilling was most commonly done on 200 ft. spacing. In the northern portions of the Project, considerable drilling was done on an approximate 200 ft. grid, including some drilling that was spaced as close as 100 ft. Drilled depths ranged from 200 ft. to 1,000 ft., with an average of 460 ft. Significant mineralization was encountered, including 47 mineral intercepts which exceed URE’s current definition of “ore-quality”.
| 20 |
The ground which formerly comprised the Toby Project was extensively drilled by Minerals Exploration Company in 1982. Their efforts identified mineralization in a shallow trend called the K-Trend which they drilled out on approximately 100 to 200 foot spacing. Approximately 101 holes were drilled to an average depth of approximately 230 ft. Most of the mineralization occurs at depths of 150 ft. or less and therefore may be near or above the water table, rendering it unsuitable for in situ recovery. Nonetheless, the trend holds significance in that its presence remains consistent with URE’s regional concept of alteration and mineralization. URE holds limited information on this drilling activity and possesses only two of the drill logs. Therefore the footage for this drilling has been excluded from Table 2, with the exception of those two holes which have been combined with the LC South data.
Exploration Summary of the LC West Project:
The LC West Project has seen only limited historic drilling and remains in the early stages of exploration. A total of 68 historic drill holes (approximately 44,564 ft.) are present within the Project. Wolf Land and Exploration drilled a few wide spaced holes in 1967, followed by several holes drilled by Conoco in the early 1970s. Texasgulf drilled approximately 33 exploration holes in portions of the Project between 1976 and 1981. Finally, Minerals Exploration Company drilled approximately 20 holes. The southern portions of the LC West Project are close to the northern extensions of the Rio Tinto Sweetwater mineral trend (previously operated by Minerals Exploration Company and subsequently also Kennecott).
Exploration Summary of the EN Project:
The EN Project is currently in the early stage of exploration. Prior to acquisition by NFU Wyoming, LLC, exploration within what is now the EN Project consisted entirely of wide-spaced historic drilling. Between the late-1960s and mid-1970s, approximately 67 holes were drilled and logged by several companies, primarily Conoco, as part of their Project A, and Humble Oil (Exxon); with minor contributions by Kerr-McGee and Teton Exploration (Table 2). The earliest known exploration was conducted by Wolf Land and Exploration in 1967. Virtually no activity occurred after the late 1970s.
Holes averaged 800 ft. in depth, with some deeper holes greater than 2,000 ft. deep. Most of the historic drilling focused on the western and southern portions of the project area. The northernmost portions of the EN Project have seen no drilling. Drilling was generally done on an irregular grid, widely-spaced on roughly half-mile centers, with varying depths. A few areas were drilled in modified fence configurations, with holes averaging 200-500 ft. apart. Significant mineralization was encountered in scattered occurrences, but was rarely further investigated with closer-spaced drilling.
| 6.3 | Previous Mineral Resource Estimates and Their Reliability |
Several historic estimations of mineral resources have been made for uranium deposits in the area of the Lost Creek Project, however, no estimation had been previously completed which could be directly applied to the Adjoining Projects within the Property. Portions of the LC South and LC East Projects had been included within resource estimations by Conoco for its Project A, however it is not possible to distinguish which portion of those resources can be applied directly to the Company’s current LC South and LC East Projects.
Table 3 outlines various historic resource estimates covering areas within the Lost Creek Property that have been conducted by several organizations since 1978. It also lists NI 43-101 compliant resource estimates for the Lost Creek Project completed since 2006 through February 29, 2012. The historic resource estimates address diverse geographical areas, various host sand horizons, and utilize different or unknown resource determination methods. Consequently, these historic estimates cannot be used as a direct comparison with the resource estimate presented in this report. Most of the earlier resource estimates did not differentiate resources in terms of currently recognized resource categories (Measured, Indicated, and Inferred). All of the resource estimates in Table 3 are superseded by the resource estimates presented in this report.
| 21 |
| 6.4 | Production History |
Within the Property area, there has been no conventional or ISR production of uranium nor any pilot plant activities. Regionally, historical production activities have been from the production of numerous underground and surface mines in the Crooks Gap / Sheep Mountain District approximately 25 miles to the north, at the Sweetwater Mine and Mill approximately three and one-half miles to the south, and limited ISR production in the Bison Basin approximately 27 miles to the northwest (Figure 2). All of these mining activities had ceased by the mid1980s.
| 7.0 | Geological Setting and Mineralization |
| 7.1 | Regional, Local, and Property Geology |
Regional and local surficial geology in the vicinity of the Lost Creek Project is shown on Figure 4. A stratigraphic chart illustrating stratigraphic relationships of Tertiary sediments in the GDB, as well as the specific Property geology are shown in Figure 6. Figure 7 provides an illustration of a conceptual uranium roll front similar to that which typically occurs within the Property.
The Lost Creek Property is situated in the northeastern part of the GDB which is underlain by up to 25,000 ft. of Paleozoic to Quaternary sediments (Figures 4 and 5). The GDB together with the Washakie Basin to the south comprise the eastern half of the greater Green River Basin, which occupies much of southwestern Wyoming. The GDB lies within a unique divergence of the Continental Divide and is bounded by structural uplifts or fault displaced Precambrian rocks, resulting in internal drainage and an independent hydrogeologic system.
Rock outcrops in the GDB are dominated by the Battle Spring Formation of Eocene age (Figure 4). The dominant lithology in the Battle Spring Formation is coarse arkosic sandstone, interbedded with intermittent mudstone, claystone and siltstone (Figure 8). Deposition occurred as alluvial-fluvial fan deposits within a south-southwest flowing paleodrainage. The sedimentary source is considered to be the Granite Mountains, approximately 20 to 30 miles to the north. Maximum thickness of the Battle Spring Formation sediments within the GDB is 6,000 ft.
Approximately six miles southwest of the Property, the Battle Spring Formation interfingers with the Wasatch and Green River Formations of equivalent age (Eocene) within a belt roughly 15 miles wide, shown in Figure 4. The Wasatch and Green River together represent low-energy fluvial, lacustrine and paludal depositional environments which are time-equivalents of the alluvial fan deposits of the Battle Spring Formation.
Deep-seated regional thrust faulting associated with the Wind River thrusting occurred at depth in the central portions of the GDB. The horizontal component of displacement is possibly greater than nine miles. However, displacement does not extend to the surface. Shallow normal faulting is also common throughout the GDB, having a preferential orientation that is generally east-west. These are relatively local and appear to be late stage events in the structural history of the Basin. Throws are generally less than 200 ft. and most commonly on the order of 25 to 50 ft.
| 22 |
Table 2: Drill Hole Summary
| LOST CREEK PROJECT | ||||||||
| YEAR | PLUG HOLES | WELLS | TOTAL | [CORED]* | ||||
| EXPLORATION | DELINEATION | MONITOR/PUMP TEST WELLS | WATER WELLS | # HOLES | FEET | |||
| Historic Holes: | 559 | 12 | 571 | 367,983 | [17] | |||
| (Historic Wells Abandoned)* | (12)* | |||||||
| 2005 | 14 | 1 | 15 | 10,880 | [9] | |||
| 2006 | 17 | 17 | 7,364 | |||||
| 2007 | 6 | 189 | 60 | 2 | 257 | 156,722 | [4] | |
| 2008** | 97 | 300 | 60 | 2 | 459 | 303,881 | [3] | |
| 2009 | 238 | 19 | 257 | 180,476 | ||||
| s 2010 | 6 | 84 | 9 | 99 | 71,388 | [1] | ||
| 2011 | 50 | 6 | 21 | 77 | 58,430 | [6] | ||
| URE Totals: | 159 | 831 | 186 | 5 | 1,181 | 789,141 | [23] | |
| (URE Wells Abandoned)* | (11)* | |||||||
| Drill Hole Totals: | 1,752 | 1,157,124 | [40] | |||||
| LC EAST PROJECT | ||||||||
| Historic Holes: | 885 | 178 | 1 | 1064 | 474,582 | [16] | ||
| Drill Hole Totals: | 1,064 | 474,582 | [16] | |||||
| LC NORTH PROJECT | ||||||||
| Historic Holes: | 177 | 177 | 119,476 | [0] | ||||
| 2007 | 30 | 30 | 35,403 | |||||
| 2011 | 105 | 1 | 106 | 101,919 | ||||
| URE Totals: | 135 | 1 | 136 | 137,322 | [0] | |||
| Drill Hole Totals: | 313 | 256,798 | [0] | |||||
| LC SOUTH PROJECT | ||||||||
| Historic Holes: | 486 | 486 | 228,414 | [1] | ||||
| 2010 | 159 | 159 | 101,111 | |||||
| URE Totals: | 159 | 159 | 101,111 | [0] | ||||
| Drill Hole Totals: | 645 | 329,525 | [1] | |||||
| LC WEST PROJECT | ||||||||
| Historic Holes: | 68 | 68 | 44,564 | [0] | ||||
| Drill Hole Totals: | 68 | 44,564 | [0] | |||||
| EN PROJECT | ||||||||
| Historic Holes: | 67 | 67 | 55,872 | [0] | ||||
| 2007 | 3 | 3 | 8,590 | |||||
| 2008 | 11 | 1 | 12 | 11,389 | ||||
| URE Totals: | 14 | 1 | 15 | 19,979 | [0] | |||
| Drill Hole Totals: | 82 | 75,851 | [0] | |||||
| GRAND TOTALS - LOST CREEK PROPERTY [All Projects] | ||||||||
| PLUG HOLES | WELLS | TOTAL | [CORED]* | |||||
| EXPLORATION | DELINEATION | MONITOR/PUMP TEST WELLS | WATER WELLS | # HOLES | FEET | |||
| HISTORIC HOLES | 2,242 | 178 | 12 | 1 | 2,433 | 1,290,891 | [34] | |
| UR-ENERGY | 467 | 831 | 186 | 7 | 1,491 | 1,047,553 | [23] | |
| * Cored holes and abandoned wells are secondary categories and are counted within other categories | ||||||||
| ** Excludes Deep Disposal Well [LC DW No. 1] | ||||||||
| 23 |
Table 3: Previous Resource Estimates
Total Resource (Geol. Inplace) |
Avg. Grade | LEVEL OF CONFIDENCE | ||||||||||||
| Date | Company | Cutoffs | TF | Comments | Measured | Avg. Grade |
Indicated | Avg. Grade |
Inferred | Avg. Grade | ||||
| 10/4/1978 | Texasgulf (Freeman,Limbach) 1 | 8,246,876 | 0.045% | 10'-0.025% | ----- | ----- | 6,468,515 | 0.047% | 1,778,361 | 0.039% | ||||
| 2/1/1981 | DOE 4 | 6,378,000 | 0.057% | 0.03% | p. 31, in-place resources | Not differentiated | ||||||||
| 2/1/1981 | DOE 4 | 8,908,571 | 0.041% | 0.02% | p. 31, in-place resources | Not differentiated | ||||||||
| 2/9/1981 | Wyoming Minerals 2,5,4 | 11,008,893 | 0.073% | 5'-0.05% | Not differentiated | |||||||||
| 6/5/1981 | Texasgulf 4 | 9,072,333 | 0.061% | 5'-0.03% | Polygon method | Not differentiated | ||||||||
| April,1982 | Texasgulf (Mouillac & Stewart) 3, 8 | 5,715,413 | 0.062% | 5'-0.03% | 16.0 | Polygon method | Not differentiated | |||||||
| 3/31/1989 | PNC Exploration-Halliwell 5 | 8,072,334 | 0.061% | 5'-0.05% | 16.0 | Polygon method | Not differentiated | |||||||
| Jan. 1996 | PNC Exploration (F.Groth) 6 | 7,908,605 | 0.05% | Not differentiated | ||||||||||
| 5/31/2005 | URE (Douglas) 7 | 9,021,371 | 0.055% | .03% , GT.30 | 16.0 | Cumulative GT/hole | ----- | ----- | 8,122,287 | 0.055% | 900,000 | 0.055% | ||
| 6/15/2006 | URE-NI 43-101 (Roscoe-Postle) 8,9 | See totals to right | 0.059% | 3'-.03%, GT.30 | 16.0 | Cumulative GT/hole (Ind + Inf) | ----- | ----- | 9,822,356 | 0.058% | 1,111,380 | 0.076% | ||
| 10/30/2006 | URE (Douglas) 10 | 6,787,000 | 0.059% | .03% , GT.30 | 16.0 | Cumulative GT/horizon | Not differentiated | |||||||
| 4/2/2008 | URE-Amended NI 43-101 (Lyntek) 11 | See totals to right | 0.054% | .03% , GT.30 | 16.6 | Cumulative GT/hole (Ind + Inf) | ----- | ----- | 9,200,000 | 0.053% | 700,000 | 0.066% | ||
| 3/16/2011 | URE -Prelim Assessment-(Trec) 12 | See totals to right | 0.055% | .02% , GT.30 | 16.6 | GT Contour/horizon [HJ, KM only] | 2,655,000 | 0.052% | 2,568,000 | 0.060% | 783,000 | 0.051% | ||
| 2/29/2012 | URE -Prelim Economic Assessment-(Cooper & Bull)13 | See totals to right | 0.055% | .02% , GT.30 | 16.6 | GT Contour/horizon [All Horizons] | 2,942,900 | 0.055% | 2,822,400 | 0.058% | 2,017,800 | 0.049% | ||
| 1. | Lost Creek- Conoco Reserves; P. Freeman, F. Limbach; October 4, 1978; Texasgulf internal report. |
| 2. | Appendix C, Resource Update as of 2/9/81; Unattached document, Texasgulf. |
| 3. | Geology and Control of the Uranium Mineralization on the “Main Mineral Trend” – Recommendations for the 1982 Program;. J. Mouillac and M. Stewart, April 1982; Texasgulf internal report. |
| 4. | Lost Creek and Conoco Uranium Projects, Texasgulf Minerals and Metals, Inc.; January 1984, p. 31. |
| 5. | PNC Exploration (USA), Red Desert Project, D. Halliwell, March 31 1989, p. 17. |
| 6. | ISL Addressable Reserve Estimate for PNC’s Red Desert Uranium Project; F. Groth; January 29, 1996; Internal report for PNC. |
| 7. | Evaluation of Resources, Lost Creek Uranium Deposit; Richard Douglas, May 31, 2005; Ur-Energy USA, internal report. |
| 8. | Technical Report on the Great Divide Basin Uranium Properties, Wyoming Prepared for Ur-Energy Inc.; Stewart Wallis, P. Geo, Roscoe Postle, June 15, 2005, Revised October 15, 2005. |
| 9. | Technical Report on the Lost Creek Project, Wyoming, NI 43-101 Prepared for Ur-Energy; Stewart Wallis, P. Geo, Roscoe Postle, June 15, 2006. |
| 10. | Geological Report on the Lost Creek Uranium Deposit; Richard Douglas, October 30, 2006 Ur-Energy, internal report. |
| 11. | Amended NI 43-101 Preliminary Assessment for the Lost Creek Project, April 2, 2008, as amended February 25, 2011; J. Kyle, PE, D. Maxwell, PE, Lyntek, Inc. and Stewart Wallis, P. Geo. |
| 12. | Preliminary Assessment Lost Creek Property Sweetwater County, Wyoming; D. Graves, PE, M. Yovich, PE, TREC, Inc., and R. Maxwell, CPG, Behre Dolbear & Company (USA), Inc.; March 16, 2011 |
| 13. | Preliminary Economic Assessment of the Lost Creek Property, Sweetwater County, Wyoming; J. K. Cooper, SME Registered Member & C. L. Bull, PE, Ur-Energy, Inc., February 29, 2012 |
| 24 |
Strata within the GDB generally exhibit gentle dips of one to three degrees, increasing to as much as 20 degrees in some locations along the basin margin. Gentle folding during late Eocene accompanied late-stage regional thrusting; therefore broad anticlinal and synclinal folds are present within the Battle Spring Formation. Similar to the shallow normal faulting, the fold axes generally are oriented east-west.
Uranium deposits in the GDB are found principally in the Battle Spring Formation, which hosts the Lost Creek Project deposit. Lithology within the Lost Creek deposit consists of approximately 60% to 80% poorly consolidated, medium to coarse arkosic sands up to 50 ft. thick, and 20% to 40% interbedded mudstone, siltstone, claystone and fine sandstone, each generally less than 25 ft. thick. This lithological assemblage remains consistent throughout the entire vertical section of interest in the Battle Spring Formation. Figure 8 illustrates a Type Log for the Lost Creek Project and is indicative of the entire Property.
Outcrop within the Property is exclusively that of the Battle Spring Formation. Due to the soft nature of the Formation, this occurs largely as sub-crop beneath the soil. Stratigraphy throughout the Property is relatively consistent and has been subdivided into several thick sand horizons with intervening named mudstones (Figures 6, 8,10a, and 10b). Provided below is a brief description of each named stratigraphic unit or “Horizon” for the Lost Creek Project. While generalizations about lithology and thickness can be made about these Horizons throughout the entire Property, depths below ground surface (bgs) at which a given horizon can be encountered may vary greatly due to regional stratigraphic dip and displacement due to normal faulting.
DE Horizon -- The DE Horizon is locally absent in the northern and southern portions of the Lost Creek Property, having been removed by erosion. This Horizon consists of a sequence of sands and discontinuous clay/shale units. In portions of the Lost Creek Project, the lower shale boundary is absent such that the sands of the DE Horizon coalesce vertically with sands of the underlying FG Horizon. In the Lost Creek Project, the top of the unit ranges from 80 to 200 ft. bgs and is approximately 80 ft. thick where the entire section is present.
EF Shale -- Underlying the DE is the EF Shale interval. It can be characterized as mudstone or claystone, interbedded commonly with silt and sand. This unit is not always present due to the coalescing nature of the DE and FG sands.
FG Horizon -- In the Lost Creek Project, the top of the FG Horizon occurs at depths of approximately 150 to 300 ft. bgs. The total thickness of the FG Horizon is approximately 160 ft. The FG is generally composed of fine to coarse-grained arkosic sands with thin discontinuous intervals of fine sand, mudstone and siltstone. Stratigraphically, the FG Horizon is subdivided into the Upper FG (UFG), Middle FG (MFG) and the Lower FG (LFG). The FG contains significant mineralization in both the Lost Creek and LC East Projects.
Lost Creek Shale (LCS) -- Underlying the FG Sands is the Lost Creek Shale. The Lost Creek Shale is continuous across the Project, ranging from 5 to 45 ft. in thickness. Typically, this unit has a thickness of 10 to 25 ft. Its lithology is dominated by silty mudstone and dense claystone. It commonly includes siltstone, and may locally be sandy or contain thin lenticular sands.
| 25 |
HJ Horizon -- The HJ Horizon is the primary target for uranium production at the Lost Creek Project and is the dominant host for mineralization in the MMT and the EMT. The HJ Horizon has been subdivided into four sub-units: Upper HJ (UHJ), Middle HJ1 (MHJ1), Middle HJ2 (MHJ2) and the Lower HJ (LHJ). These sub-units are generally composed of coarse-grained arkosic sands, locally with thin discontinuous intervals of fine sand, siltstone and mudstone. Likewise, the four sub-units are separated by locally continuous mudstones and siltstones. The bulk of the uranium mineralization is present in the two MHJ sub-units. The total thickness of the HJ Horizon ranges from 120 to 140 ft., averaging approximately 130 ft. The top of the HJ Horizon ranges from approximately 300 to 450 ft. bgs within the Lost Creek Project.
Sagebrush Shale (SBS) -- Beneath the HJ Horizon is the Sage Brush Shale. Within the Lost Creek Project the top of this shale ranges from 450 to 550 ft. bgs. The Sage Brush Shale is laterally extensive and ranges from 5 to 75 ft. in thickness. Lithology of the Sage Brush Shale is typically that of claystone and mudstone with interbedded silts and thin sands.
KM Horizon -- The KM Horizon is present beneath the Sage Brush Shale. The KM Horizon is generally coarse sandstone with discontinuous fine sandstone and mudstone intervals. The KM has also been further subdivided into the Upper KM (UKM) and the Lower KM (LKM). The KM Horizon is host to a significant portion of mineralization within the Lost Creek Project and therefore is a potential production aquifer. It also hosts resources in the LC East Project within the EMT. The top of the KM Horizon is usually between 450 and 600 ft. bgs within the Lost Creek Project.
L, M, and N Horizons -- These horizons are collectively referred to by the Company as the “Deep Horizons” and occur within a 300 to 350 ft. interval below the KM Horizon. They consist of lithologies identical to that of the HJ and KM Horizons. Currently they are the targets of exploration activities. Individually each is approximately 100 ft. thick and is composed of multiple, stacked, coarse sands which are commonly separated by relatively thin, discontinuous shaley zones.
East-west oriented normal faulting is common within the central portions of the GDB. These appear to be the product of relatively late-stage structural adjustments. The last displacement of these faults is post-mineralization and has offset mineralization. The MMT within the Lost Creek Project is bisected by a normal fault system, referred to as the Lost Creek Fault, consisting of two faults, roughly parallel, trending east-northeast to west-southwest (Figure 9). The easternmost main fault is down-thrown to the south with a maximum displacement of approximately 80 ft. A secondary fault is positioned along the western portion of the MMT and is located 800 to 1,600 south of the easternmost fault to which it is sub-parallel. This westernmost fault displays opposite displacement, downthrown to the north, with a maximum displacement of approximately 50 ft. The last displacement of these faults is post-mineralization and has offset the mineral deposit. Pump-testing and monitoring on both sides of the fault have demonstrated that the fault plane is effectively sealed and thus represents a hydrologic barrier or boundary condition. A third fault within the Lost Creek Project exists roughly 3,800 ft. north of the MMT and has displacement ranging from approximately 20 ft. to 80 ft. Due to its distance from the MMT it will have no effect on planned production.
| 26 |
Additional faults have been identified in the northern portions of the LC South Project, where there is an east-west trending fault that has a displacement of up to 160 ft. (Figure 9). Also, three faults have been identified in the southern portions of LC East Project which exhibit displacement of from 40 ft. to 80 ft. The resulting opposing displacements on many of these various faults produce horst and graben features that are local to portions of the Lost Creek Property.
| 7.2 | Hydrogeology |
The Property is located within the northeastern portion of the GDB. Due to a divergence in the Continental Divide, the basin is topographically closed, with all surface water draining to the interior of the basin. Available data suggest that groundwater flow within the basin is predominately toward the interior of the basin (Collentine et al., 1981 and Welder, 1966).
Most of the surface water is runoff from precipitation or snowmelt. It quickly infiltrates the vadose zone and recharges the shallow groundwater, evaporates, or is consumed by plants through evapotranspiration. The shallowest aquifer within the Battle Spring Formation underlying the Property area is unconfined, poorly consolidated, and poorly stratified. The shallow water table is typically 80 to 150 ft. bgs.
Green Mountain, which is approximately 15 miles north of the Property, is a major recharge area for aquifers within the northeastern portion of the GDB (Fisk, 1967). The Rawlins Uplift, Rock Springs Uplift, and Wamsutter Arch, located east, southwest, and southeast, respectively, from the Property, are also identified as major recharge areas for aquifers within the GDB (Fisk, 1967). The main discharge area for the Battle Spring/Wasatch aquifer system is a series of lakes, springs and playa lake beds near the center of the basin. Ground water potentiometric elevations within the Tertiary aquifer system in that portion of the basin are generally near the land surface.
The Battle Spring Formation crops out over most of the northeastern portion of the GDB, including all of the Property (Figure 4). It is considered part of the Tertiary aquifer system by Collentine et al. (1981), which is viewed as the hydrogeologic sequence of interest within the GDB. This regional aquifer system includes the laterally equivalent Wasatch Formation (to the west and south) and the underlying Fort Union and Lance Formations (Figure 5). The base of the Tertiary aquifer system is marked by the top of the Lewis Shale. The Lewis Shale is generally considered a regional aquitard, although this unit does produce limited amounts of water from sandstone lenses at various locations within the GDB and to the south in the Washakie Basin. Units deeper than the Lewis Shale are generally too deep to economically develop for water supply or have elevated total dissolved solid concentrations that render them unusable for human consumption. Exceptions to this can be found along the very eastern edge of the basin, tens of miles from the Project, where some Lower Cretaceous and older units provide relatively good quality water from shallow depths.
Shallower aquifer systems that can be significant water supply aquifers within the GDB include the Quaternary and Upper Tertiary aquifer systems. The shallower aquifer systems are important sources of ground water only in localized areas, typically along the margin of the basin where the Battle Spring Formation is absent. Aquifer systems beneath the Tertiary include the Mesaverde, Frontier, Cloverly, Sundance-Nugget and Paleozoic aquifer systems (Collentine, 1981). In the northeast GDB, these aquifer systems are important sources of water only in the vicinity of their outcrops near structural highs such as the Rawlins Uplift.
| 27 |
Hydrologic units of interest within the northeast GDB from deepest to shallowest include the following:
| · | Lewis Shale (aquitard between Tertiary aquifer system and Cretaceous Mesaverde aquifer system); |
| · | Fox Hills Formation (Cretaceous); |
| · | Lance Formation (Tertiary aquifer system); |
| · | Fort Union Formation (Tertiary aquifer system); |
| · | Battle Spring Formation-Wasatch Formation (Tertiary aquifer system); |
| · | Undifferentiated Tertiary Formations (Upper Tertiary aquifer system, including Bridger; Uinta, Bishop Conglomerate, Browns Park, and South Pass). These units are not present within the Property. |
| · | Undifferentiated Quaternary Deposits (Quaternary aquifer system). |
Nomenclature for the hydro-stratigraphic units of interest within the Lost Creek Property is synonymous with the Property’s stratigraphic horizon names (Figure 6). The shallowest occurrence of groundwater within the Lost Creek Project area occurs near the base of the DE Horizon. The DE Horizon, however, is not saturated in all portions of the Lost Creek Project and is not defined as a groundwater unit. Below the DE is the FG, which is the first major saturated unit. The basal sand unit of the FG is designated as the overlying aquifer for the HJ.
The primary uranium production aquifer is identified as the HJ Horizon. The HJ Horizon is bounded above and below by extensive confining units identified as the Lost Creek Shale and the Sage Brush Shale, respectively. The confining characteristics of these units have been demonstrated with pump tests performed by URE and are considered regional aquitards; therefore the HJ Horizon as a whole is hydrologically a confined aquifer. However, the four sub-units within the HJ Horizon are commonly separated by thin clayey units that are not laterally extensive and, based on pump test results, are not confining with respect to each other and do not prevent vertical movement of ground water within the HJ.
Potentiometric surface data in the HJ Horizon indicate that the Lost Creek Fault provides a significant vertical hydraulic barrier to groundwater flow. The potentiometric surface on the north side of the fault is 15 ft. higher than on the south side. The hydraulic barrier effect of the fault was confirmed during a long-term pump test in 2007. Potentiometric data indicate that within the Lost Creek Project groundwater flows to the west-southwest, generally consistent with the regional flow system.
Beneath the HJ Horizon and the Sage Brush Shale is the KM Horizon. The KM Horizon represents the underlying aquifer to production in the HJ Horizon. It also contains mineralization and therefore is a potential secondary production aquifer. Inversely, the lowermost sand of the HJ Horizon, the LHJ, is designated as the overlying aquifer for the potential production in the KM Horizon. Both the underlying confining unit to the KM Horizon and the corresponding underlying aquifer have yet to be determined and are the subject of an ongoing investigation.
The deeper sand horizons, the L, M and N, are separated by shaley aquitards, however there is insufficient data at this time to substantiate that these aquitards are regionally continuous.
| 28 |
URE has been collecting lithologic, water level, and pump test data as part of its ongoing evaluation of hydrologic conditions at the Lost Creek Project. In addition to URE’s data collection, historical hydrogeological data collected for Texasgulf (Hydro-Search, Inc., 1982) were used to support this evaluation. Water level measurements, both historical and recent, provide data to assess potentiometric surface, hydraulic gradients and inferred ground water flow directions for the aquifers of interest at the Project. A long-term pump test (Petrotek Engineering Corporation, 2007) and several shorter-term pump tests (Hydro-Engineering, 2007), as well as the pump tests conducted for Texasgulf (Hydro-Search, Inc., 1982), were used to evaluate hydrologic properties of the aquifers of interest, to assess hydraulic characteristics of the confining units, and to evaluate impacts to the hydrologic system of the fault through the Lost Creek Project.
The Technical Report portion of the Lost Creek ISR, LLC application for NRC Source and Byproduct Materials License, Section 2.7, concludes that the uranium-bearing sandstone horizons within the upper Battle Spring Formation appear to be suitable targets for ISR operations. The primary production zone aquifer (HJ Horizon) is bounded by laterally extensive upper and lower confining units, as demonstrated by static water level differences and responses to pump tests. Aquifer properties (transmissivity, hydraulic conductivity and storativity) are within the ranges observed at other ISR operations that have successfully extracted uranium. Water quality is generally consistent throughout the hydro-stratigraphic units of interest. Elevated radionuclides are present in the groundwater, but this is consistent with the presence of uranium mineralization within the sandstones. The Lost Creek Fault acts as a hydraulic barrier to flow and will be considered in mine unit design and operation (Ur-Energy, 2007a, b). Hydrologic information indicates that the Project is suitable for ISR mining.
No hydrogeological studies have been conducted in the past within the LC East Project area. However, the similarity in geologic setting implies that the hydrogeology is very similar to that of the Lost Creek Project. Therefore, the static water level at LC East has been assumed to be approximately at 150 to 200 ft. (bgs) and only mineralization below this depth is considered amenable to in situ recovery.
| 7.3 | Mineralization of the Lost Creek Project |
Mineralization of the Lost Creek Deposit and Adjoining Projects occurs as roll front type deposits. Roll front type deposits are further described in Section 8.0.
The most significant mineral resources in the Lost Creek Property occur within two major stratigraphic horizons within the Battle Spring Formation: the HJ and the KM Horizons. The HJ Horizon carries the large majority of the currently defined mineral resources and has been the subject of the permitting process. As discussed earlier, the HJ Horizon is subdivided into four stratigraphic sub-units which are also applied to resource reporting. The richest concentration of uranium mineralization occurs in the MHJ sub-horizon. Each sub-unit, in turn, consists of multiple mineralized roll fronts. The HJ Horizon, as a whole, contains up to 11 individual roll fronts within a stratigraphic interval of approximately 130 ft.
The KM Horizon underlies the HJ Horizon and contains additional significant mineralization which will be targeted for production later in the Lost Creek Project mine plan. Mine approvals for the KM Horizon will be addressed by amendment to the mine license/permits. To date, a total of nine individual roll fronts have been identified in the KM Horizon within a stratigraphic interval of approximately 100 ft. Roll fronts in both the HJ and KM Horizons extend beyond the limits of the MMT as discussed below in Section 9.2.
| 29 |
The combined HJ and KM mineral trend, generally referred to as the MMT, extends in an east-northeast to west-southwest orientation for nearly three miles. The composite width of the mineral trend varies from 500 to 2,000 ft. Individual roll fronts within the deposit are typically 25 to 75 ft. wide and are very sinuous. They are stacked vertically and commonly overlie each other in a complex, erratic, anastomosing pattern in plan-view, as illustrated in Figure 9.
Mineralization has also been identified along the MMT within horizons both above and below the HJ and KM. Shallower units, the FG Horizon, and to a lesser extent the DE Horizon, both contain numerous occurrences of mineralization. These horizons have not been specifically targeted by recent drilling. Rather, current knowledge of these occurrences was derived from drilling which targeted deeper horizons. URE has recently conducted a thorough review of the mineralization within the FG and the results are contained within the current resource estimate. Currently recognized mineralization within the DE, however, was deemed insignificant and therefore not included in the resource estimate reported herein. Furthermore, most of the DE Horizon lies above the water table and thus is not amenable to in situ recovery.
Mineralization has been recognized in horizons deeper than the KM: the Deep Horizons (L, M and N). Recent and historic drill hole data confirm multiple roll fronts with Inferred resources in these horizons within portions of the Lost Creek Project. In addition, redox fronts (defined in Section 8.0) within these same horizons have been identified in other areas of the Property. These occurrences are discussed in Section 9.0 (Exploration). URE anticipates future exploration drilling to further define the resource potential of these stratigraphic horizons.
Depth to the top of any given unit can vary from one end of the MMT to the other by up to 220 ft. due to the regional dip of one to three degrees, and to displacement by normal faulting. Within the Lost Creek Project the depth to mineralization in the HJ Horizon ranges from approximately 320 to 600 ft., averaging 435 ft. In the KM Horizon, mineralization ranges from 425 to 685 ft., averaging 515 ft.
The geometry of mineralization is dominated by the classic roll front “C” shape or crescent configuration at the alteration interface (Figure 7). The highest grade portion of the front occurs in a zone termed the “Nose” within reduced ground just ahead of the alteration front. Ahead of the Nose, at the leading edge of the solution front, mineral quality gradually diminishes to barren within the ‘Seepage’ zone. Trailing behind the Nose, in oxidized (altered) ground, are weak remnants of mineralization referred to as “Tails” which have resisted re-mobilization to the Nose due to association with shales or other lithology of lower permeability. Tails are generally not amenable to in situ recovery because the uranium is typically found within strongly reduced and impermeable strata, therefore making it difficult to leach.
Thickness of mineralization within each roll front may vary from 5 to 25 ft. thick. Typical thickness is from 10 to 15 ft. Strata within the deposit are nearly horizontal; therefore data derived from vertical down-hole gamma logs can be considered reasonable measures of true thickness. Mineral intercepts of over 25 ft. in total thickness are common where multiple roll fronts occur stacked on top of each other. Average grade within the Lost Creek MMT is approximately 0.057% eU3O8.
Resource calculations presented herein address mineral intercepts which exceed a minimum cutoff GT value of 0.30 (%ft) and a minimum grade cutoff of 0.020% eU3O8. Mineral intercepts not making those cutoffs have been excluded from resource calculations. An NI 43-101-compliant estimate of the mineral resources identified within the Lost Creek Property is summarized in Section 14.0.
| 30 |
Mineralogy of the zone of interest has been studied in thin section and by x-ray diffraction analysis. Mineralogical analyses were conducted in 1979 by Russell Honea (Honea 1979a and b), and in 2007 by Hazen Research (Hazen, 2007) on samples derived from core. Results indicate that the uranium occurs primarily as the mineral coffinite (uranium silicate) in the form of micron- to submicron-size inclusions disseminated in and on interstitial clay, possibly absorbed by cation exchange; also intimately interspersed through some of the pyrite and as partial coatings on quartz and biotite. Minor amounts of uraninite (uranium oxide) and brannerite (uranium-titanium oxide) have also been identified. Clay rich fractions are predominantly smectite (montmorillonite), with minor kaolinite.
The Hazen Research analysis concluded that uranium should be recoverable by an ISR operation because of the unconsolidated nature of the sandstone and expected diffusion of the lixiviant through the smectite minerals. Recoverability has been confirmed by leach testing results (Section 13.0).
| 7.4 | Mineralization of Adjoining Projects |
The status of Adjoining Projects in the Lost Creek Property ranges from early to late exploration stages to delineation stage. URE geologists have reviewed data from historic and recent exploration drill holes throughout the Property. Their evaluations indicate roll front trends present in the Lost Creek Project extend northerly and southerly into the Adjoining Projects, which has been confirmed by the Company’s recent drilling programs.
Based on their evaluations, URE geologists believe that at least two regional alteration cells can be identified on the Lost Creek Property. The MMT is a local, but not unique, occurrence of mineralization within those regional cells. Mineralization observed within the EMT in LC East Project and that in the other Adjoining Projects exhibits similar roll front characteristics as observed in the MMT, and is believed to be the product of the same regional geochemical cells as those associated with that deposit. Similar to the Lost Creek Project, the mineralization on the Adjoining Projects occurs as multiple roll fronts, each typically 25 to 75 ft. wide. These roll front trends are found within stratigraphic intervals from near surface to over 1,000 ft. in depth, including the same HJ and KM Horizons which host the MMT. Where significant mineralization has been identified along these fronts, Inferred mineral resources have been estimated and are discussed in Section 14.5 of this document.
The recently added LC East Project is considered to be in the late exploration to early delineation phase, with some areas of drilling on closer than 100 ft. spacing. The EMT represents approximately six and one-half miles of stacked roll fronts oriented generally southwest to northeast (Figure 9). As on the Lost Creek Project, the HJ and KM Horizons contain the vast majority of the mineralization. Mineralization within the HJ horizon ranges in depth from approximately 100 ft. to 400 ft. bgs., and within the KM ranges from approximately 200 ft. to 500 ft. bgs. Due to regional dip and normal faulting the depths to like mineralized horizons can vary by approximately 300 ft. from the northern to southern ends of the LC East Project. Mineralization has also been identified within shallower the FG Horizon and to a lesser degree within the Deep Horizons L and M. Quality of mineralization is consistent with that in the same horizons within the Lost Creek Project. The average grade for the Measured plus Indicated resources within the EMT is approximately 0.048%.
Regional roll front trends which have been recognized within the Adjoining Projects represent, in composite, a total of approximately 35 linear miles of trend. Most of these remain untested. Employing the MMT as a model, URE geologists believe there may be additional mineral resources within the Adjoining Projects. Results from recent drilling campaigns (Section 9.2) are consistent with this assumption.
| 31 |
| 7.5 | Disequilibrium |
Uranium values derived from gamma data are termed “radiometric” values and are assumed to be equivalent (eU3O8) to true uranium values if equilibrium is present. Therefore, equilibrium exists when the ratio of radiometric eU3O8 to true chemical U3O8 is 1. This can be determined by obtaining physical samples of the mineralized formation and conducting laboratory analyses of their uranium content; or by modern logging methods, including Prompt Fission Neutron logging (PFN). The true uranium content thus derived is then compared to the radiometric values in terms of GT on a per-mineralized intercept basis. The uranium content used by URE to develop the mineral resource estimates in Section 14.0 has been derived mainly from radiometric geophysical logs (gamma logs) from which the uranium content is interpreted assuming radiometric equilibrium. Justification for this interpretation method is described below.
Disequilibrium in roll front deposits becomes an issue largely because of the possibility of remobilization of uranium during the roll front formation process, or possible dispersion by modern shallow oxidizing groundwater. Each circumstance may lead to separation of uranium from its gamma-emitting daughter products, most significantly bismuth isotope 214 (214Bi), which is the isotope most strongly detected by gamma logging. Since the presence of uranium is traditionally detected using gamma measurements, disequilibrium conditions could result in erroneous estimation of uranium values.
Disequilibrium within the MMT in the Lost Creek Project has been studied extensively. Core of selected mineralized zones from historic drilling and drilling conducted by URE from 2005 through 2010 have been analyzed for chemical uranium on one-foot depth intervals. Detailed comparisons of laboratory results with mineralization derived from gamma logs have been performed.
In addition, PFN technology has been available for use at the Lost Creek Project drilling campaigns since 2008. The PFN tool provides a direct down-hole analysis of uranium by means of in-place fission of 235U initiated by the emission of high energy neutrons. Output of the PFN logging is in much the same format as that from the gamma logging tool. Comparison of the mineralization reported by each method has been evaluated in detail on a per-mineral intercept basis. For any given intercept, GT values are derived from both the gamma and PFN data. A Disequilibrium Factor (DEF) is then reported as the ratio of GT values: PFN GT ÷ Gamma GT. Thus, a value greater than 1.0 indicates chemical enrichment compared to gamma, and a value less than 1.0 represents chemical depletion.
Mineral intercepts within virtually all stratigraphic horizons and roll front zones have been PFN-logged. PFN sampling methods are discussed in Section 11.0. In the Lost Creek Project, a total of 445 mineral intercepts within 214 drill holes have been logged using PFN technology.
Detailed evaluation of the core and PFN results indicates that the MMT as a whole is in equilibrium. In general, DEF variability can be observed, but when charted is quite scattered and appears random. No discernible pattern of DEF in any given area could be detected as an indicator of remobilization. A statistical analysis of the data revealed that the deposit exhibits disequilibrium characteristics consistent with a relatively stable roll front deposit, including slight chemical enrichment common in the reduced facies of the Nose and Seepage zones where the vast majority of resource resides. Conversely, a slight depletion is recognized in oxidized facies behind the front. A statistical average of all significant mineral intercepts analyzed with PFN in the MMT yielded an average DEF of 1.06, or slightly enriched.
| 32 |
Within the land currently covered by the LC East Project, Conoco drilled 13 historic core holes in 1969 and 1970 which sampled the HJ and KM Horizons. One core hole involved side-wall coring, which URE considers to be of limited value. Data from the remaining 12 core holes have been evaluated for disequilibrium characteristics by URE geologists. Approximately half of those are hindered by incomplete core recovery and questionable data; however some general observations can be made. Mineralization occurring within reduced sand facies is normally in equilibrium and sometimes strongly enriched chemically. However it appears that portions of the mineral trend have experienced a surge of late stage, post-roll front oxidation from an unknown source resulting in localized zones of alteration which are not reflected in the gamma signature of mineral intercepts. Core analyses show that uranium content is significantly depleted within these altered zones while, conversely, uranium is commonly significantly enriched in adjacent reduced facies. This suggests remobilization of uranium and subsequent re-deposition within the roll front system in portions of the LC East Project.
The amount and spacing of historic core data is insufficient to fully evaluate the impact of this circumstance. It is presumed however, based on the 12 core holes, that remobilization and re-deposition of uranium occurred within only a few tens of feet and remains within the confines of potential production wellfields. That being the case, the net result is that resource estimations based on gamma data remain valid, however the precise location of resources based on gamma logs may need to be confirmed and possibly adjusted by means of PFN logging. URE plans to conduct a thorough investigation of the remobilization issue during its first drilling campaign to gain a more complete understanding of the situation.
In summary, all resource estimations herein have been based on radiometric data derived from gamma-logs employing a DEF value of 1.0 (equilibrium). As discussed above, the core and PFN results in the Lost Creek Project confirm that the resources in the MMT (Section 14.0) do not need to be adjusted for chemical disequilibrium. Mineralization within the EMT in the LC East Project displays indications of remobilization; however it is accepted that resources based on gamma data remain valid, pending confirmation by PFN logging (see also Section 11.0).
| 8.0 | Deposit Type |
Uranium mineralization identified throughout the Property occurs as roll front type deposits, typical in most respects of those observed in other Tertiary Basins in Wyoming. Figure 7 illustrates the geometry and mineralogical model of a typical roll front uranium deposit. The formation of roll front deposits is largely a groundwater process that occurs under favorable geochemical conditions. The most favorable host rocks for roll fronts are permeable sandstones within large aquifer systems. Interbedded mudstone, claystone and siltstone are often present and aid in the formation process by focusing groundwater flux.
The source of the uranium within the Lost Creek Property is speculative. Boberg (2010) suggests that the source within this portion of the Wyoming Uranium Province is a combination of: (1) leaching of uraniferous Oligocene volcaniclastics which once covered the basins and (2) weathering and leaching of uraniferous Archean granite of the Granite Mountains (north of the GDB) which also represent the provenance of the arkosic sands comprising the Battle Spring Formation.
| 33 |
Oxygenated surface water passing through the overlying thick sequences of volcaniclastic material, leached metals, including uranium. These metal-enriched fluids may have also leached additional uranium from the granitic content of the arkosic sands which compose the aquifers. The enriched, oxidizing fluids subsequently entered the regional groundwater systems within the basin and migrated down-dip through the aquifers as large oxidizing geochemical cells referred to as solution fronts.
Uranium precipitated in the form of roll front deposits at the leading edge of the geochemical cells where they encountered reducing geochemical environments within the host sands. Mineral quality was enhanced where groundwater flux was focused horizontally by paleochannels or vertically by aquitards. Continuity of these conditions produced a significant accumulation of uranium at the reduction-oxidation (redox front) interface. In addition, the continued supply of oxygen to the interface leads to degradation of the reducing environment and results in migration down-dip of the redox interface, remobilizing the associated uranium with it. In this manner the uranium deposit slowly migrated down-dip over geologic time.
The reducing environment in the host sand is generally the result of carbonaceous material or leaked reductant gases within the formation originating from deep hydrocarbon sources. Pyrite is inherently associated with both and is the largest contributor to the reducing environment. Reduced sands are typically some shade of gray. The reducing environment is altered by the passage of the oxidizing solution front. At the same time, pyrite and other iron bearing minerals are oxidized to hematite or limonite/goethite and the carbonaceous material is largely destroyed. As a result, altered (oxidized) sands are typically reddish or yellowish in color.
Mineralization within a roll front varies considerably in size and shape, but is generally long, narrow and sinuous in map view. The total length of a mineral trend may extend for several miles. Commonly, a deposit or mineral trend will consist of a composite of multiple, vertically-stacked roll fronts. Typical width of an individual roll front is generally 25 to 100 ft. However, in the case of multiple stacked fronts, the composite width may be several hundred feet across. Typical thickness of an individual roll front is roughly 5 to 25 ft. and the composite thickness of multiple, vertically stacked fronts may occupy as much as 200 ft.
As described above, the MMT, the EMT and extension trends throughout the Property are the product of large regional geochemical cells which resulted in a complex composite of multiple, stacked roll fronts at the reduction-oxidation interface. The roll front model and associated mineralization trends are the basis upon which the development program and exploration programs are planned.
| 9.0 | Exploration |
Drilling remains the primary method for uranium roll front exploration. Virtually no other exploration methods have been employed within the Property. This is consistent with conventional practices for roll front uranium exploration in Wyoming basins.
| 34 |
Previous (historic) exploration efforts, conducted in the Property area by numerous companies, are described in Sections 6.1 and 6.2. Exploration drilling conducted by URE is discussed below.
| 9.1 | URE Exploration Drilling – Lost Creek Project |
Since acquiring the Project, drilling activities by URE have focused primarily on delineation of the MMT in planned production wellfield areas, and installation of monitor and pump-test wells related to permitting. Therefore, exploration activity within the Lost Creek Project has been relatively limited. In 2007, six wide-spaced holes drilled at the request of the WDEQ for the purpose of identifying stratigraphic control identified new redox trends in previously undrilled areas within Section 25 T25N R93W in the southern portions of the Project. Subsequently, in years 2008 through 2011 (excluding 2009), approximately 159 exploration holes have been drilled in the Lost Creek Project to test potential extensions of roll fronts from the MMT. Results from these past programs were successful in the addition of Inferred resource to the Project. Results from the most recent exploration drilling were detailed in the last previous Preliminary Economic Assessment of the Lost Creek Property, dated February 29, 2012.
No exploration activity has taken place on the Lost Creek Project since the February 29, 2012 report.
| 9.2 | URE Exploration Drilling - Adjoining Projects |
The location of the Adjoining Projects is shown on Figure 2. Mineralization on these Projects is discussed in Section 7.4. Historic exploration activities are discussed in Section 6.2. No exploration activity has taken place on any of the Adjoining Projects since the February 29, 2012 Preliminary Economic Assessment was issued. Likewise, no URE exploration has been performed on the New Claims or the AEA lands since acquisition.
URE Exploration Drilling – LC North
The LC North Project is located to the north and to the west of the Lost Creek Project. Historical wide-spaced exploration drilling on this property consisted of 177 drill holes (Section 6.2 and Table 2). In years 2007 and 2011, URE conducted exploration drilling programs to better define roll front trends within the Project. A total of 135 plug holes and 1 water well (137,322 ft.) were drilled. The targets were areas of mineralization identified by historic drilling by Texasgulf. A portion of the holes were drilled as nearby offsets of historic mineralized holes and within drill “fence-lines” across fronts to further characterize the mineralization. The remainder were more widely-spaced to gain knowledge of the regional geologic framework. The drilling results identified the presence of mineralization occurring in multiple horizons, many of which correlate stratigraphically with mineralized horizons in the MMT. These drilling programs resulted in the definition and addition of 398,200 lbs. of Inferred resource, adding to the Property resource base and reported in the February 29, 2012 PEA. No drilling has been conducted since that PEA.
In general, results from URE’s 2007 and 2011 LC North drilling campaigns revealed significant mineralization including 30 mineral intercepts considered strong mineralization (GT ≥ 0.15, grade ≥ 0.020% eU3O8) plus 21 mineral intercepts which exceed URE’s current definition of “ore-quality.” In addition to the HJ and KM Horizons, “ore-quality” mineralization was also identified in the L, M, and N Horizons in the north area of the drilling. These occurrences are considered new discoveries in areas and horizons not previously recognized.
URE Exploration Drilling - LC South (and former Toby Project)
The LC South Project is located to the south and southeast of the Lost Creek Project (Figures 1 and 2). Historical drilling on the LC South Project consisted of 486 drill holes (Table 2). In 2010, URE drilled a total of 159 exploration holes (101,111 ft.) mostly in the northern portions of the Project throughout Sections 28 to 30 T25N R92W which confirmed numerous individual roll front systems occurring within several stratigraphic horizons correlative to mineralized horizons in the Lost Creek Project (Figure 9). The 2010 drilling program also included a series of wide-spaced framework drill holes up to 1,200 ft. in depth throughout Sections 27 and 30 T25N R92W to investigate regional stratigraphy and alteration patterns. These holes identified deep oxidation (alteration) that represents the potential for several additional roll fronts in the Deep Horizons. Further follow-up drilling is required on the LC South Project to evaluate these deep redox fronts. Recent exploration drilling activity by URE added 602,600 lbs. of resources in the Inferred category which are included, as of the February 29, 2012 PEA, in the total resources for LC South reported in Table 8 and illustrated in Figure 9. There has been no drilling since that PEA.
| 35 |
The former Toby Project has been reassigned to the LC South Project; these mining claims are located at the southern boundary of the Project. URE has conducted no drilling in this area.
URE Exploration Drilling - LC East and LC West
These are newly defined projects resulting from the recent AEA and New Claims acquisitions. URE has conducted no exploration activities on these projects since acquisition.
URE Exploration Drilling – EN Project
The EN Project is contiguous with and east of LC South. Approximately 67 historic exploration holes were drilled within the current EN boundaries prior to acquisition by URE (Table 2). In 2007, URE drilled three deep exploration holes in the northwest portions of the Project totaling 8,590 ft. to test mineralization below 2,000 ft. which had been detected in an abandoned oil and gas test well. Mineralization in that test well included an intercept of 6.5 ft. of 0.10% eU3O8 at 2,200 ft. depth (measured through steel casing), indicating that the presence of mineralized roll fronts may persist at depth. Results of the three exploration holes substantiated mineralization at depth, but were unable to reproduce the mineral quality. However, the presence of alteration at depth was confirmed.
In 2008, 11 wide-spaced exploration drill holes, and one water well, were completed in the southeast portions of the Project. Maximum drilled depth was 1,170 ft. and total drilled footage was 11,389 ft. Nine drill holes showed evidence of alteration and multiple mineralized horizons at depths between 500 and 950 ft. No drilling has been conducted in the EN Project since 2008.
Additional drilling is needed throughout the Adjoining Projects in order to correlate mineralized horizons and to evaluate their potential. URE is developing plans to continue the exploration and evaluation of redox fronts identified by drilling to date.
| 10.0 | Drilling |
Explanation of Drill Hole Categories:
Drill holes are categorized either as plug holes or wells. Plug holes are drilled for information only. They are plugged and abandoned as soon as possible after the drilling and logging of the hole. Wells are holes which have been cased for various long-term purposes.
| 36 |
The purpose of drilling may fall into the following categories:
PLUG HOLE DRILLING:
| · | Exploration drilling implies that the plug holes are drilled outside of a recognized mineral deposit, with the goal of identifying new resources. |
| · | Delineation drilling is plug hole drilling on close spacing (typically 100 foot) for the purpose of defining, in detail, the quality and extent of potentially minable mineralization previously discovered by exploration drilling. The assumption is that wellfield planning can start after completion of the delineation phase of drilling. Delineation drilling generally does not increase resource inventories, but rather will increase the level of confidence of previously-identified mineral resources. |
Other types of plug drilling may include:
| · | Confirmation drilling for the purpose of verifying historical drill data. |
| · | Condemnation drilling which is done to substantiate that proposed plant or other facilities do not overlie significant, and possibly economically minable, mineralization. |
| · | Core Holes is a ‘secondary’ categorization and involves the collection of rock samples. Coring is normally done only in selected intervals within a hole. Rarely is a drill hole cored top to bottom. Coring may be the main goal of the hole, or it can be done during the ‘pilot’ hole phase of any hole drilled for any other purpose. |
WELLS:
| · | Baseline Monitor Wells are drilled to gather water samples and measure water depths for the purpose of characterizing the aquifers before production. |
| · | Pump-Test Wells are also for aquifer characterization by means of conducting a pumping test. Typically, a pump test will employ one pump well and several observation wells. Observation wells may be completed in the pumped aquifer or aquifers above or below the pumping well. Note that wells installed for any other purpose may also be employed as observation wells. |
| · | Production Monitor Wells may include: |
| – | Interior Monitor Wells which monitor groundwater in an overlying or underlying aquifer, or possibly within the production aquifer. They are located within an area planned for production. |
| – | Perimeter Monitor Wells are completed within the production aquifer and are arranged in a ring that is offset at a prescribed distance around the production area. |
| · | Production Wells (Pattern Wells) are for the direct purpose of producing uranium: |
(Note: Currently no Pattern Wells have been installed at the Lost Creek Project, pending BLM approval of the project).
| – | Injectors are used to inject the production lixiviant (chemically enhanced water) into the production formation. |
| – | Producers pump the resultant uranium bearing water out of the formation. |
| · | Water Supply Wells are wells completed to supply water for drilling or for any other purpose. |
| 37 |
Drilling within the Property prior to acquisition by URE is discussed in Sections 6.1 and 6.2. Since acquiring the Property, URE has drilled a combined total of 1,491 plug holes and cased wells within the Projects. A statistical summary of URE’s drilling programs plus historic holes, to date, is included as Table 2.
All drilling has been mud-rotary type conducted by contracted drill-rigs. The drill rigs are truck mounted water-well style rigs rated to depths of 1000 to 1500 ft. Mud-rotary drilling employs a water-mud fluid system which is pumped down-hole through the drill-pipe, through the drill bit, then up and out of the hole via the annulus between the drill pipe and the hole wall. The drill mud serves both to cool the bit and to flush the drill cuttings to the surface. The cuttings settle out of the mud system in dug mud-pits from which the drill mud is subsequently recycled down the drill-pipe. All holes, to the greatest extent possible, are drilled vertically with a maximum of 2% vertical deviation (horizontal drift ÷ total depth) established as the goal. For this reason, and because mineralization occurs in a horizontal orientation, the mineral intercept thicknesses as reported by gamma logs are considered accurate representations of the true thickness of mineralization.
All holes drilled on the Property, without regard to purpose, are geophysically logged from surface to total depth. This logging is always done in the open, uncased hole status. Geophysical logs normally consist of an Electric Log (SP and Resistance) for lithologic interpretation, plus a Natural Gamma Log for detection of uranium mineralization. Logging also includes deviation (drift) surveys reported at regular depth intervals, typically every 20 ft. Accordingly, hole deviation is tracked and mapped routinely and is taken into consideration during geologic interpretation and resource estimation. Geophysical logging may also include PFN logging of mineralized intervals in selected holes (see also Section 11.0).
Drill cuttings are collected to correspond to every five feet of drilling. Cuttings are used to confirm lithology and to identify the alteration status (redox) of the stratigraphic horizons, but are not analyzed chemically. Coring is done only on a very limited basis and only in selected intervals for the purpose of collecting undisturbed samples for various types of analyses.
Lost Creek Project:
At the Lost Creek Project a total of 1,181 boreholes and wells have been drilled by URE since acquiring the Project (Table 2). The focus of nearly all of this drilling has been to:
| · | Support the permit application processes by means of installing baseline sampling wells, pump-test wells, wellfield perimeter monitor wells, and other monitor wells. |
| · | Delineate resources in proposed production areas in order to facilitate wellfield planning and permitting. |
| · | Only a relatively minor amount of exploration drilling (159 holes) has been conducted on the Project. Most of this was done to test local extensions of the MMT, as discussed in Section 9.1. |
| 38 |
Significant drilling accomplishments since URE acquired the Project in 2005 include:
| · | Installation of monitor and pump test wells required for permit applications: |
Starting in 2006, a total of 175 monitor wells (excluding 11 abandoned wells) have been installed:
| - | These include 147 regional baseline wells employed for baseline studies, and wells monitoring the overlying and underlying aquifers with relation to the proposed production aquifer, and aquifer pump test wells. Efforts have focused primarily on planned production from the HJ Horizon, but efforts have also been made toward permitting future production from the KM Horizon. |
| - | Installation and testing of the monitor well ring around proposed Mine Unit 1. As part of the 2008 drilling, a total of 28 perimeter monitor wells were completed within the production aquifer surrounding proposed Mine Unit 1. Pump tests confirming proper communication between the monitors and the production zones have been completed. |
| · | Full delineation of Resource Area 1 (future Mine Unit 1): |
Drilling between 2007 and 2010 has fully delineated resources within proposed Mine Unit 1. Approximately 450 holes on roughly 100 ft. spacing have been drilled to define resources in both the HJ and KM Horizons. Production wellfield planning has been completed based on the delineation results.
| · | Delineation of approximately 70% of Resource Area 2 (proposed future Mine Unit 2): |
Approximately 300 delineation holes were drilled as part of the 2008 to 2010 drilling campaigns to define resources within the area proposed as Mine Unit 2. Currently, drill spacing is typically between 100 and 200 ft. Drilling will continue in the future until resources are fully delineated on 100 foot spacing.
| · | Drilling of the first Deep Disposal Well: |
The first of up to five Deep Disposal Wells (LC DW No. 1) was drilled to a total depth of 9,997 ft. in December 2008 and subsequently cased after favorable test results were received. In May 2010, the well was successfully permitted as a Class I Underground Injection Well.
| · | First stage exploration of the northeastern portion of the Lost Creek Project: |
Potential easterly extensions of the MMT were identified with the drilling of 50 exploration holes during 2011 drilling.
Adjoining Projects:
All drilling within the Adjoining Projects has been for exploration as discussed in Section 9.2. All of this drilling, with the exception of water supply wells, has been plug drilling employing the same methods and procedures described for the Lost Creek Project. Statistical summaries of the drilling for the Lost Creek Project and individual Adjoining Projects are given in Table 2.
| 11.0 | Sample Preparation, Analysis and Security |
All mineralization on the Property occurs at depth and does not outcrop. Therefore, testing of the mineralization is accomplished by means of drilling. Virtually all testing of mineralization, or “sampling,” is accomplished by one or more of three methods derived from drilling activities:
| 39 |
| 1. | Down-Hole Gamma Logs: This method is the most common and provides information of mineralization. Every hole drilled on the Property is gamma logged. Gamma logging is an indirect measurement of uranium content. |
| 2. | PFN (Prompt Fission Neutron) logging of selected mineralized intervals. This method provides a direct measurement of uranium content. PFN logging has been done on approximately 14% of the holes drilled by URE on the Property. |
| 3. | Coring: Only a small percentage of drilled holes are cored. Laboratory analyses of core provide information on mineralization and physical and chemical properties. |
Down-hole Geophysical Logging – Every hole completed on the Property by URE and its predecessors has been geophysically logged using a down-hole electronic probe. URE geophysical logging data have been obtained using a Company owned and operated logging unit which employs technology from GeoInstruments, Inc. of Nacogdoches, Texas, and also from a qualified independent contractor, Century Geophysical of Tulsa, Oklahoma. Down-hole measurements include gamma logs, single-point resistance, spontaneous-potential (SP) and hole deviation.
Gamma logs provide data that is an indirect measurement of uranium content in the host rock. Gamma radiation measured in counts per second (CPS) is recorded in one-tenth foot depth intervals and subsequently reported above selected grade cut-off limits on one-half foot intervals. A U.S. Department of Energy (DOE) algorithm is used by the logging unit software to convert the gamma ray readings in CPS into an equivalent percent uranium (% eU3O8) and report the results in one-half foot increments. Mineralized intervals (intercepts) are then defined by applying variable grade cutoffs to report:
| · | Thickness of each mineralized zone (ft.). Mineralized thickness from gamma logs is considered an accurate representation of the true thickness because the strata are essentially horizontal and drill holes are virtually vertical. |
| · | Average Grade within each thickness interval (% eU3O8); |
| · | Depth (bgs) to the top of the intercept (ft); and |
| · | GT: Calculated as the average grade multiplied by thickness (%ft) for each interval. (Usually expressed without units) |
Throughout the history of the Property, various minimum grade cutoffs have been applied to define mineral intercepts for resource estimation. Historical activities targeted resources for conventional mining techniques and generally used a 0.030% or 0.025% grade cutoff. Earlier URE resource estimates also used a 0.030% cutoff. However, resource estimates beginning with the March 2011 PEA and since have employed mineral intercepts reported at the 0.020% cutoff, recognizing that ISR mining is much less sensitive to grade than conventional mining. The GT cutoff has remained consistent at 0.30 GT throughout URE activities.
Quality control on the logging unit is performed by calibration of the logging unit at the Casper, Wyoming DOE test pit (known source concentration) no less than once a month. Calibration is performed using industry established procedures. URE maintains detailed calibration records. Logging contractors employed by URE are required to calibrate in the same fashion and on a similar schedule. Additionally, the reliability of URE’s gamma tool has been tested by repeat logging of several individual holes multiple times; and by duplicate logging of several holes which were also logged by contractors.
| 40 |
PFN Logging – PFN is considered a direct measurement of true uranium concentration (% U3O8) and is used to verify the grades of mineral intercepts previously reported by gamma logging. PFN logging is accomplished by a down-hole probe in much the same manner as gamma logs, however only the mineralized interval plus a buffer interval above and below are logged. After review of the gamma log from each drill hole, the URE field geologists determine if any intercepts warrant PFN logging, based on the GT of the gamma intercepts (GT ≥ 0.10). If selected by the field geologist and if the PFN tool is available in a reasonable timeframe, the hole will be logged by PFN. As such, the PFN results are employed only as a confirmation of gamma derived results, but not as a complete replacement or duplication of them. Approximately 14% of all holes drilled by URE on the Lost Creek Property have been PFN logged. Quality control for the PFN is performed at the DOE test pit in a manner similar to that described above for the gamma tool.
Core Samples – Core samples have been obtained from approximately 2% of the holes drilled by URE at the Lost Creek Project. Core holes are located as close offsets of previously drilled holes which showed mineral intercepts of interest. Select intervals within holes of interest are cored by means of a mud-rotary drill-rig employing a 15-ft long, split-tube core barrel. Core recovery has been approximately 95%. Core is described in detail and photographed in the field. Additionally, the core is scanned in the field on one-half foot intervals with a hand-held scintillometer to identify sections of higher radioactivity for sampling. The scintillometer results are also employed to provide a detailed depth correlation and comparison between the gamma log and core depths provided by the driller. Depth correlation accuracy of less than one-half foot is normally obtained. The core was then vacuum sealed in plastic bags. Samples selected for laboratory analyses are later cut in one foot intervals, split by hand longitudinally and bagged by URE employees for shipping. Analysis has been done by qualified laboratories (discussed below) for uranium content. In addition, selected samples are tested for density, permeability and other physical features, as well as leach amenability. Samples for leach testing are vacuum sealed again immediately after selection and prior to shipping to the lab.
Drill Cutting Samples – During drilling of all holes, cuttings are collected at five-foot intervals. Detailed descriptions of each of these samples are then documented by the field geologists and spoon-sized portions of the samples retained in sealed and labeled chip trays. Drill cutting samples are valuable for lithologic evaluation and for description of redox conditions, based on sample color. However, these samples are not analyzed for uranium content because there is considerable dilution and mixing which occurs as the cuttings are flushed to the surface. In addition, the samples are not definitive with regard to depth due to variation in the lag time between cutting at the drill bit and when the sample is collected at the surface.
Sample Preparation, Analyses, and Security - After collection and documentation in the field, cores and other physical samples derived from URE’s drilling activities at the Project were delivered to Energy Laboratories, Inc. (Energy) in Casper, Wyoming. Energy has been performing uranium analyses and testing for over 30 years and is considered by Mr. Cooper to be qualified to secure, handle and analyze samples in accordance with industry standards. Energy has an industry-standard internal QA/QC system including routine equipment calibration and the use of standards, blanks, duplicates and spikes. Testing of physical properties (porosity, permeability) was also performed by Maxim Technologies of Billings, Montana and Weatherford Laboratories of Casper, Wyoming (Weatherford, 2010). Hazen Research, Inc. (Hazen Research) and Assayers Canada performed analyses of duplicate samples.
| 41 |
Data from historical sampling, prior to URE were derived by reputable exploration companies and are assumed to have been collected, secured and analyzed in accordance with standard industry practices at the time. More recent data have been validated by calibration of down-hole gamma and PFN comparison against laboratory assay results, as described in the prior Section. The calibration confirmed the ability to appropriately use the down-hole data for resource estimate calculations.
Mr. Cooper has reviewed URE Standard Operating Procedure documents and guidelines and found them to be consistent with industry practice. He is of the opinion that the sampling, analyses, and security relevant to the data used in the resource estimate presented herein have been performed to standard industry practices and are acceptable and appropriate for use in the resource estimate.
| 12.0 | Data Verification |
Data supporting this Preliminary Economic Assessment comes almost exclusively in the form of drill data gained from historic drilling activities by previous operators and those conducted by URE since acquisition of the Property. Quality control and veracity of URE drill data have been discussed in Section 11.0. The tabulations of mineral intercepts compiled by URE have been confirmed by Mr. Cooper to be consistent with the original down-hole electric logs and the geophysical operator’s mineral intercept calculations.
URE has verified historic drill data by conducting confirmation drilling and coring in the Lost Creek Project adjacent to selected historical exploration holes with results which validate the historic data. In addition, several historic drill holes have recently been re-entered and re-logged with the gamma tool for comparison to the initial historic gamma logs. In all cases the repeatability of the data was well within acceptable limits. Furthermore, mineral intercept data of previous operators in all Projects have been evaluated and selectively checked for accuracy by recalculation of grade and thickness using standard methods established by the U.S. Atomic Energy Commission (AEC). Review of that data has concluded that the historical mineral intercept data is valid and does not warrant recalculation. Mr. Cooper has compared the historic drill log mineral values to the URE tabulations and confirmed the validity and accuracy of the procedure.
The historic drill data supporting Adjoining Projects is derived from the same large regional historic drill database which covers the Lost Creek Project. That database was a part of the acquisition of NFU Wyoming, LLC in 2005, in which the Company acquired the Lost Creek Project. Extensive drilling by URE in the Lost Creek Project over the years has confirmed the validity of the database within that Project, as discussed above. Therefore, it is reasonable to assume that the same historic data, derived from the same operators, is accurate and valid within the Adjoining Projects as well.
In the LC East Project, URE possesses gamma logs for virtually every historic drill hole (approximately 1,063 holes). Mineralization data employed in the current LC East resource estimates have been collected from varied historic sources in URE’s data files, mainly: 1) historic drill hole maps with mineral intercept values (most abundant source) and 2) grade calculation sheets within drill hole file folders. Where such information was not available mineral intercept values were calculated from the gamma logs by URE geologists using the standard AEC calculation method mentioned above and employing a grade cutoff of 0.020%. In addition, numerous historic mineral intercepts were recalculated by URE geologists for confirmation of that data. In total, approximately 17% of all mineral intercepts within the LC East Project have been calculated by URE geologists. A statistical comparison of URE calculated mineral intercept values to historic mineral intercept values yielded an average variance of +8.6%. Mr. Cooper considers this to be adequate for an accurate estimation of resources. Therefore, the current resource estimation is based largely on historic mineral intercept data. Where available, the values recently calculated by URE replaced the historic mineral intercept values. URE plans to continue recalculation of all mineral intercepts within the LC East Project.
| 42 |
An evenly distributed sampling of twenty five historic drill hole locations within LC East were field-visited and verified by Mr. Cooper during the winter of 2011-2012.
As a Qualified Person, Mr. Cooper is of the opinion that the quality of the data is acceptable for use in this Preliminary Economic Assessment.
| 13.0 | Mineral Processing and Metallurgical Testing |
Mineral processing tests were performed on four sets of core samples, beginning in 1979 by Texasgulf. These tests, using bicarbonate lixiviant, resulted in extractions ranging from 60 to 75%, while column tests resulted in extractions from 38 to 80% with six of the seven tests between 64 and 80% extraction. However, these tests were related to hours of leaching rather than pore volumes, as is currently standard.
The next tests were conducted by Wyoming Mineral Corporation in 1981, and these tests indicated 81% U3O8 extraction for agitation leach tests and 89% for columns. Because the sample was partially oxidized prior to the test, the results should not be relied upon (RPA, 2006).
Tests were conducted more recently for URE in 2005 and 2007 by Energy Laboratories. The leach tests in 2005 employed five pore volumes in a bottle roll test with a lixiviant of two grams per liter of NaHCO3 and 500 milligrams per liter of H2O2. The leach tests demonstrated an average recovery of 82.8%.
Table 4 presents a summary of the 2005 leach test results.
Table 4: Leach Test Results, 2005
| Sample ID | Solution Base | Bicarbonate (NaHCO3) Concentration (g/L) | Peroxide (H2O2) Concentration (g/L) | Uranium Recovery % | Average Solution Concentration (mg/L U) |
| LC7C – 19 | NA | 2.0 | 0.5 | 87.5 | 83.9 |
| LC7C – 19 | NA | 2.0 | 0.5 | 90.3 | 139.0 |
| LC8C – 18 | NA | 2.0 | 0.5 | 59.4 | 628.1 |
| LC9C – 18 | NA | 2.0 | 0.5 | 75.0 | 90.2 |
| LC10C – 18 | NA | 2.0 | 0.5 | 92.8 | 229.9 |
| LC11C - 20 | NA | 2.0 | 0.5 | 91.6 | 103.0 |
| 43 |
The 2005 leach testing investigated selected one-foot intervals within any given mineralized zone rather than a composite of the entire mineral intercept for each hole. These discrete drill hole intervals demonstrate the range of leaching characteristics shown above. The average recovery is calculated at 82.8% with a range of 59.4 to 92.8%.
The sample tested from drill hole LC8C-18 was relatively high grade (0.480% eU3O8) which is about ten times the grade typically observed in the deposit. It can be seen that the recovery for this sample is rather low (59.4%). The concentration of uranium recovered in the last pore volume was 68.4 milligrams per liter, so additional pore volumes of lixiviant likely would have continued to extract uranium and enhance the recovery estimate. The ultimate recovery, however, cannot be predicted. It can be seen that this principle applies to other samples that were leached. The conclusion is that the samples can be leached with a significant portion of the uranium, about 83%, being leached from the samples.
The test in 2007 had the objective of analyzing several lixiviant combinations to provide information on uranium recovery relative to the various lixiviants. The work was performed on samples from LC Core Hole LC-66C, using the 412 to 420.4 foot interval for compositing and leaching, with grades determined by chemical and radiometric analysis. The moisture in the sample was determined to be 8.53% and the metals content is shown in the Table 5. Dry bulk densities were assumed to be 2.0 grams per cubic centimeter and to have 30% porosity.
Table 5: Core Sample Metal Values
| Analyte | mg/kg |
| Arsenic | 2.1 |
| Molybdenum | ND (a) |
| Selenium | 25.5 |
| Sulfate | 1,740 |
| Sulfur | 581 |
| Uranium | 513 |
| Uranium, U3O8 | 605 |
| Vanadium | 7.6 |
| (a) ND: Not Detected |
Seven bottle roll tests were conducted at ambient pressure and were not designed to approximate in situ conditions, but are only intended to be indicative of the reaction rate. Table 6 presents the combination of lixiviants that were evaluated and are shown with the recovery results for the 2007 leach tests after 30 pore volumes, in five pore volume increments. The variables in the lixiviants were bicarbonate concentration and oxidant (peroxide) strength using ambient groundwater, except for two tests conducted with laboratory grade water. The individual leach periods were 16 hours each.
| 44 |
Table 6: Bottle Roll Leach Test Results, 2007
| Sample ID | Solution Base | Bicarbonate (NaHCO3) (g/L) | Peroxide (H2O2) (g/L) | Uranium Recovery % |
Average Solution Concentration (mg/L U) | |
| LC 2007-01 | Groundwater | Natural | 0.25 | 34.9 | 51.3 | |
| LC 2007-02 | Groundwater | 1.0 | 0.25 | 84.1 | 127.6 | |
| LC 2007-03 | Groundwater | 1.5 | 0.25 | 91.6 | 139.6 | |
| LC 2007-04 | Groundwater | 2.0 | 0.25 | 94.5 | 147.0 | |
| LC 2007-05 | Groundwater | 2.0 | 0.50 | 94.4 | 147.7 | |
| LC 2007-06 | Synthetic Water | 2.0 | 0.25 | 95.7 | 150.1 | |
| LC 2007-07 | Synthetic Water | 2.0 | 0.50 | 94.9 | 151.1 |
These results show that the core is leachable at the lixiviant concentrations shown above, under ambient laboratory conditions. Respectable recoveries can be achieved with lixiviant concentrations greater than 1,500 mg/L bicarbonate and 0.25 g/L peroxide (Lyntek, 2008, as amended 2011).
In 2010, URE performed leach testing on samples from the KM Horizon. Those results are presented in Table 7. Seven samples obtained from one-foot sections of core were tested for mineral recovery using the same test methods as described above at Energy Laboratories. Twenty-five pore volumes of bicarbonate leach solution were passed through the samples. Uranium recovery ranged from 54.1 to 93.0% with an average uranium recovery of 80.6%.
Table 7: KM Horizon Leach Test Results, 2010
| Sample ID | Solution Base | Bicarbonate (NaHCO3) (g/L) | Peroxide (H2O2) (g/L) | U Recovery % |
Average Solution (mg/L U) | |
| LC46-01 | Groundwater | Natural Bicarb | 0.25 | 54.1 | 42.0 | |
| LC46-02 | Groundwater | 1.0 | 0.25 | 87.2 | 78.8 | |
| LC46-03 | Groundwater | 1.5 | 0.25 | 87.7 | 84.6 | |
| LC46-04 | Groundwater | 2.0 | 0.25 | 89.0 | 84.8 | |
| LC46-05 | Groundwater | 2.0 | 0.50 | 93.0 | 92.6 | |
| LC46-06 | Synthetic Water | 0.5 | 0.50 | 74.0 | 66.3 | |
| LC46-07 | Synthetic Water | 1.0 | 0.50 | 88.0 | 81.0 |
Based on review of the leach tests, Mr. Cooper believes that these tests demonstrate the likely amenability of the mineralized zones to in situ recovery.
URE is not aware of any historical metallurgical testing having been done within any of the newly acquired land in the AEA and New Claims.
| 45 |
| 14.0 | Mineral Resource Estimates |
The mineral resources for the Property reported herein have been estimated utilizing the grade-thickness (GT) contour method. The GT contour method is well accepted within the uranium ISR industry and is suited to guide detailed mine planning and estimates of recoverable resources for roll front type deposits such as the Lost Creek Property. A discussion of the methodology is presented below in Section 14.4. See also the notes below Tables 1 and 8.
| 14.1 | Resource Classification |
Resource estimates were prepared using parameters relevant to the proposed mining of the deposit by ISR methods. The methodology relies on detailed mapping of mineralization to establish continuity of intercepts within individual sandstone host units. This method is more regimented and results in a more detailed analysis than methods utilized by URE during earlier stages of property evaluation (prior to Trec, 2011). The mineral resource estimates in this report were completed and/or reviewed and accepted by the Qualified Person, Mr. John Cooper.
URE employs a conservative resource classification system which is consistent with standards established by the CIM. Mineral resources are identified as Measured, Indicated and Inferred based ultimately on the density of drill hole spacing, both historic and recent; and continuity of mineralization within the same mineral horizon (roll front).
Employing these considerations, mineralization which meets the grade and GT cutoff criteria (i.e., within the 0.30 GT contour) are classified as resources via the following drill spacing guidelines:
Measured
≤100 ft. (i.e., maximum 50 ft. radius of influence from a mineralized hole)
Indicated
100 - 200 ft. (i.e., maximum 100 ft. radius of influence from a mineralized hole)
Inferred
200 - 400 ft. (i.e., maximum 200 ft. radius of influence from a mineralized hole)
In simplest terms, to conform to each classification, resources determined using the GT contour method (see Section 4.4) must meet three criteria:
1. Occur within the same mineral horizon (roll front),
2. Fall within the 0.30 GT contour and
3. Extend no farther from the drill hole than the radius of influence specified above for each category.
Isolated occurrences of mineralization meeting the cutoff criteria are classified as Inferred, and are defined as mineralization which occurs within the 0.30 GT contour for the given mineral horizon and extending no more than a 200 foot radius of influence beyond the sample point (drill hole).
| 14.2 | Cutoff Selection |
Mineralization reportable as resources must meet the following cutoff criteria:
Minimum Grade: 0.020%
eU3O8
Grade measured below this cutoff is considered as zero value.
| 46 |
Minimum GT (Grade x Thickness):
0.30
Intercepts with GT values below this cutoff are mapped exterior to GT contours employed for resource estimation and therefore are
excluded from reported resources.
Minimum thickness: No minimum thickness is applied, but is inherent within the definition of GT.
The cutoffs used in this report are typical of ISR industry practice and represent appropriate values relative to current ISR operations. Experience at other ISR operations have demonstrated that grades below 0.020% can be successfully leached and recovered, given supporting economics. Furthermore, a GT cutoff of 0.30 is representative of past ISR operations in similar geologic and economic conditions. Note, however, that the above cutoffs were selected without direct relation to any associated commodity price.
| 14.3 | Assumptions |
Resources within the Lost Creek Property are identified recognizing that roll front mineralization occurs in long, narrow, sinuous bodies which are found adjacent to and parallel to alteration (redox) fronts; and which commonly occur in multiple, vertically stacked horizons. Resource classification requires continuity within individual horizons. Individual roll front mineral horizons are assumed to be 50 ft. wide (based on project experience) unless sufficient information is available to establish otherwise.
In addition, certain assumptions were incorporated throughout all calculations:
| 1. | No disequilibrium. Therefore, the radiometric equilibrium multiplier (DEF) is 1.0. |
| 2. | The unit density of mineralized rock is 16.6 cubic ft. per ton, based on numerous core density measurement results (Maxim Technologies Inc., 2005a, 2005b, 2006). |
| 3. | All geophysical logs are assumed to be calibrated per normal accepted protocols, and grade calculations are accurate. |
| 4. | The mineralization occurs below the static water table. |
| 14.4 | Methodology |
Fundamentals
The Property resources are defined by utilizing both historical and recent drilling information. The basic unit of mineralization is the “Mineral Intercept” and the basic unit of a mineral resource is the “Mineral Horizon”, which is generally synonymous to a roll front. Mineral intercepts are assigned to named mineral horizons based on geological interpretation by URE geologists founded on knowledge of stratigraphy and roll front geometry, redox and zonation characteristics. Resources are derived and reported per mineral horizon (i.e., per roll front). In any given geographic area, resources in multiple mineral horizons may be combined into a “Resource Area” (further defined in Section 16.2).
| 47 |
Mineral Intercepts
Mineral intercepts are derived from drill hole gamma logs. Calculation of uranium content detected by gamma logs is traditionally reported in terms of mineral grades as eU3O8% on one-half foot depth increments. A mineral intercept is defined as a continuous depth interval in which mineralization meets or exceeds the grade cutoff value (0.02% for the Lost Creek Property). Mineralization below the cutoff grade is treated as zero value. A mineral intercept is described in terms of:
| - | Thickness of the mineralized interval that meets cutoff criteria |
| - | Average Grade of mineralization within that interval |
| - | Depth (bgs) to the top of that interval |
In addition, a GT value is assigned to each mineral intercept, defined as the average grade of the intercept times the thickness of the intercept. GT is a convenient and functional single term used to represent the overall quality of the mineral intercept. It is employed as the basic criteria to define “ore-quality”, which at the Lost Creek Property is characterized as GT ≥ 0.30. Intercepts which do not make the “ore–quality” GT cutoff are excluded from the resource calculation, but may be taken into consideration when drawing GT contours.
Each intercept is assigned to a stratigraphic and mineral horizon (Figures 6 and 8) by means of geological evaluation. The primary criterion employed in assignment of mineral intercepts to mineral horizons is roll front correlation. Depth and elevation of intercepts are secondary criteria which support correlation. The evaluation also involves interpretation of roll front zonation (position within the roll front) by means of gamma curve signature, redox state, lithology and relative mineral quality (Figure 7). Mineral intercept data and associated interpretations are stored in a drill hole database inventoried per drill hole and mineralized horizon. Using GIS software, this database is employed to generate map plots displaying GT values and interpretive data for each mineral horizon of interest. These maps become the basis for GT contouring as described below.
GT Contouring and Resource Estimation
For the map plots of GT values mentioned above, the GT contour lines are drafted honoring all GT values and may be carefully modified by URE geologists where justified to reflect knowledge of roll front geology and geometry. The GT contour maps thus generated for each mineral horizon form the foundation for resource calculation. In terms of geometry, the final product of a GT contoured mineral horizon typically represents a mineral body that is fairly long, narrow and sinuous and which parallels the redox front boundary. Parameters employed to characterize the mineral body are:
| Thickness: | Average thickness of intercepts assigned to the mineral horizon (inherent in GT values). |
| Grade: | Average grade of mineral intercepts assigned to the mineral horizon (inherent in GT values) |
| Depth: | Average depth of mineral intercepts assigned to the mineral horizon |
| Area: | Defined as the area interior to the 0.30 GT contour lines, more specifically: |
| Width: | Defined by the breadth of the 0.30 GT contour boundaries. Where sufficient data is unavailable, (i.e., wide-spaced drilling), the width is assumed to be no greater than 50 feet |
| Length: | Defined by the endpoints of the 0.30 GT contour boundaries. Where sufficient data is unavailable, length is limited to 400 feet (i.e., 200 feet on either side of an isolated drill hole). |
| 48 |
For resource estimation the area of a mineral horizon is further partitioned into intervals between GT contours, to which the mean GT of that interval is applied. Area values for each contour interval are extracted by the GIS software. Once areas and mean GT values are assigned to all contour intervals, resources are subsequently calculated for each contour interval employing the following equation and compiled per mineral horizon:
POUNDS = AREA x GT x 20 x DEF
TF
Where:
| POUNDS | = Resources (lbs.) |
| AREA | = Area measured within any given GT contour interval (ft2) |
| GT | = Mean GT within any given contour interval (%-ft.) |
| 20 | = Conversion constant: tons to unit lbs. (1% of a ton) |
| DEF | = Disequilibrium factor (=1.0 no disequilibrium) |
| TF | = Tonnage Factor: Rock density, a constant (=16.6 ft3/ton).
Enables conversion from volume to weight. |
Resources for any given mineral horizon often occur in several ‘pods’. Individual pods are then compiled per mineral horizon, summed and categorized by level of confidence (Measured, Indicated, or Inferred).
The resource calculation process is streamlined using the same GIS software in which the mapping and GT contouring took place. As is evident, the GT contour method for resource estimation is dependent on competent roll front geologists for accurate correlation and accurate contour depiction of the mineral body. Nonetheless, uranium industry experience has shown that the GT contour method remains the most dependable for reliable resources of roll front uranium deposits.
Figure 9 illustrates the outlines of mineral occurrences defined by the 0.30 GT contours. Figures 10a and 10b are cross sections that illustrate the mineralization and strata in the Lost Creek and LC East Projects and are representative of the entire Property.
| 14.5 | Summary of Mineral Resources |
The current mineral resource estimate for the Lost Creek Property is 8,348,200 lbs. in the Measured and Indicated categories with an additional 2,869,100 lbs. in the Inferred category. Mineral resources are summarized in Table 1 and also in Table 8 listed by Project and mineral horizon. Figure 9 illustrates the location of resources as defined by outlines of the 0.30 GT contour mineralization trends for the Property. In general, the current resource estimate represents a total increase to the Lost Creek Property (all Projects) of 2,582,900 lbs. in the Measured plus Indicated categories and 851,300 lbs. in the Inferred category when compared to the previous estimate in the February 29, 2012 Preliminary Economic Assessment. This represents a 45% and 42% increase in the respective categories. Increases to the total Property resource are attributed to mineralization mainly in the new LC East Project and to a much lesser extent in the LC West Project as summarized below:
| 49 |
LC East Project:
Table 8 lists newly added resources for the LC East Project. LC East contains approximately 1,064 historic drill holes which were utilized in this resource estimation. As a result of this geologic evaluation a mineral resource of 2,582,900 lbs. in the Measured plus Indicated categories with an additional 815,300 lbs. in the Inferred category is attributable to the LC East Project. The additional resources are contained in the same stratigraphic horizons that are mineralized within the MMT and are distributed along an approximately six and one half mile long trend within the Project (the EMT). The resources included herein occur well below the water table yet at relatively shallow depths which are attractive for economic ISR extraction. The existence of roll fronts between mapped resources in the Inferred category suggests the potential to add additional resources to the LC East Project.
LC West Project:
Table 8 also lists the newly added resource for the LC West Project. Wide spaced, sparse historic drill holes allowed for sufficient geologic evaluation, leading to the estimation of an Inferred mineral resource of 37,400 pounds. All of this resource is contained within the upper portion of the KM Horizon (UKM) and is based on 3 mineralized holes. The wide spaced nature of the drill holes defining this resource also implies that there is significant potential for the growth of resources within the LC West Project.
| 15.0 | Mineral Reserve Estimates |
Estimates of or conversion to mineral reserves are not included in this report. The nature of the mineralized areas and the type of recovery planned do not lend themselves to mineral reserve conversions prior to more detailed delineation drilling and possibly wellfield development.
| 16.0 | Mining Methods |
| 16.1 | Ore Body Amenability |
URE has proposed to use the in situ recovery technique at the Lost Creek Property. This mining method utilizes injection wells to introduce a mining solution, called lixiviant, into the mineralized zone. The lixiviant will be made of natural groundwater fortified with an oxidizer such as oxygen and a complexing agent such as sodium bicarbonate. The oxidizer will convert the uranium compounds from a relatively insoluble +4 valance state to a soluble +6 valance state. The complexing agent will bond with the uranium to form uranyl carbonate which is highly soluble. The dissolved uranyl carbonate is then recovered through a series of production wells and piped back to a processing plant where the uranyl carbonate is removed from the solution using Ion Exchange (IX). The groundwater is re-fortified with the oxidizer and complexing agent and sent back to the wellfield to recover additional uranium.
The in situ recovery method is proposed for the Lost Creek Property because this technique allows for the low cost and effective recovery of roll front mineralization. An additional benefit is that the in situ technique is relatively environmentally benign when compared to conventional open pit or underground recovery techniques. The in situ technique does not require the installation of tailings facilities or significant surface disturbance.
In order to use the in situ technique the mineralized body must be: saturated with groundwater; transmissive to water flow; and amenable to dissolution by an acceptable lixiviant. While not a requirement, it is beneficial if the production zone aquifer is relatively confined by overlying and underlying aquitards so it is easier to maintain control of the mining lixiviant.
| 50 |
Table 8: Lost Creek Property Resources (Resources Below Static Water Table)
| MEASURED | INDICATED | INFERRED | ||||||||||
| HORIZON | AVG GRADE % eU3O8 |
SHORT TONS (X 1,000) |
POUNDS (X 1,000) |
AVG GRADE % eU3O8 |
SHORT TONS (X 1,000) |
POUNDS (X 1,000) |
AVG GRADE % eU3O8 |
SHORT TONS (X 1,000) |
POUNDS (X 1,000) | |||
| LOST CREEK PROJECT | ||||||||||||
| UFG | 0.067 | 56.7 | 76.2 | 0.055 | 69.6 | 76.6 | 0.055 | 130.2 | 142.7 | |||
| MFG | 0.039 | 8.8 | 6.9 | 0.070 | 2.1 | 3.0 | 0.033 | 43.8 | 28.9 | |||
| LFG | 0.053 | 191.4 | 204.5 | 0.051 | 4.2 | 4.3 | 0.033 | 26.9 | 17.8 | |||
| Total FG | 0.057 | 256.9 | 287.6 | 0.055 | 75.9 | 83.8 | 0.049 | 202.2 | 190.8 | |||
| UHJ | 0.043 | 174.7 | 151.7 | 0.061 | 66.1 | 81.0 | 0.050 | 100.0 | 99.0 | |||
| MHJ1 | 0.059 | 307.2 | 364.6 | 0.048 | 317.9 | 302.9 | 0.059 | 155.1 | 182.1 | |||
| MHJ2 | 0.063 | 1,006.2 | 1,270.1 | 0.063 | 1,191.8 | 1,508.3 | 0.072 | 201.3 | 290.2 | |||
| LHJ | 0.042 | 395.6 | 332.4 | 0.060 | 421.3 | 503.1 | 0.038 | 113.3 | 86.5 | |||
| Total HJ | 0.058 | 1,883.6 | 2,118.8 | 0.060 | 1,997.1 | 2,395.3 | 0.061 | 569.6 | 657.7 | |||
| UKM | 0.049 | 495.1 | 484.9 | 0.049 | 320.7 | 317.3 | 0.048 | 82.9 | 79.1 | |||
| LKM | 0.046 | 56.5 | 51.6 | 0.065 | 20.0 | 26.0 | 0.050 | 23.8 | 23.5 | |||
| Total KM | 0.049 | 551.6 | 536.4 | 0.051 | 340.8 | 343.3 | 0.048 | 106.7 | 102.6 | |||
| L | ----- | ----- | ----- | ----- | ----- | ----- | ----- | ----- | ----- | |||
| M | ----- | ----- | ----- | ----- | ----- | ----- | 0.052 | 53.3 | 55.1 | |||
| N | ----- | ----- | ----- | ----- | ----- | ----- | 0.077 | 7.1 | 10.9 | |||
| Total - LOST CREEK | 0.055 | 2,692.1 | 2,942.9 | 0.058 | 2,413.8 | 2,822.4 | 0.054 | 937.5 | 1,015.7 | |||
| MEASURED + INDICATED = | 5,105.9 | 5,765.3 | ||||||||||
| LC EAST PROJECT | ||||||||||||
| UFG | 0.120 | 32.3 | 77.5 | 0.169 | 2.4 | 8.1 | 0.082 | 38.9 | 63.8 | |||
| MFG | 0.061 | 12.5 | 15.3 | 0.050 | 65.8 | 65.8 | 0.052 | 37.6 | 39.1 | |||
| LFG | 0.033 | 7.7 | 5.1 | 0.043 | 62.8 | 54.0 | 0.046 | 40.4 | 37.2 | |||
| Total FG | 0.106 | 52.6 | 97.9 | 0.055 | 131.0 | 127.9 | 0.064 | 116.9 | 140.1 | |||
| UHJ | 0.048 | 103.0 | 98.9 | 0.037 | 137.6 | 101.8 | 0.031 | 28.5 | 17.7 | |||
| MHJ1 | 0.057 | 273.5 | 311.8 | 0.047 | 139.7 | 131.3 | 0.035 | 96.3 | 67.4 | |||
| MHJ2 | 0.053 | 417.1 | 442.1 | 0.041 | 543.3 | 445.5 | 0.051 | 168.1 | 171.5 | |||
| LHJ | 0.037 | 76.2 | 56.4 | 0.041 | 109.3 | 89.6 | 0.020 | 16.8 | 6.7 | |||
| Total HJ | 0.053 | 869.8 | 909.2 | 0.041 | 929.8 | 768.2 | 0.045 | 309.7 | 263.3 | |||
| UKM | 0.054 | 136.4 | 147.3 | 0.046 | 336.5 | 309.6 | 0.041 | 363.9 | 298.4 | |||
| LKM | 0.051 | 99.5 | 101.5 | 0.040 | 127.6 | 102.1 | 0.048 | 110.6 | 106.2 | |||
| Total KM | 0.053 | 235.9 | 248.8 | 0.045 | 464.1 | 411.7 | 0.043 | 474.5 | 404.6 | |||
| L | ----- | ----- | ----- | 0.027 | 13.3 | 7.2 | ----- | ----- | ----- | |||
| M | ----- | ----- | ----- | 0.046 | 13.0 | 12.0 | 0.038 | 9.6 | 7.3 | |||
| N | ----- | ----- | ----- | ----- | ----- | ----- | ----- | ----- | ----- | |||
| Total – LC EAST | 0.054 | 1,158.3 | 1,255.9 | 0.043 | 1,551.3 | 1,327.0 | 0.045 | 910.8 | 815.3 | |||
| MEASURED + INDICATED = | 2,709.6 | 2,582.9 | ||||||||||
| LC NORTH PROJECT | ||||||||||||
| UFG | ----- | ----- | ----- | ----- | ----- | ----- | ----- | ----- | ----- | |||
| MFG | ----- | ----- | ----- | ----- | ----- | ----- | ----- | ----- | ----- | |||
| LFG | ----- | ----- | ----- | ----- | ----- | ----- | ----- | ----- | ----- | |||
| UHJ | ----- | ----- | ----- | ----- | ----- | ----- | 0.057 | 30.1 | 34.3 | |||
| MHJ1 | ----- | ----- | ----- | ----- | ----- | ----- | 0.069 | 19.4 | 26.8 | |||
| MHJ2 | ----- | ----- | ----- | ----- | ----- | ----- | 0.058 | 24.2 | 28.0 | |||
| LHJ | ----- | ----- | ----- | ----- | ----- | ----- | 0.038 | 74.8 | 56.8 | |||
| UKM | ----- | ----- | ----- | ----- | ----- | ----- | 0.067 | 60.8 | 81.5 | |||
| LKM | ----- | ----- | ----- | ----- | ----- | ----- | 0.042 | 52.3 | 44.0 | |||
| L | ----- | ----- | ----- | ----- | ----- | ----- | 0.032 | 84.4 | 54.0 | |||
| M | ----- | ----- | ----- | ----- | ----- | ----- | 0.060 | 53.0 | 63.5 | |||
| N | ----- | ----- | ----- | ----- | ----- | ----- | 0.031 | 14.8 | 9.2 | |||
| Total - LC NORTH | 0 | 0 | 0 | 0 | 0 | 0 | 0.048 | 413.8 | 398.2 | |||
| 51 |
Table 8: Property Resources (Resources Below Static Water Table), Continued
| MEASURED | INDICATED | INFERRED | |||||||||||
| HORIZON | AVG GRADE % eU3O8 |
SHORT TONS (X 1,000) |
POUNDS (X 1,000) |
AVG GRADE % eU3O8 |
SHORT TONS (X 1,000) |
POUNDS (X 1,000) |
AVG GRADE % eU3O8 |
SHORT TONS (X 1,000) |
POUNDS (X 1,000) | ||||
| LC SOUTH PROJECT | |||||||||||||
| UFG | ----- | ----- | ----- | ----- | ----- | ----- | 0.052 | 91.0 | 94.6 | ||||
| MFG | ----- | ----- | ----- | ----- | ----- | ----- | 0.051 | 249.3 | 254.3 | ||||
| LFG | ----- | ----- | ----- | ----- | ----- | ----- | 0.041 | 43.0 | 35.3 | ||||
| UHJ | ----- | ----- | ----- | ----- | ----- | ----- | 0.033 | 36.2 | 23.9 | ||||
| MHJ1 | ----- | ----- | ----- | ----- | ----- | ----- | 0.033 | 52.3 | 34.5 | ||||
| MHJ2 | ----- | ----- | ----- | ----- | ----- | ----- | 0.037 | 95.5 | 70.7 | ||||
| LHJ | ----- | ----- | ----- | ----- | ----- | ----- | 0.031 | 81.8 | 50.7 | ||||
| UKM | ----- | ----- | ----- | ----- | ----- | ----- | 0.031 | 19.0 | 11.8 | ||||
| LKM | ----- | ----- | ----- | ----- | ----- | ----- | 0.032 | 41.8 | 26.8 | ||||
| L | ----- | ----- | ----- | ----- | ----- | ----- | ----- | ----- | ----- | ||||
| M | ----- | ----- | ----- | ----- | ----- | ----- | ----- | ----- | ----- | ||||
| N | ----- | ----- | ----- | ----- | ----- | ----- | ----- | ----- | ----- | ||||
| Total - LC SOUTH | 0 | 0 | 0 | 0 | 0 | 0 | 0.042 | 710.0 | 602.6 | ||||
| LC WEST PROJECT | |||||||||||||
| UFG | ----- | ----- | ----- | ----- | ----- | ----- | ----- | ----- | ----- | ||||
| MFG | ----- | ----- | ----- | ----- | ----- | ----- | ----- | ----- | ----- | ||||
| LFG | ----- | ----- | ----- | ----- | ----- | ----- | ----- | ----- | ----- | ||||
| UHJ | ----- | ----- | ----- | ----- | ----- | ----- | ----- | ----- | ----- | ||||
| MHJ1 | ----- | ----- | ----- | ----- | ----- | ----- | ----- | ----- | ----- | ||||
| MHJ2 | ----- | ----- | ----- | ----- | ----- | ----- | ----- | ----- | ----- | ||||
| LHJ | ----- | ----- | ----- | ----- | ----- | ----- | ----- | ----- | ----- | ||||
| UKM | ----- | ----- | ----- | ----- | ----- | ----- | 0.109 | 17.2 | 37.4 | ||||
| LKM | ----- | ----- | ----- | ----- | ----- | ----- | ----- | ----- | ----- | ||||
| L | ----- | ----- | ----- | ----- | ----- | ----- | ----- | ----- | ----- | ||||
| M | ----- | ----- | ----- | ----- | ----- | ----- | ----- | ----- | ----- | ||||
| N | ----- | ----- | ----- | ----- | ----- | ----- | ----- | ----- | ----- | ||||
| Total - LC WEST | 0 | 0 | 0 | 0 | 0 | 0 | 0.109 | 17.2 | 37.4 | ||||
SUMMARY
| MEASURED | INDICATED | INFERRED | ||||||||||
| PROJECT | AVG GRADE | SHORT TONS | POUNDS | AVG GRADE | SHORT TONS | POUNDS | AVG GRADE | SHORT TONS | POUNDS | |||
| % eU3O8 | (X 1000) | (X 1000) | % eU3O8 | (X 1000) | (X 1000) | % eU3O8 | (X 1000) | (X 1000) | ||||
| LOST CREEK | 0.055 | 2,692.1 | 2,942.9 | 0.058 | 2,413.8 | 2,822.4 | 0.054 | 937.5 | 1,015.7 | |||
| LC EAST | 0.054 | 1,158.3 | 1,255.9 | 0.043 | 1,551.3 | 1,327.0 | 0.045 | 910.8 | 815.3 | |||
| LC NORTH | ----- | ----- | ----- | ----- | ----- | ----- | 0.048 | 413.8 | 398.2 | |||
| LC SOUTH | ----- | ----- | ----- | ----- | ----- | ----- | 0.042 | 710.0 | 602.6 | |||
| LC WEST | ----- | ----- | ----- | ----- | ----- | ----- | 0.109 | 17.2 | 37.4 | |||
| EN | ----- | ----- | ----- | ----- | ----- | ----- | ----- | ----- | ----- | |||
| GRAND TOTAL | 0.055 | 3,850.4 | 4,198.8 | 0.053 | 3,965.1 | 4,149.4 | 0.049 | 2,989.2 | 2,869.1 | |||
| MEASURED + INDICATED = | 7,815.5 | 8,348.2 | ||||||||||
Notes:
| 1. | Sum of Measured and Indicated tons and pounds may not add to the reported total due to rounding. |
| 2. | Mineral resources that are not mineral reserves do not have demonstrated economic viability. |
| 3. | Based on grade cutoff of 0.02 percent eU3O8 and a grade x thickness cutoff of 0.3 GT. |
| 4. | Typical ISR industry practice is to apply a GT cutoff in the range of 0.3 which has generally been determined to be an economical cutoff value. This 0.3 GT cutoff was used in this evaluation without direct relation to an associated price. |
| 5. | Measured, Indicated, and Inferred Mineral Resources as defined in Section 1.2 of NI 43-101 (the CIM Definition Standards). |
| 52 |
Dozens of monitor wells have been completed in the various horizons to determine the elevation of the water tables. The natural pressure within each horizon causes the water table to rise in the well casing to approximately 170 to 200 ft. bgs. All horizons deeper than the DE are completely submerged at the Lost Creek Project. Additional well installations must be completed in order to determine which horizons in the other Projects are below the groundwater table.
Numerous hydrogeologic tests have been performed within the Lost Creek Project to demonstrate that the HJ Horizon is sufficiently transmissive to allow the lixiviant to flow through the production zone and dissolve the uranium mineralization. The transmissivity of the HJ Horizon was measured during two separate regional pump tests in 2007 and determined to be between 30.0 and 110.0 ft.2/day (Ur-Energy, 2007a). This range of transmissivities is consistent with the rates at other successful ISR operations. The two regional tests also confirmed that the HJ Horizon behaves as a confined aquifer despite minor communication with both the overlying and underlying aquifers (Ur-Energy, 2007a). See Section 7.2 for additional discussion on the Property’s hydrogeology.
Several lab tests have been carried out on core samples from the Lost Creek Project to ensure leachability with an acceptable lixiviant. Test results show that recoveries of greater than 80% should be expected. See Section 13.0 for a complete discussion of leach test results.
| 16.2 | Mine Development |
URE has divided the known mineral trends of the Lost Creek Property into Resource Areas in order to systematically develop the resource (Figure 11). Future production wellfields may be derived from all or part of a Resource Area. These areas are located in the Lost Creek and LC East Projects, with Resource Areas 1 through 6 in Lost Creek and 7 through 11 in LC East. The associated information for each Resource Area is found in Table 9. Header houses, which are distribution points for injection and production flow, in the first Resource Area will be constructed simultaneously with the construction of the Plant (second half of Year 0). These header houses will be brought on line sequentially (at an anticipated rate of one header house per month) until the nominal Plant throughput (approximately 5,500 to 6,000 gpm) is attained. The remainder of the first Resource Area and additional areas will be developed in such a way as to allow for Plant capacity to be maintained. In other words, as the productivity or head grade from the initial Resource Area decreases below economic limits, replacement patterns from additional header houses will be placed into operation in order to maintain the desired flow rate and head grade at the Plant.
The Lost Creek Plant and the associated Resource Areas are designed to generate approximately one million pounds of production per year for several years. At full flow capacity and at an average of 42 mg/L U concentration, output will equal approximately one million pounds. The production rate (Table 13) ramps up at the start of production in Year 1 and ramps down in Year 8 for a total of approximately 7.38 million pounds recovered from the Resource Areas.
| 53 |
Table 9: Resource Area Development Summary
| Area | ||||||||
| In Place | Under | Wells | Average | |||||
| Resource | Resource | Injection | Production | Header | Monitor | Pattern | Per | Depth |
| Area | (lbs.) | Wells | Wells | Houses | Wells | (acre) | HH | (ft.) |
| 1 | 1,756,000 | 404 | 231 | 12 | 67 | 37.0 | 52.9 | 420 |
| 2 | 2,425,000 | 562 | 321 | 16 | 87 | 58.4 | 55.2 | 461 |
| 3 | 657,000 | 149 | 85 | 4 | 51 | 26.5 | 58.5 | 515 |
| 4 | 423,841 | 98 | 56 | 3 | 41 | 19.4 | 51.3 | 525 |
| 5 | 437,000 | 102 | 58 | 3 | 48 | 28.0 | 53.3 | 418 |
| 6 | 591,605 | 135 | 77 | 4 | 79 | 27.4 | 53.0 | 231 |
| 7 | 1,627,474 | 375 | 214 | 11 | 98 | 55.6 | 53.5 | 283 |
| 8 | 335,671 | 77 | 44 | 2 | 52 | 13.4 | 60.5 | 426 |
| 9 | 247,005 | 58 | 33 | 2 | 66 | 14.9 | 45.5 | 303 |
| 10 | 339,338 | 77 | 44 | 2 | 67 | 15.9 | 60.5 | 432 |
| 11 | 378,170 | 88 | 50 | 3 | 58 | 15.3 | 46.0 | 278 |
| Total | 9,218,104 | 2,125 | 1,213 | 62 | 714 | |||
| 16.3 | Piping |
Pipelines will transport the wellfield solutions from Lost Creek and LC East to and from the IX columns of the Plant. The flow rates and pressures of the individual well lines will be monitored in the header houses. Flow and pressure of the field production systems will be monitored and controlled as appropriate at the header houses as well. High density polyethylene (HDPE), PVC, stainless steel, or equivalent piping will be used in the wellfields and will be designed and selected to meet design operating conditions.
The lines from the plant, header houses, and individual well lines will be buried for freeze protection and to minimize pipe movement. Other ISR mines in Wyoming have successfully buried HDPE pipelines.
| 16.4 | Header Houses |
Header houses will be used to distribute lixiviant injection fluid to injection wells and collect pregnant solution from recovery (production) wells. Each header house will be connected to two trunk lines, one for receiving barren lixiviant from the Plant and one for conveying pregnant solutions to the Plant. The header houses will include manifolds, valves, flow meters, pressure meters, instrumentation and oxygen for incorporation into the injection lixiviant, as required.
Each header house may service up to 66 wells (injection and recovery) depending on pattern geometry.
| 54 |
| 16.5 | Wellfield Reagents, Electricity, Propane |
The evaluation presented in this document assumes, based on the production schedule and plan, the use of the following reagents and electricity in the wellfield on an annual basis:
| Oxygen | 26.0 MM standard cubic ft. |
| Carbon dioxide | 467 tons |
| Corrosion inhibitor | 12 barrels |
| Electricity | 9.4 MM kilowatt-hours (kWh)A |
| 17.0 | Recovery Methods |
The proposed Project Plant will have four major solution circuits: the uranium recovery/extraction circuit (IX); the elution circuit to remove the uranium from the IX resin; a yellowcake precipitation circuit; and the dewatering, drying and packaging circuit. Figure 12 presents a simplified, typical process flow diagram. The system has been designed to recycle and reuse most of the solutions inside each circuit. A low-volume bleed is permanently removed from the water-based leaching solution flow to create a “cone of depression” in the wellfield’s static water level and ensure that the leaching solution in the target mineralized zone is contained by the inward movement of ground water within the designated recovery area. This bleed solution will be routed to DDWs after minimizing volumes through treatment and recycling.
| 17.1 | Plant Processing |
The plant will house most of the process equipment in an approximate 160 ft. by 260 ft. metal building. However, some of the bulk chemical storage tanks will be located in silos or tank storage outside of the process building. The water treatment system (reverse osmosis) used for treating the bleed and for aquifer restoration will also be located in the Plant. An analytical laboratory and office will be located in the same building as the Plant and a shop building will be constructed immediately north of the Plant. In addition to office spaces for professional staff and the on-site laboratory, the building will include the computer server room, lunchroom, and restroom/change room facilities. The shop building will contain the warehouse, maintenance shop, the construction shop and the drilling shop with all the required tools/equipment and various supplies for performing maintenance.
Production fluid, containing dissolved uranyl carbonate, from the wellfields will be pumped to the Plant for beneficiation as described below:
IX Circuit -- Uranium liberated from the underground deposits will be extracted from the solution in the IX circuit. This assessment assumes an average uranium headgrade of 42 mg/l based on the production model and leach tests. Subsequently, the barren lixiviant will be reconstituted to the proper bicarbonate strength, if needed, prior to being pumped back to the wellfield for reinjection. A low-volume bleed will be permanently removed from the lixiviant flow. The bleed will be treated by reverse osmosis and permeate will be reused in the process. Brine and excess bleed will be disposed of by means of injection into Underground Injection Control (UIC) Class I deep disposal wells (DDW).
Elution Circuit -- When it is fully loaded with uranyl carbonate, the IX resin will be subject to elution. The elution process will reverse the loading reactions for the IX resin and strip the uranium from the resin. The resulting rich eluate will be an aqueous solution containing uranyl carbonate, salt and sodium carbonate and/or sodium bicarbonate.
Yellowcake Precipitation Circuit -- Yellowcake will be produced from the rich eluate. The eluate from the elution circuit will be de-carbonated in tanks by lowering the pH to approximately two standard units with hydrochloric acid. The uranium will be precipitated with hydrogen peroxide using sodium hydroxide for pH control.
| 55 |
Yellowcake Dewatering, Drying and Packaging Circuit -- The precipitated yellowcake slurry will be transferred to a filter press where excess liquid will be removed. Following a fresh water wash step that will flush any remaining dissolved chlorides, the resulting product cake will be transferred to a yellowcake dryer which will further reduce the moisture content, yielding the final dried free-flowing product. A License Amendment Application has been submitted to the NRC to allow for up to two yellowcake rotary vacuum dryers with approximately 110 cubic foot capacities. NRC’s review of the amendment request should be finalized prior to the start of construction. Refined yellowcake will be packaged in 55-gallon steel drums.
For the purposes of this Preliminary Economic Assessment, it has been assumed that drummed yellowcake will be shipped via truck approximately 1,200 miles to the Honeywell conversion facility in Metropolis, Illinois. This conversion facility is the first manufacturing step in converting the yellowcake into reactor fuel.
| 17.2 | Plant Reagents, Electricity and Propane |
Chemicals that are anticipated to be used in the Plant processes and the assumed annual consumption rates include:
| Hydrochloric acid | 2.5 | MM lbs./year |
| Caustic soda | 1.0 | MM lbs./year |
| Peroxide | 0.35 | MM lbs./year |
| Salt | 2.9 | MM lbs./year |
| Soda ash or bicarbonate | 0.11 | MM lbs./year |
| Resin (make-up/replacement) | 100 | cubic ft./year |
The different types of chemicals will be stored, used and managed so as to ensure worker and environmental safety in accordance with standards developed by regulatory agencies and vendors. The hydrochloric acid and hydrogen peroxide storage areas will include secondary containment. Sodium hydroxide and the various acid and caustic chemicals are of potential concern and will be stored and handled with care. To prevent unintentional releases of hazardous chemicals and limit potential impacts to the public and environment, URE will implement internal operating procedures consistent with federal, state and local requirements.
Estimates used in the evaluation presented in this document assume the annual consumption of approximately 152,500 gallons of propane and 10.5 MM kWh of electricity to heat and light the Plant and operate the process equipment.
| 17.3 | Liquid Disposal |
Typical ISR mining operations require a disposal well for limited quantities of fluids that cannot be returned to the production aquifers. Five UIC DDWs are permitted at Lost Creek of which one has already been drilled and cased at the Project. The CAPEX and OPEX estimates for this Preliminary Economic Assessment assume that a total of three UIC DDWs will be completed and used for this Project and that the maximum volume of liquid wastes at the Plant will be approximately 70 gpm during normal operations and up to 115 gpm during restoration. Because the first DDW has been installed, tested and was used as the basis for permitting of the other four DDWs, certainty of this facet in the mining process is enhanced.
| 56 |
| 17.4 | Solid Waste Disposal |
Solid wastes will normally consist of spent resin, empty packaging, miscellaneous pipes and fittings, tank sediments, used personal protective equipment and domestic trash. These materials will be classified as contaminated or non-contaminated based on their radiological characteristics.
Non-contaminated solid waste is waste which is not contaminated with radioactive material or which can be decontaminated and re-classified as non-contaminated waste. This type of waste may include trash, piping, valves, instrumentation, equipment and any other items which are not contaminated or which may be successfully decontaminated. Current estimates are that the site will produce approximately 700 cubic yards of non-contaminated solid waste per year. Non-contaminated solid waste will be collected in designated areas at the Project site and disposed of in the nearest economic permitted sanitary landfill.
Contaminated solid waste consists of solid waste contaminated with radioactive material that cannot be decontaminated. This waste will be classified as 11e(2) by-product material as defined by NRC regulations. This byproduct material will consist of filters, personal protective equipment, spent resin, piping, etc. These materials will be temporarily stored on-site and periodically transported for disposal. URE will establish an agreement for disposal of this waste as 11e.(2) byproduct material in a licensed waste disposal site or licensed mill tailings facility.
It is estimated that the site will produce approximately 90 cubic yards of 11e.(2) byproduct material as waste per year. This estimate is based on the waste generation rates of similar in situ uranium recovery facilities.
| 18.0 | Project Infrastructure |
The infrastructure for the Lost Creek wellfield and Plant are described in Sections 16.0 and 17.0 above. Additionally, an elevated access road to the facility, laboratory and a power-line will need to be constructed.
| 18.1 | Roads |
There are four types of roads that will be used for access to the Project. They include primary access roads, secondary access roads, temporary wellfield access roads, and well access roads. Access to the Project is via Wamsutter-Crooks Gap Road or BLM Sooner Road. Figure 2 shows the major access roads to the Project.
Primary access roads will be used for routine access to the main processing facility at the Project. Two-track roads currently serve as site access. URE will construct or improve approximately 50,000 ft. of new road to serve as Project access.
There are only minor drainage paths across the primary access roads. The costs for culverts are included in the road construction estimate. The new construction will typically be a 20 ft. wide, gravel surface. Snow removal and periodic surface maintenance will be required. The secondary access roads will be used at the Project to provide access to the wellfield header houses. The secondary access roads will be constructed with limited cut and fill construction and may be surfaced with small sized aggregate or other appropriate material.
| 57 |
The temporary wellfield access roads are for access to drilling sites, wellfield development, or ancillary areas assisting in wellfield development. When possible, URE will use existing two-track trails or designate two-track trails where the land surface is not typically modified to accommodate the road. The temporary wellfield access roads will be used throughout the mining areas and will be reclaimed at the end of mining.
| 18.2 | Laboratory Equipment |
Laboratory equipment will consist of inductively coupled plasma (ICP) emission spectrometers for analyses of uranium and metals, an auto-titrator for alkalinity and chloride measurements, specific conductance meter and other equipment, materials and supplies required to efficiently operate the mine and Plant. In addition the laboratory will require fume hoods, reagent storage cabinets and other safety equipment. Costs for laboratory equipment, supplies and set-up have been included in the Plant CAPEX calculations.
| 18.3 | Electricity |
A pre-existing 34,500 volt power line owned by Pacific Power Corp. runs in a north-south direction along the western edge of the Lost Creek Project. The line was originally installed to serve the Sweetwater Mill which is south of the Property. Pacific Power Corp. performed a power study and determined that the line has capacity to serve the Lost Creek Project without any upgrades. A new overhead raptor resistant power line, approximately 2 miles in length, will be constructed to bring power from the existing Pacific Power line to the Lost Creek Plant. Line drops will be made to the header houses, Plant, and other buildings where the power will be transformed to three phase 480 volts. Power lines from header houses to production wells will be placed underground using direct burial wire.
| 18.4 | Holding Ponds |
Two holding ponds have been permitted for the facility. The holding ponds, which will be located immediately east of the plant, will be used to contain process waste water when the DDWs are shut down for maintenance and annual testing. The earthen banked ponds will each be approximately 155 by 260 ft. as measured from crest to crest. The ponds will have a double lined containment system with leak detection between the liners. Rigorous procedures have been established to ensure proper inspection, operation, and maintenance of the holding ponds.
| 19.0 | Market Studies and Contracts |
Unlike other commodities, uranium does not trade on an open market. Contracts are negotiated privately by buyers and sellers. Economic analysis to date assumes a variable price per pound for U3O8 over the life of the Project ranging from $55 to $80 per pound. This price is based on RBC Dominion Securities, Uranium Market Outlook, Q1 2012 (RBC, 2012) that provides uranium price forecasts on a forward-looking basis. As this price forecast was published and incorporated into these calculations immediately prior to the writing of this document, Mrs. Bull believes that RBC’s estimates remain appropriate for use in this evaluation.
| 58 |
The marketability of uranium and acceptance of uranium mining is subject to numerous factors beyond the control of URE. The price of uranium may experience volatile and significant price movements over short periods of time. Factors known to affect the market and the price of uranium include demand for nuclear power; political and economic conditions in uranium mining, producing and consuming countries; costs; interest rates, inflation and currency exchange fluctuations; governmental regulations; availability of financing of nuclear plants, reprocessing of spent fuel and the re-enrichment of depleted uranium tails or waste; sales of excess civilian and military inventories (including from the dismantling of nuclear weapons) by governments and industry participants; production levels and costs of production in certain geographical areas such as Russia, Africa and Australia; and changes in public acceptance of nuclear power generation as a result of any future accidents or terrorism at nuclear facilities. The Fukushima incident is an example of this. However, it is unclear as to the long-term effects on the term price market for uranium. The economic analysis and associated sensitivities are within the range of current market variability.
Contracts are in place with regard to certain purchases of equipment, and are within industry norms. URE has completed three uranium supply arrangements at defined pricing within industry norms. The agreements relate to a portion of anticipated production during the defined term and, together with their defined pricing, are considered within the sensitivities in this report (Figure 13). The income from the contracted portion of production, along with the other estimated production at the anticipated sales price, is included in the cash flow estimate.
| 20.0 | Environmental Studies, Permitting and Social or Community Impact |
Exhaustive environmental studies have been performed in support of the Permit to Mine Application submitted to the WDEQ and the License Application submitted to the NRC. These studies include: geology, surface hydrology, sub-surface hydrology, geochemistry, wetlands, air quality, vegetation, wildlife, archeology, meteorology, background radiometrics, and soils (Ur-Energy, 2007a and UR-Energy, 2007b). Upon receipt of the applications, the WDEQ and NRC spent several years reviewing the environmental studies with internal and third party experts and ultimately concluded that the mining activity as proposed was protective of the environment. After their technical reviews, including numerous opportunities for public comment, the WDEQ issued the Permit to Mine and the NRC issued the Source and Byproduct Material License. The BLM is scheduled to complete their environmental review during the summer of 2012.
The project is proximal to the communities of Bairoil, Jeffrey City, Wamsutter and Rawlins, Wyoming. URE expects to hire its personnel from these communities. Employment is anticipated to have a positive impact to these communities not only through direct payroll, but through primary and secondary purchases of goods and services.
URE has also committed to significant monitoring and regulatory oversight in support of its mining activities. These commitments assist in protecting the mining area and its surrounding resources. In addition, a surety bond will be put in place prior to any construction activities to insure the proper restoration and reclamation of the affected natural resources.
| 21.0 | Capital and Operating Costs |
Capital Costs (CAPEX) and Operating Costs (OPEX) were estimated for the Lost Creek property in order to perform economic analysis. This analysis is based on the mineral resource in the Lost Creek and LC East Projects as described in Section 14.0. CAPEX costs are sensitive to wellfield costs – which may increase if well spacing needs to be reduced or additional injection/recovery wells are required. In addition, a shortage of drilling rigs and the increasing costs of well and piping materials (PVC, HDPE) may also lead to increased CAPEX costs. Increases in CAPEX costs associated with regulatory approval delays have been minimized with only the need for the BLM approval of the Lost Creek Plan of Operations remaining. OPEX costs are sensitive to labor costs due to possible labor shortages and the need to provide increased compensation packages to attract workers as a result of potential low unemployment in Wyoming and employee competition from other natural resources extraction industries.
| 59 |
| 21.1 | Capital Cost Estimation (CAPEX) |
The following paragraphs provide a summary of the quantities and assumptions used to develop the CAPEX costs for the Resource Areas and the Plant. Table 10 provides a summary of those CAPEX costs for the Plant and wellfields. Total CAPEX costs of Plant and wellfields have been estimated at $31.3 million including capitalized initial wellfield costs of $4.73 million.
The predicted level of accuracy of the CAPEX estimate varies between +/- 10% to +/- 15%. Nearing construction of the plant facility has allowed for firm pricing for the majority of the equipment, increasing the confidence level. The wellfield CAPEX numbers remain at +/- 15% because the wellfield development costs are spread out over 8 years and therefore have more uncertainty. The budget prices for the major items identified in this study have been sourced in the United States.
The CAPEX costs developed for and presented here are based on typical uranium ISR wellfield designs and the substantially complete Plant design and bid and purchase order pricing from URE. The Plant designs are at the “issue-for-construction” and/or “accepted” level. URE has received bids for the Project Plant equipment and buildings. The design includes process flow diagrams, water balance, materials balance, chemical consumption estimates, tank sizes, and specific processing circuit components (i.e., type of filter press, dryer, etc.). Line sizing, material types, pumps, valves and instrumentation have been identified and priced. In addition, the wellfield design used for this report includes estimated well and header house locations, well depths, construction materials and anticipated flow rates. A pipeline design was also developed to transmit production solutions to and from the wellfields including the pipeline length, material and sizing, trenching requirements and other components.
Pricing has been obtained for mechanical equipment to develop accurate cost information. Material takeoffs and contractor/vendor prices and historical costs have been used to estimate piping, wells, header houses, process equipment, structural, earthwork, electrical and other costs. The level of design for the Project provides confidence in the CAPEX cost estimates.
| 60 |
Table 10: Development and CAPEX Cost Summary
| Plant Costs | ||
| Item Description | Cost | Comments |
| Personnel Costs - Plant Construction/Start-up | $0 | Included in Personnel Costs |
| Main Production (IX and Elution) | $3,951,570 | Includes first fill on chemicals |
| Yellowcake Precipitation & Drying | $2,065,069 | Includes Precip tanks, filter press, drying equip |
| Buildings, site infrastructure, and general plant | $9,816,577 | Includes office equipment, fencing, etc. |
| Engineering and Installation | $2,277,216 | |
| Restoration Systems | $1,864,468 | Includes RO and filtration |
| Waste System | $337,740 | Includes ponds, tanks, and DDW piping |
| CAPEX Already Purchased | $1,638,523 | Not included in total |
| Plant Total | $20,541,529 | Includes 10% contingency |
| Deep Disposal Wells | $6,399,828 | Includes 10% contingency |
| Wellfield Development Costs | ||
| Item Description | Cost | Comments |
| Wellfield Total | $73,008,057 | Includes injection, recovery & monitoring wells, piping, power cable, header houses. |
| Personnel | $0 | Included in OPEX Costs |
| Wellfield Total | $83,959,266 | Includes 15% contingency |
| Initial Wellfield Construction | $4,735,643 | Year 1 installation with a 15% contingency |
| Total Capital Cost | $31,676,999 | |
A portion of the first mine unit in the MMT will be completed prior to operation and is therefore considered a CAPEX cost. The manpower associated with this construction as well as the Plant construction is included in the OPEX. The remaining MMT and EMT construction activities that will be accomplished after operations begin will be expensed and are included as OPEX costs. Cost categories considered when developing CAPEX costs include:
| · | Pumps, Tanks, and Piping |
| · | Earthwork and topsoil management |
| · | Concrete |
| · | Structural steelwork |
| · | Electrical and instrumentation |
| · | Sanitary sewer |
| · | Fresh water supply |
| · | Roadwork and site drainage including wellfield access |
| · | Communications |
| · | On-site laboratory |
| · | Waste disposal wells |
| · | Vehicles and equipment |
| · | Security |
| · | Contingency of between 10% and 15% |
| 61 |
| 21.2 | Operating Cost Estimation (OPEX) |
The OPEX costs have been developed by evaluating each process unit operation and the associated required services (power, water, air, waste disposal), infrastructure (offices, change rooms shop), salary and burden, and environmental control (heat, air conditioning, monitoring). In addition, OPEX costs also include construction of a portion of the surface facilities and wells to mine the MMT and the EMT. The Annual OPEX and the Closure Cost Summary for the Plant are provided in Table 11. Total OPEX costs have been estimated at $118.93 million including closure costs of $18.97 million. The overall OPEX cost including the closure costs is estimated to be $16.12 per pound. The predicted level of accuracy of the OPEX and Closure estimates is approximately +/- 15%. The prices for the major items identified in this document have been sourced in the United States.
Cost categories considered when developing OPEX costs include:
| · | Salaries and staffing |
| · | Consultants |
| · | Office, site and administrative costs |
| · | Insurance |
| · | Taxes, leases, fees and royalties |
| · | Wellfield operating costs |
| · | Construction costs for the MMT and EMT not included in CAPEX |
| · | Process plant reagents |
| · | Maintenance |
| · | Power |
| · | Product Freight |
| · | Waste Disposal |
| 62 |
Table 11: Annual Operating Costs (OPEX) Summary
| Life of Mine Operation Costs | Year 1 (2012) |
Year 2 (2013) |
Year 3 (2014) |
Year 4 (2015) |
Year 5 (2016) |
Year 6 (2017) |
Year 7 (2018) |
Year 8 (2019) |
Year 9 (2020) |
Year 10 (2021) |
Year 11 (2022) |
Year 12 (2023) |
Year 13 (2024) |
Year 14 (2025) |
Total | Cost per LB |
| Description | ||||||||||||||||
| Salaries and Wages (Plant) | $299,018 | $1,868,860 | $1,868,860 | $1,868,860 | $1,868,860 | $1,868,860 | $1,868,860 | $1,794,106 | $1,588,531 | $1,420,334 | $1,420,334 | $766,233 | $766,233 | $280,329 | $19,548,276 | $2.91 |
| Salaries and Wages (Wellfield) | $1,657,835 | $2,153,032 | $2,153,032 | $2,153,032 | $2,153,032 | $2,153,032 | $2,153,032 | $1,722,426 | $818,152 | $753,561 | $753,561 | $150,712 | $495,197 | $344,485 | $19,614,122 | $2.92 |
| Wellfield Costs (excludes closure related) | $737,373 | $1,463,571 | $1,436,571 | $1,463,571 | $1,463,571 | $1,463,571 | $1,463,571 | $1,273,040 | $856,322 | $774,096 | $774,096 | $319,591 | $451,578 | $227,785 | $14,195,304 | $2.12 |
| Processing Plant Costs (excludes closure related) | $853,836 | $1,694,730 | $1,694,730 | $1,694,730 | $1,694,730 | $1,694,730 | $1,694,730 | $1,474,107 | $991,571 | $896,358 | $896,358 | $370,067 | $522,901 | $263,762 | $16,437,344 | $2.45 |
| Plant Power Costs (excludes closure related) (7) | $692,862 | $1,375,222 | $1,375,222 | 1,375,222 | $1,375,222 | $1,375,222 | $1,375,222 | $1,196,193 | $804,630 | $727,367 | $727,367 | $300,298 | $424,318 | $214,034 | $13,338,400 | $1.99 |
| Product Shipping Costs (6) | $0 | $100,800 | $139,200 | $139,200 | $139,200 | $139,200 | $139,200 | $134,400 | $28,800 | $0 | $0 | $0 | $0 | $0 | $960,000 | $0.14 |
| BLM & State Land Holding & Surface Impact Cost (4) | $68,220 | $68,220 | $68,220 | $68,220 | $68,220 | $68,220 | $68,220 | $68,220 | $68,220 | $68,220 | $68,220 | $68,220 | $68,220 | $34,110 | $920,970 | $0.14 |
| NRC Fees (5) (7) | $522,384 | $234,384 | $150,384 | $150,384 | $150,384 | $150,384 | $150,384 | $113,184 | $113,184 | $353,184 | $113,184 | $113,184 | $113,184 | $113,184 | $2,540,976 | $$0.38 |
| Insurance and Bonding (9) | $602,386 | $739,837 | $1,640,471 | $1,726,495 | 1,812,519 | $1,898,543 | $1,224,689 | -$631,993 | $443,306 | $-696,510 | $378,788 | -$1,520,906 | -$2,388,313 | -$1,912,728 | $3,316,585 | $0.49 |
| Subtotal: (10% contingency added to subtotal) |
$5,977,305 | $10,668,521 | $11,609,059 | $11,703,685 | $11,798,311 | $11,892,938 | $11,151,699 | $7,858,051 | $6,283,987 | $4,726,271 | $5,645,099 | $624,139 | $498,650 | -$478,542 | $99,959,173 | |
| Closure Costs - less Wages (8) (10) | $0 | $0 | $0 | $846,373 | $846,373 | $846,373 | $$846,373 | $1,692,746 | $1,692,746 | $3,385,491 | $4,231,864 | $846,373 | $846,373 | $846,373 | $16,927,456 | $2.29 |
| Home Office Support and Allocated Overhead | $175,000 | $175,000 | $175,000 | $175,000 | $175,000 | $175,000 | $175,000 | $175,000 | $175,000 | $175,000 | $75,000 | $75,000 | $75,000 | $75,000 | $2,050,000 | $0.28 |
| Subtotal: | $175,000 | $175,000 | $175,000 | $1,021,373 | $1,021,373 | $1,021,373 | $1,021,373 | $1,867,746 | $1,867,746 | $3,560,491 | $4,306,864 | $921,373 | $921,373 | $921,373 | $18,977,456 | |
| TOTAL | $6,152,305 | $10,842,521 | $11,784,059 | $12,725,058 | $12,819,684 | $12,914,310 | $12,173,071 | $9,725,797 | $8,151,733 | $8,286,762 | $9,951,963 | $1,545,512 | $1,420,023 | $442,831 | $118,936,629 | $16.12 |
1. Plant and Wellfield CAPEX is in Year 1 (2012). Wellfield development is in years 1 thru 8 (2012 thru 2019).
2. Costs Include a 10% contingency
3. Closure costs assume no salvage value for materials and equipment
4. BLM land holding cost is an annual assessment of $140 on each claim (469 total). State fees include $1,280 annual lease plus surface impact of $2/acre
5. NRC annual fees include $8,320 for Annual Inspections, $50K for NRC Project Manager, $36K for License fees. $31K for each Mine Unit Reviews: Years 1-7
6. Shipping costs are calculated with 19 ton shipments, $4.00/mile and 1,200 miles to the conversion facility
7. Dryer Amendment and KM Amendment are included in Year 1, NRC Pre-Op Inspection is in Year 2, NRC License Renewal included in Year 10; a 20% contingency is applied
8. Closure Costs are from the bond Calculation and have a 25% contingency applied
9. Bonding required 50% collateral + 3% flat rate
10. Closure costs are based on WDEQ approved unit costs from October 2011 and detailed engineering work
| 63 |
| 22.0 | Economic Analysis |
Cautionary statement: this Preliminary Economic Assessment is preliminary in nature, and includes inferred mineral resources that are considered too speculative geologically to have the economic considerations applied to them that would enable them to be categorized as mineral reserves. The estimated mineral recovery used in this Preliminary Economic Assessment is based on site-specific laboratory recovery data as well as URE personnel and industry experience at similar facilities. There can be no assurance that recovery at this level will be achieved.
The economic assessment presented in this Preliminary Economic Assessment is based on an 80% recovery of the Resource Areas defined along the MMT and the EMT and considers the following total resources:
Measured: 4,087,000 lbs. at an avg. grade of 0.052% in 3,922,600 tons
Indicated: 3,793,300 lbs. at an avg. grade of 0.054% in 3,663,700 tons
Inferred: 1,337,800 lbs. at an avg. grade of 0.048% in 1,433,900 tons
A cash flow statement has been developed based on the CAPEX, OPEX and closure cost estimates and the production schedule. Currently, there is no project debt, and therefore this statement assumes no escalation, no debt, no debt interest, no corporate income tax or capital repayment. The sale price for the produced uranium is assumed at a variable price per pound for the life of the Project ranging from $55 to $80 per pound. This price is based on a combination of RBC Dominion Securities, Uranium Market Outlook for the First Quarter of 2012 (RBC, 2012) and sales agreements URE has made to date. Sensitivities to uranium price are shown in Figure 13.
Uranium recovery from the mineral resource is assumed based on an estimated wellfield recovery factor of 80%. The production rate assumes an average solution uranium grade (head grade) of approximately 42 mg/L. The sales for the cash flow are developed by applying the recovery factor to the resource estimate for the Project. The total uranium production over the life of the Project is estimated to be 7.38 million pounds. The production estimates and OPEX cost distribution used to develop the cash flow are based on the production and restoration models developed by URE and incorporated in the cash flow (Table 13).
This document assumes the Project start date of Year 1. Capital expenditure/construction is assumed to start in the third quarter of Year 1 and the start of production is in the second quarter of Year 2. The NPV assumes cash flows take place in the middle of the periods and is calculated based on a discounted cash flow. The Net Present Value (NPV) for three discount rates has been calculated and is presented in Table 12. The estimated Internal Rate of Return (IRR) is also presented.
Table 12: Net Present Value Versus Discount Rate and IRR
| Discount Rate | NPV ($US 000’s) | |
| 5 % | $ 213,326 | |
| 8 % | $ 181,038 | |
| 10 % | $ 162,622 | |
| IRR | 87% |
| 64 |
The Project has initial capital costs of $31.6 million including Plant cost of $20.5 million, initial wellfield costs of $4.73 million and DDW cost of $6.4 million. The estimated payback is in Quarter 3 of Year 3 assuming the commencement of construction in Quarter 3 of Year1, and generates net earnings before income tax over the life of the Project of $283.0 million. It is estimated that the Project has an IRR of 87% and an NPV of $181.0 million applying an 8% discount rate (Table 13).
This analysis utilizes a variable commodity price projection, based on data from RBC (RBC, Q1 2012) and the cash flow results presented herein. The sensitivity to changes in the price of uranium, CAPEX and OPEX has been calculated from the cash flow statements and are presented in Figure 13. The estimated cost of uranium produced is $36.52 per pound including all costs.
The Project is sensitive to changes in the price of uranium as shown in Figure 13. A five percent change in the commodity price results in a $17.8 million change (IRR: approximately 7%) to the NPV at a discount rate of eight percent. This analysis is based on a variable commodity price per pound. The Project is also slightly sensitive to changes in either CAPEX or OPEX costs. A five percent variation in OPEX results in a $3.47 million variation in NPV and a five percent variation in CAPEX results in a $3.95 million variation to the NPV. This analysis is based on an eight percent discount rate and a variable commodity price per pound.
| 22.1 | Capital and Operating Costs |
CAPEX and OPEX costs were discussed in Section 21.0. CAPEX costs are sensitive to wellfield costs – which may increase if well spacing needs to be reduced or additional injection/recovery wells are required. In addition, a shortage of drilling rigs and the increasing costs of well and piping materials (PVC, HDPE) may also lead to increased CAPEX costs. Delays in regulatory approvals or additional requirements from regulatory agencies to obtain approvals could also increase CAPEX costs. Operating costs are sensitive to labor costs due to possible labor shortages and the need to provide increased compensation packages to attract workers as a result of potential low unemployment in Wyoming and employee competition from other natural resource extraction industries.
| 22.2 | Taxation |
The current Wyoming severance tax for uranium is four percent but after the wellhead deduction it is approximately three percent of gross sales. In addition, the ad valorum (gross products) tax varies but is anticipated to average 6.6%. In aggregate and based on the taxable portion of the product, the total tax averages approximately 6.4% of gross sales. At the federal level, profit from mining ventures is taxable at corporate income tax rates. For mineral properties, depletion tax credits are available on a cost or percentage basis, whichever is greater. The economic evaluation in this PEA is pre-tax, but does include severance and ad valorum.
| 65 |
Table 13: Cash Flow Statement ($US 000s)
| Item | Year 1 (2012) |
Year 2 (2013) |
Year 3 (2014) |
Year 4 (2015) |
Year 5 (2016) |
Year 6 (2017) |
Year 7 (2018) |
Year 8 (2019) |
Year 9 (2020) |
Year 10 (2021) |
Year 11 (2022) |
Year 12 (2023) |
Year 13 (2024) |
Year 14 (2025) |
Total |
| Ur-Energy
Production ('000 lbs) (1)(2) |
0 | 763 | 1,071 | 1,071 | 1,071 | 1,071 | 1,071 | 1,038 | 223 | 0 | 0 | 0 | 0 | 0 | 7,380 |
| Gross Sales (3)(4) | $0.0 | $47,828.5 | $75,027.6 | $78,806.8 | $80,300.8 | $84,006.8 | $85,699.8 | $83,065.4 | $17,805.8 | $0.0 | $0.0 | $0.0 | $0.0 | $0.0 | $552,541.6 |
| less: extraction and private royalty fees at 1.67% royalty | $0.0 | $282.6 | $430.4 | $459.0 | $459.0 | $796.7 | $796.4 | $316.3 | $67.8 | $0.0 | $0.0 | $0.0 | $0.0 | $0.0 | $3,608.2 |
| less: Gross Products+Severance tax (6) | $0.0 | $2,970.9 | $4,814.1 | $5,135.1 | $5,135.1 | $5,151.6 | $5,151.6 | $4,970.9 | $1,065.6 | $0.0 | $0.0 | $0.0 | $0.0 | $0.0 | $34,394.9 |
| Net Sales | $0.0 | $44,575.0 | $69,783.1 | $73,212.7 | $74,706.7 | $78,058.5 | $79,751.8 | $77,778.2 | $16,672.4 | $0.0 | $0.0 | $0.0 | $0.0 | $0.0 | $514,538.5 |
| Operational Costs | |||||||||||||||
| Total Op Costs | $5,997.3 | $10,668.5 | $11,609.1 | $11,703.7 | $11,798.3 | $11,892.9 | $11,151.7 | $7,858.1 | $6,284.0 | $4,726.3 | $5,645.1 | $624.1 | $498.7 | -$478.5 | $99,959.2 |
| Wellfield Development (5) | $0.0 | $13,653.8 | $13,971.3 | $10,704.8 | $12,907.8 | $11,459.3 | $11,032.5 | $5,494.2 | $0.0 | $0.0 | $0.0 | $0.0 | $0.0 | $0.0 | $79,223.6 |
| Total Closure Costs | $0.0 | $0.0 | $0.0 | $846.4 | $846.4 | $846.4 | $846.4 | $1,692.7 | $1,692.7 | $3,385.5 | $4,231.9 | $846.4 | $846.4 | $846.4 | $16,927.5 |
| Home Office Support and Allocated Overhead | $175.0 | $175.0 | $175.0 | $175.0 | $175.0 | $175.0 | $175.0 | $175.0 | $175.0 | $175.0 | $75.0 | $75.0 | $75.0 | $75.0 | $2,050.0 |
| Project Cash Flow | -$6,152.3 | $20,077.8 | $44,027.7 | $49,782.9 | $48,979.2 | $53,684.9 | $56,546.2 | $62,558.2 | $8,520.7 | -$8,286.8 | -$9,952.0 | -$1,545.5 | -$1,420.0 | -$442.8 | $316,,378.2 |
| Capitalized Costs | |||||||||||||||
| Plant Sunk Costs | $1,638.5 | $0.0 | $0.0 | $0.0 | $0.0 | $0.0 | $0.0 | $0.0 | $0.0 | $0.0 | $0.0 | $0.0 | $0.0 | $0.0 | $1,638.5 |
| Capital expenditure (7) | $31,677.0 | $0.0 | $0.0 | $0.0 | $0.0 | $0.0 | $0.0 | $0.0 | $0.0 | $0.0 | $0.0 | $0.0 | $0.0 | $0.0 | $31,677.0 |
| NET CASH FLOW | -$39,467.8 | $20,077.8 | $44,027.7 | $49,782.9 | $48,979.2 | $53,684.9 | $56,546.2 | $62,558.2 | $8,520.7 | -$8,286.8 | -$9,952.0 | -$1,545.5 | -$1,420.0 | -$442.8 | $283,062.69 |
| Opening cash balance | $0.0 | -$39,467.8 | -$19,390.1 | $24,637.7 | $74,420.5 | $123,399.8 | $177,084.7 | $233,630.9 | $296,189.1 | $304,709.8 | $296,423.0 | $286,471.1 | $284,925.5 | $283,505.5 | |
| Closing Cash Balance | $-39,467.8 | -$19,390.1 | $24,637.7 | $74,420.5 | $123,399.8 | $177,084.7 | $233,630.9 | $296,189.1 | $304,709.8 | $296,423.0 | $286,471.1 | $284,925.5 | $283,505.5 | $283,062.7 |
| Notes: | 1. Production is based on an 80% recovery of the total of Measured, Indicated, and Inferred resources per NI 43-101 Section 2.3(3). | ||||||||||||||
| 2. Production is in years 2 through 9 and assumes required permits and licenses are received in time to start construction in third quarter 2012. | |||||||||||||||
| 3. Uranium Price a combination of RBC Dominion Securities - Uranium Market Outlook, First Quarter 2012 and actual contracts. | |||||||||||||||
| 4. All amounts in US $ 000s. | |||||||||||||||
| 5. Wellfield Development costs after production start are included as an Operational Expense. | |||||||||||||||
| 6. Gross products and Severance tax amounts are based on a variable Gross Products Tax rate and Severance Tax rate of 4% | |||||||||||||||
| 7. Plant CAPEX, two deep disposal wells and part of the first wellfield area are included in Year 1. Well-field costs are expensed –after initial construction. | |||||||||||||||
| 8. Income Tax Is Not included In Lost Creek Project Cash Flow. | |||||||||||||||
| 9. The IRR and NPV analyses are based on Years 1 to Year 14. | |||||||||||||||
|
IRR = 87%
|
|||||||||||||||
| Assuming no depreciation, no income tax, no escalation, and variable uranium price as indicated above. | |||||||||||||||
|
Net Present Value Versus Discount Rate
|
|||||||||||||||
| Discount Rate | NPV ($US 000’s) | ||||||||||||||
| 5% | $213,326 | ||||||||||||||
| 8% | $181,038 | ||||||||||||||
| 10% | $162,622 | ||||||||||||||
| 66 |
| 23.0 | Adjacent Properties |
Adjacent Properties refers to non-URE mineral properties of interest in close proximity to the Lost Creek Property. Several areas adjacent to the Lost Creek Property contain uranium mineralization. Most significant of these is the Sweetwater Mill and Mine, now owned by Rio Tinto Americas, Inc. (Figure 2). The facility lies about three and one-half miles south of the southwestern-most boundary of the Lost Creek Project and consists of a conventional uranium mill and reclaimed open-pit mine; both of which are closed. The deposit was discovered in the 1970s by Minerals Exploration Company. Original estimates of resources were as much as 15 million pounds at an average grade of 0.046% eU3O8 (Sherborne, et al., 1981). This is an historic estimate derived before standards were developed under Canadian NI 43-101, and reliability of the estimate has not been independently verified. Production ceased in approximately 1982 after yielding 1.29 million pounds of uranium.
The ENQ deposit is located just to the west of the Sweetwater trend (Sherborne, et al., 1981). It occupies a sand layer immediately above that hosting the Sweetwater trend and exhibits similar grades. Both the ENQ and Sweetwater deposits are hosted by the Battle Spring Formation in stratigraphic intervals approximately the same as those hosting the Lost Creek MMT. The ENQ deposit is currently controlled by Rio Tinto.
This Preliminary Economic Assessment addresses only property and deposits controlled by URE and not the Adjacent Properties identified in Figure 2. The information and the data from the Adjacent Properties have not been verified and are not necessarily indicative of the mineralization on the Property that is the subject of this Preliminary Economic Assessment.
| 24.0 | Other Relevant Data and Information |
No other relevant data or information to include.
| 25.0 | Interpretation and Conclusions |
Geological evaluation of recently acquired property has identified an extensive roll front mineral trend referred to as the EMT which contains significant resource. Resources in the EMT are contained within the same stratigraphic intervals as that of the MMT within the Lost Creek Project. The majority of these new resources have been historically drilled to a density that brings them to the Measured and Indicated categories, implying a high level of confidence.
The recent acquisitions and geological evaluation have resulted in substantial increase to the resources attributable to the Lost Creek Property. A total of 2,582,900 pounds of new resources in the Measured and Indicated categories, plus 852,700 pounds in the Inferred category have been identified. These new resources can be summarized as:
| Measured: | 1,255,900 lbs., avg. grade of 0.054%, in 1,158,300 tons |
| Indicated: | 1,327,000 lbs., avg. grade of 0.043%, in 1,551,300 tons |
| Inferred: | 852,700 lbs., avg. grade of 0.048%, in 927,900 tons |
| 67 |
By Project, the new mineral resources can be sub-divided as:
LC East Project:
Measured and Indicated: 2,582,900 lbs., avg. grade of 0.048% in 2,709,600 tons
Inferred: 815,300 lbs., avg. grade of 0.045% in 910,800 tons
LC West Project
Inferred: 37,400 lbs., avg. grade of 0.109% in 17,200 tons
With the addition of the new resources stated above, the mineral resource total for the Lost Creek Property currently stands at 8,348,200 lbs. in the Measured and Indicated categories with an additional 2,869,100 lbs. as Inferred.
In regard to development at the Lost Creek Project, the proposed wellfield, recovery and processing facilities are very similar to other operations in the State of Wyoming. The site is remote but located within a few miles of paved highways and adjacent to graveled access roads. Power and communications are also available.
An economic analysis was performed on the additional resources in the MMT and the EMT. The estimated recoverable resources were 7.38 million pounds of uranium. A recovery factor of 80% was used in the economic evaluation and is in line with CIM guidance (CIM Council, 2003). Based on the estimated recovery of 7.38 million pounds of U3O8, the potential performance of the Project indicates it to be economically viable.
| 26.0 | Recommendations |
The recommendations below are based on the information collected by drilling to date. As additional information is collected these recommendations should be revisited and revised to reflect the current geologic interpretation. The drill programs, interpretation of data, and revisions to the recommendations should be carried out with significant input from experienced roll front geologists and production engineers.
Likewise, the economic analyses provided in this document are based only on production of only those currently defined resources associated with the MMT and EMT resource areas. Therefore, the costs of the recommended exploration and delineation activities are not addressed in the economic analyses.
Development
URE will continue permitting the Lost Creek Project and commence construction as soon as feasible upon completion of permitting. Current estimates suggest that permitting will be completed during the summer of 2012 and construction could commence as early as August 2012. The initiation of production is important to the Company’s cash flow which will be used to fund further exploration and delineation on the Property. The discovery and delineation of additional resources will improve the economics of the facility and extend its life. Delineation of Resource Area 2 and other near term production areas should resume as soon as construction begins. Also, resources in the FG Horizon should be further tested for continuity, quality, disequilibrium and leachability in order to make a more informed decision for mine planning. Total of approximately 250 drill holes is anticipated for these activities costing approximately $1.25 million.
| 68 |
At LC East, delineation drilling of identified resources in the EMT should be initiated in order to expand the amount of resources in the Measured plus Indicated classification, and to facilitate early production planning and permitting. This will require approximately 150 holes to fully delineate the first potential production wellfield. This activity should include a structured PFN logging program of 10 to 20 holes to fully investigate the status of equilibrium within the trend. A coring program of three to five core-holes should be conducted to confirm ore leachability and host rock characteristics within the EMT. Concurrently, all mineral intercepts identified in historic drill logs should be systematically recalculated using a uniform method. This should be accompanied by some confirmation drilling consisting of five to ten holes to solidify confidence in the historic mineral intercept database. Total cost for these tasks will be approximately $750 thousand.
Baseline studies should be initiated in anticipation of permitting the EMT for future production. Baseline monitor and regional pump test wells should be installed as soon as is reasonable. Well design will be in the same manner and within the same stratigraphic horizons as at the Lost Creek Project. Suites of monitor and pump test wells should be installed within, or in reasonable proximity to, the mineral trend and in consideration of local hydrogeology. This would result in a minimum of 5 wells per group for a total of 15 wells. Baseline and regional pump testing should follow accordingly. Total costs to accomplish these goals will be approximately $325 thousand
Exploration
Exploration drilling should continue at LC East. Targets should be identified and prioritized to best establish continuity of the mineralization in areas of less dense drilling. The goal will be to test potential mineralization along mapped roll fronts sufficiently as to allow upgrade of that mineralization into the Inferred category. This will require about 300 drill holes costing a total of approximately $1.05 million.
Elsewhere, near term exploration activities should initially focus on the northeastern and western portions of the Lost Creek Project and also the eastern portions of the LC North Project. Both of these areas represent potential for direct extensions of the MMT in the HJ and KM Horizons. Drilling in the northeastern portion should continue testing the HJ Horizon using the fence-line drilling pattern method in progressively closer spacing. The goal is to bring all of the viable mineralization in these areas to the Inferred category or better in order to facilitate a production decision as soon as possible. Likewise, continued testing of the deep horizons in the northeastern portion of the Lost Creek Project should be completed as secondary goal to identify longer term resources in those units. Longer term exploration targets for the Lost Creek Project should include other portions of the Project where roll front trends are known to exist but are substantiated by relatively few drill holes. The FG Horizon on the Lost Creek Project also warrants more testing as a part of future exploration plans in order to further evaluate the extent and quality of mineralization. Drilling in both the northeastern portion of the Lost Creek Project and the western portion of LC North will require an estimated 300 exploration holes costing approximately $2.7 million to bring all the viable resources in those areas to the Inferred category.
Exploration in the LC South Project should initially focus on testing the extent of FG trends by drilling those targets on spacing sufficient to bring all of those resources to the Inferred category. The goal is to assess the viability of those resources as potential feed to the Lost Creek facility. At the same time, more exploration drilling is warranted for the HJ, KM and Deep Horizon targets within the Project. This should be accomplished using a wide spaced fence line drilling approach to facilitate an initial assessment of the viability of any resources in those horizons. The LC South program is estimated to require approximately 400 drill holes at a cost of approximately $3.6 million.
| 69 |
The EN Project should be explored further, focusing initially on wide spaced framework drilling to assess regional alteration and stratigraphic relationships. This should then be followed by wide spaced fence line drilling to test for mineralization on any alteration fronts identified by the framework drilling. This may require an estimated 150 holes costing approximately $1.5 million. The greater costs for drilling at the EN Project are due to greater depths. At the conclusion of the drilling, management should determine if the roll fronts are of sufficient quality to merit additional exploration and delineation.
| 70 |
| 27.0 | References |
Boberg W.W., 2010, The Nature and Development of the Wyoming Uranium Province. SEG Special Publication 15, pages 653-674.
CIM Council, 2003, Estimation of Mineral Resources and Mineral Reserves, Best Practice Guidelines, Uranium Specific Guidelines. http://www.cim.org/UserFiles/File/Best-Practice-Uranium-Estimation-Guidelines.pdf [online document]. Last Accessed April 20, 2012.
CIM Council, 2010, CIM Definition Standards For Mineral Resources and Mineral Reserves http://www.cim.org/UserFiles/File/CIM_DEFINITON_STANDARDS_Nov_2010.pdf [online document]. Last accessed April 20, 2012.
Collentine M., Libra R., Feathers K., Hamden L., 1981, Occurrence and characteristics of ground water in the Great Divide and Washakie Basins, Wyoming. Wyoming Water Research Institute. Technical Report Vol. VI-A.
Curtis J.C. and Grimes K., 2004, Wyoming Climate Atlas. Wyoming State Climate Office. No. 1.2.1 http://www.wrds.uwyo.edu/sco/climateatlas/title_page.html [website]. Last accessed April 20, 2012.
Fisk EP, 1967, Groundwater geology and hydrology of the Great Divide and Washakie Basins, south-central Wyoming [master's thesis]. [Los Angeles (CA)]: University of Southern California.
Hazen, 2007, Characterization of Uranium Occurrence in Sandstone Samples [Ur-Energy], Hazen Project 10619. August 24, 2007.
Honea R., 1979a, TT-147 Petrographic Report. Report ID: URLC4.
Honea R., 1979b, Lost Creek – Honea Petrographic Description TT-152. Report ID: NF LC-1121.
Hydro-Engineering, LLC, 2007, Lost Creek aquifer test analyses. Prepared for Ur-Energy USA, Inc. March 2007.
Hydro-Search, Inc. 1982, 1982 Hydrogeology program for the Conoco/Lost Creek uranium project. Golden (CO). Prepared for Texasgulf, Inc.
Lyntek, Inc., 2008, Amended NI-43-101 Preliminary Assessment for the Lost Creek Project Sweetwater County, Wyoming. John I Kyle P.E., Douglas K. Maxwell P.E., April 2nd, 2008, as amended February 25, 2011 (As amended, with C. Stewart Wallis, P.Geo., co-author).
Maxim Technologies, Inc./Tetra Tech Inc. 2005a, Geotechnical Test Summary. Prepared for Ur-Energy by Energy Laboratories, Inc. Project Number 6550913. Report Number 8468. October 24, 2005.
Maxim Technologies, Inc./Tetra Tech Inc. 2005b, Geotechnical Test Summary. Prepared for Ur-Energy by Energy Laboratories, Inc. Project Number 6550913. Report Number 8519. December 8, 2005.
| 71 |
Maxim Technologies, Inc./Tetra Tech Inc. 2006, Geotechnical Test Summary. Prepared for Ur-Energy by Energy Laboratories, Inc. Project Number 6550913. Report Number 8547. January 5, 2006.
Petrotek Engineering Corporation, 2007, “Lost Creek Regional Hydrologic Testing Report – Lost Creek Project Sweetwater County, Wyoming”. Report by Petrotek Engineering Corporation, October, 2007.
RBC, 2012, RBC Dominion Securities Inc., RBC Capital Markets, Uranium Market Outlook, First Quarter 2012, Price Forecast, March 16, 2012.
Sherborne, J.E., Jr.; Pavlak, S.J.; Peterson, C.H.; and Buckovic, W.A. 1981, Uranium Deposits of the Sweetwater Mine Area, Great Divide Basin, Wyoming: Third Annual Uranium Seminar, AIME, pp.27-37]
SKM, 1997. Red Desert Project Scoping Evaluation, 1997, Stephen Morzenti/SKM Associates, for Strathmore Resources.
Ur-Energy, 2007a, Lost Creek ISR, LLC, Lost Creek ISR Project, Wyoming DEQ Permit to Mine Application”, December, 2007.
Ur-Energy, 2007b, Lost Creek ISR, LLC, Application for US NRC Source and Byproduct Material License (Docket No. 40-9068), Technical Report, October, 2007.
U.S. Census Bureau 2010 Report on Carbon County, WY http://quickfacts.census.gov/qfd/states/56/56007.html [website]. Last accessed April 20, 2012.
U.S. Census Bureau 2010 Report on Sweetwater County, WY http://quickfacts.census.gov/qfd/states/56/56037.html [website]. Last accessed April 20, 2012
Weatherford, 2010, Summary of Routine Core Analysis Results. Prepared for Ur-Energy by Energy Laboratories, Inc. Report Number C10010037. March 1, 2010.
Welder, G.E. and McGreevey L.J., 1966, Groundwater Reconnaissance of the Great Divide and Washakie Basins and Some Adjacent Areas, Southwestern Wyoming: U.S. Geol. Survey Hydro. Investigations Atlas HA-219, 10 pages., 3 Sheets.
| 72 |
| 28.0 | Certificates |
| 73 |
CERTIFICATE OF QUALIFIED PERSON
Preliminary Economic Assessment of the Lost Creek Property, Sweetwater County, Wyoming, April 30, 2012
I, Catherine L. Bull, of 10805 East Platte River Road, Evansville, Wyoming, USA, do hereby certify that:
| · | I am a Project Engineer for Ur-Energy USA Inc. 5880 Enterprise Drive, Suite 200, Casper, Wyoming, USA. I have worked in this capacity for the company for three and one-half years. |
| · | I graduated with a Bachelor of Science degree in Mechanical Engineering in 2004 from the University of Wyoming in Laramie, Wyoming. |
| · | I graduated with a Master of Engineering degree in Mechanical Engineering in 2008 from the University of Idaho in Moscow, Idaho. |
| · | I graduated with a Master of Business Administration degree with a specialization in International Business in 2011 from the University of Nebraska in Lincoln, Nebraska. |
| · | I am a licensed Professional Engineer in Mechanical Engineering (PE 12081) by the state of Wyoming as defined by the Wyoming State Board of Registration for Professional Engineers and Professional Land Surveyors. |
| · | I have worked as an Engineer for more than seven years and as a Professional Engineer (PE) for three years. All of my experience has been working in ISR mining, and managing various projects and costs associated with them. |
| · | I am a member of the Society of Mining, Metallurgy, and Exploration (SME) and hold the position of Section Chair for the Wyoming Section. |
| · | I have read the definition of “qualified person’ set out in National Instrument (NI) 43-101 and certify by reason of my education, professional registration and relevant work experience, I fulfill the requirements to be a “qualified person” for the purposes of NI 43-101. |
| · | My most recent visit to the Lost Creek Property was on August 24, 2011 for a duration of three hours; no additional engineering work has been completed on-site since that visit. Prior to that visit, I have been to the site numerous times and have supervised engineering work done for the site. |
| · | I am responsible for sections 1, 3, 16, 17, 18, 19, 20, 21, 22, 27 and 28 of this Lost Creek Preliminary Economic Assessment. |
| · | I am employed by Ur-Energy USA Inc. and therefore am not independent of the issuer. |
| · | For the last three and one-half years, I have been involved with the project engineering for the Lost Creek Property. |
| · | I have read and am responsible for the NI 43-101 and sections 1, 3, 16, 17, 18, 19, 20, 21, 22, 27 and 28 of this Lost Creek Preliminary Economic Assessment have been prepared in compliance with NI 43-101 and Form 43-101F. |
| · | As of the date of this Certificate, to the best of my knowledge, information and belief, the Preliminary Economic Assessment contains all the scientific and technical information that is required to be disclosed to make this Technical Report not misleading.. |
Dated this 30th day of April, 2012
Signed and sealed
/s/ Catherine L. Bull, Professional Engineer Wyoming PE-12081
Catherine L. Bull, Professional Engineer Wyoming PE-12081
| 74 |
CERTIFICATE OF QUALIFIED PERSON
Preliminary Economic Assessment of the Lost Creek Property, Sweetwater County, Wyoming, April 30, 2012
I, John K. Cooper, of 2252 S. Fairdale Avenue, Casper, Wyoming, USA, do hereby certify that:
| · | I am a Project Geologist for Ur-Energy USA Inc. 5880 Enterprise Drive, Suite 200, Casper, Wyoming, USA. I have worked in this capacity for the Company for four and one-half years. |
| · | I graduated with a Bachelor of Science degree in Geology in 2001 and with Master of Science degree in Geology in 2004. Both degrees were earned from East Carolina University (ECU) in Greenville, North Carolina. |
| · | I am a licensed Professional Geologist (PG-3753) for the state of Wyoming as defined by the National Association of State Boards of Geology (ASBOG). |
| · | I have worked as a Geologist for a total of seven years and as a Professional Geologist (PG) for one year. Over six and one-half years of my geologic experience has been in evaluation, development and ISR mining of uranium roll front deposits. |
| · | I am a Registered Member of the Society of Mining, Metallurgy, and Exploration (SME) (Member Number 4145436). |
| · | I have read the definition of “qualified person” set out in National Instrument (NI) 43-101 and certify by reason of my education, professional registration and relevant work experience, I fulfill the requirements to be a “qualified person” for the purposes of NI 43-101. |
| · | I recently visited the Lost Creek Property on December 19, 2011 and stayed for approximately seven hours as I attended to work matters. Prior to this visit, I have visited the Property numerous times as a function of my position with Ur-Energy and I have an intimate working knowledge of the Property and its geology. |
| · | I am responsible for sections 1-2, 4-15 and 23-28 of this Lost Creek Preliminary Economic Assessment. |
| · | I am employed by Ur-Energy USA Inc. and therefore am not independent of the issuer. |
| · | For the last four and one-half years, I have been involved with the project geology for the Lost Creek Property. |
| · | I have read the NI 43-101 and sections 1-2, 4-15 and 23-28 of this Lost Creek Property Technical Report have been prepared in compliance with NI 43-101 and Form 43-101F. |
| · | As of the date of this Certificate, to the best of my knowledge, information and belief, the Preliminary Economic Assessment contains all the scientific and technical information that is required to be disclosed to make this Technical Report not misleading. |
Dated this 30th day of April, 2012
Signed and sealed
/s/John K. Cooper, SME Registered Member 4145436
John K. Cooper, SME Registered Member 4145436
| 75 |
| 29.0 | Illustrations |

| 76 |
| 77 |
| 78 |
| 79 |
| 80 |
| 81 |
| 82 |
| 83 |
| 84 |
| 85 |
| 86 |
| 87 |
| 88 |
| 89 |
| 90 |
| 91 |
| 92 |
| 93 |
| 94 |